电脑桌面
添加小米粒文库到电脑桌面
安装后可以在桌面快捷访问

临时用电日常检查记录VIP免费

临时用电日常检查记录_第1页
1/2
临时用电日常检查记录_第2页
2/2
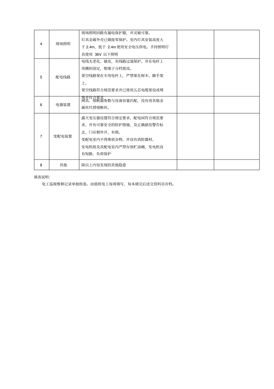
电工巡视维修记录工程名称:施工单位:大丽高速27-1A合同段电工日巡视维修记录工程名称:老西门1#2#3#12#施工单位:常德市中房建筑工程公司施工地点:建设路编号:值班日期值班电工交接电工维修监护人员施工用电、设备运转情况记录及问题记录:问题解决情况:遗留问题交接:电工巡视维修记录电工姓名值班时间时分至时分工程名称额定容量序号巡视检查项目巡视检查内容检查结果维修部位1工地附近高压线防护按防护方案进行防护并做到严密,安全可靠。2接地与接零保护系统工作接地、重复接地、保护零线正确、牢固可靠。重复接地不少于3处。工作接地电阻不大于4Ω,重复接地电阻不大于10Ω保护零线引出正确,并单独敷设不作它用,采用绿/黄双色线其截面与工作零线截面相同是相线的1/23配电箱开关箱总配电箱中应在电源隔离开关的负荷侧装置漏电保护器,并灵敏可靠。分配电箱设置正确并与开关箱距离不大于30cm。开关箱(一机一闸一漏一箱)漏电保护装置在设备负荷侧,灵敏可靠,并距离设备不大于3m。固定电箱安装位置正确,高度在1.3~1.5m。移动电箱安装高度在0.6~1.5m。电箱底进出线,不混乱,箱内无杂物,有门有锁,有防雨措施。闸具齐全完好。4现场照明现场照明回路有漏电保护器,并灵敏可靠。灯具金属外壳已做接零保护。室内灯具安装高度大于2.4m,低于2.4m使用安全电压供电。手持照明灯具使用36V以下照明5配电线路电线无老化、破皮,有线路过道保护。并在电杆上用横担固定,绝缘子分档架设。架空线路架在专用电杆上,严禁架在树木、脚手架上。架空线路符合规范要求并已使用五芯电缆架设或埋地并符合要求6电器装置闸具、熔断器参数与设备容量匹配,没有用其他金属丝代替熔断丝。7变配电装置露天变压器设置符合规定要求,配电间符合规范要求,并有可靠安全的防护措施,及正确悬挂警告标志,门应朝外开,有锁。变配电室内不得堆放杂物,并设有消防器材。发电机组及其配电室内严禁存放贮油桶,发电机设有短路、负荷保护8其他除以上内容发现的其他隐患填表说明:电工巡视维修记录单独组卷。由值班电工每周填写,每本填完后送交资料员存档。

1、当您付费下载文档后,您只拥有了使用权限,并不意味着购买了版权,文档只能用于自身使用,不得用于其他商业用途(如 [转卖]进行直接盈利或[编辑后售卖]进行间接盈利)。
2、本站所有内容均由合作方或网友上传,本站不对文档的完整性、权威性及其观点立场正确性做任何保证或承诺!文档内容仅供研究参考,付费前请自行鉴别。
3、如文档内容存在违规,或者侵犯商业秘密、侵犯著作权等,请点击“违规举报”。

碎片内容

临时用电日常检查记录

您可能关注的文档

确认删除?
VIP
微信客服
  • 扫码咨询
会员Q群
  • 会员专属群点击这里加入QQ群
客服邮箱
回到顶部