电脑桌面
添加小米粒文库到电脑桌面
安装后可以在桌面快捷访问

主流显卡Linux系统驱动安装资料VIP免费

主流显卡Linux系统驱动安装资料_第1页
1/25
主流显卡Linux系统驱动安装资料_第2页
2/25
主流显卡Linux系统驱动安装资料_第3页
3/25
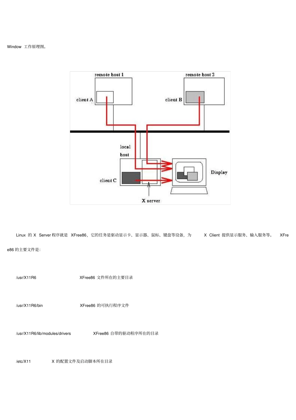
主流显卡Linux系统驱动安装--nVidia篇(图)考试吧:http://www.exam8.com来源:考试吧(Exam8.com)搜集整理点击数:6861更新时间:2005-10-19随着3D图形显示芯片的激烈市场竞争,S3、3Dfx、Matrox、Trident等一些老牌3D显示芯片生产厂商已经渐渐退出了市场。nVIDIA、ATi、Intel三家生产厂商占有95%以上的市场份额。在Linux安装3D显卡的驱动是有一定难度的。升级Linux驱动程序需要做一系列的决定,包括正确识别处理器配置状况,查明驱动程序工作在什么样的Linux内核当中。在Linux中使用的图形显示系统是X-Window,但是由于与常见的MSWindows系统有很大的差异,所以在使用时,即使有时面对的是很小的问题,却不知才能如何解决,比如无法驱动显卡,显示器参数错误,花屏,图形界面无法启动等。这里首先向大家讲述,X-Window的概述,如何安装主流3D显卡的驱动程序,相关的配置文件,以及参数调整等内容。本文应用环境是RedhatLinux9.0。一、X-Window和显卡配置文件的概述XFree86是XWindow系统的一种开放源代码的实现。它提供了一种对鼠标、键盘、显卡和窗口图形环境的Client-Server接口。所以客户端程序可以运行在不同的主机上,由一台服务器提供XWindow的Server服务。XClient将希望显示的图形发送到XServer,XServer将图形显示在显示器上,同时为XClient提供鼠标键盘的输入服务。可以将X的Server和Client分别运行在两台计算机上,使用startx命令可以启动X-Window,在同一台计算机上同时运行的Server和Client,通常运行startx后,首先启动的是XFree86,它是Linux平台最常用的X的Server端,然后,又运行X的Client程序,如startkde(KDE的启动程序)或gnome-session(GNOME的启动程序),他们利用X协议连接本机的XServer,将图形显示出来。X-Window的C/S结构还拥有网络特性这是微软操作系统没有的,以将X的Server和Client分别运行在两台计算机上,甚至可以安装一些软件,让Windows作为XServer,让Linux作为Client,将KDE或GNOME等桌面环境显示到Windows主机上来。图1是X-Window工作原理图。Linux的XServer程序就是XFree86,它的任务是驱动显示卡、显示器、鼠标、键盘等设备,为XClient提供显示服务、输入服务等。XFree86的主要文件是:/usr/X11R6XFree86文件所在的主要目录/usr/X11R6/binXFree86的可执行程序文件/usr/X11R6/lib/modules/driversXFree86自带的驱动程序所在的目录/etc/X11X的配置文件及启动脚本所在目录/etc/X11/XF86Config或XF86Config-4XFree86的启动配置文件XFree86自带了一些设备的驱动,具体位置在/usr/X11R6/lib/modules/drivers,如果你的显示卡太新无法使用X-Window,你可以考虑升级XFree86。目前当前的XFree86成熟的版本是4.5.0,下载站点ftp://ftp.xfree86.org/pub/XFree86/4.5.0/,XFree86官方的版本下载网站是http://www.xfree86.org/downloads.html,中国的镜像网站是:http://xfree86.linuxforum.net/downloads.html。两个组织:由于下面笔者安装Linux显卡驱动时要涉及两个组织XFree86和XOrg。这里简单介绍一下:www.xfree86.org:XFree86是对X11的一个开放源码的实现。最初它开发运行在Intelx86PC上,因此得名。现在,它可以运行在主要的硬件架构和操作系统上,包括Linux、OS/2,Darwin,MacOSX和Windows。最新版本:2005年3月16日发布的4.5.0。下载站点:ftp://ftp.xfree86.org/pub/XFree86/4.5.0/www.X.Org:XOrg基金会的X11开源实现(XOrgFoundationOpenSourcePublicImplementationofX11)它是XWindowSystem的官方参考实现。当前的发布版本是X11R6.8.2,发布于2005年2月10日。它是开放源代码的自由软件。这个项目由X.Org基金会运作,存放于freedesktop.org的主机上。由于在XFree864.4最终版本采用新许可证问题上的分歧,Xorg服务器的第一个版本X11R6.7.0从XFree864.4RC2派生出来,并加入了X11R6.6的一些改动。最新版本:X11R6.8.2。在Linux中使用以上两个组织的驱动都可以实现3D加速,本文以前者为准。其它术语:什么是DRI?DirectRenderingInfrastructure(dri.sourceforge.net),也被称为DRI,中文名称直接着色基础结构。它是一个安全且有效率地直...

1、当您付费下载文档后,您只拥有了使用权限,并不意味着购买了版权,文档只能用于自身使用,不得用于其他商业用途(如 [转卖]进行直接盈利或[编辑后售卖]进行间接盈利)。
2、本站所有内容均由合作方或网友上传,本站不对文档的完整性、权威性及其观点立场正确性做任何保证或承诺!文档内容仅供研究参考,付费前请自行鉴别。
3、如文档内容存在违规,或者侵犯商业秘密、侵犯著作权等,请点击“违规举报”。

碎片内容

主流显卡Linux系统驱动安装资料

确认删除?
VIP
微信客服
  • 扫码咨询
会员Q群
  • 会员专属群点击这里加入QQ群
客服邮箱
回到顶部