电脑桌面
添加小米粒文库到电脑桌面
安装后可以在桌面快捷访问

九年级物理:家庭电路中的故障及判断专题概述及检测题VIP免费

九年级物理:家庭电路中的故障及判断专题概述及检测题_第1页
1/4
九年级物理:家庭电路中的故障及判断专题概述及检测题_第2页
2/4
九年级物理:家庭电路中的故障及判断专题概述及检测题_第3页
3/4
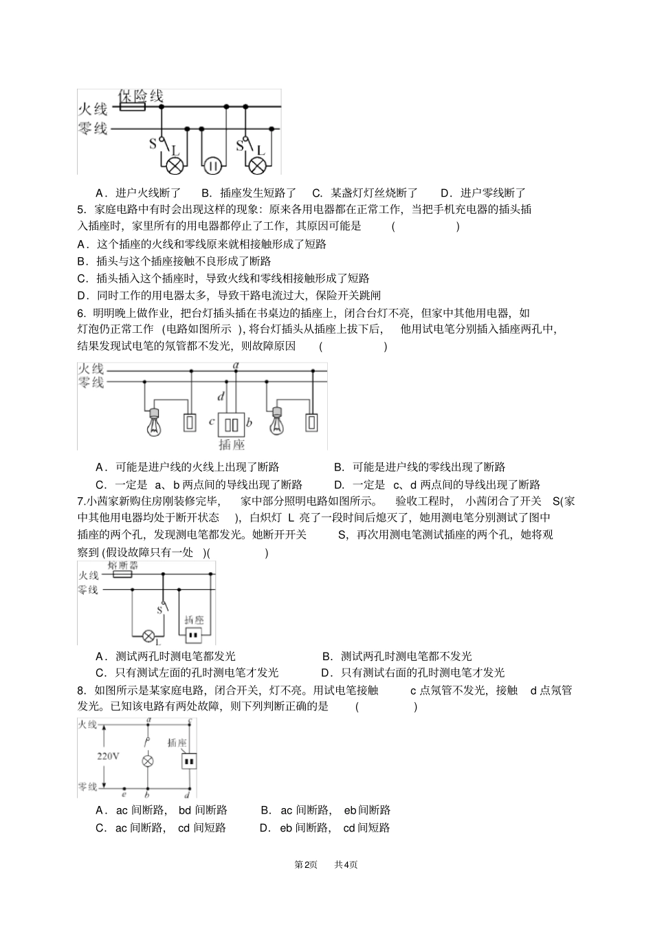
第1页共4页人教版物理九年级全册第十九章生活用电家庭电路中的故障及判断专题概述及检测题专题概述:常见故障现象检测工具检测方法开路用电器不工作试电笔用试电笔测接入用电器的两个线头。a.若试电笔的氖管测一端发光,测另一端不发光,表明供电线路正常,接入的用电器断路;b.若试电笔的氖管测两端都发光,表明零线断路;c.若试电笔的氖管测两端都不发光,表明火线断路,也可能两根都断路短路保险丝立刻熔断;严重时可能引发火灾校验灯断开所有用电器的开关,将一个普通的白炽灯(校验灯)与那个熔断的熔丝并联;闭合总开关,然后逐个合上各用电器的开关;a.若发现校验灯发出暗红色的光,则该支路正常;b.若发现校验灯正常发光,则该支路短路检测题:1.在如图所示的电路中,小凌闭合开关后,发现电灯正常发光,他用完好的试电笔正确地测试图中的a、b、c三点,使试电笔氖管发光的是()A.aB.bC.cD.a,b,c三点都不发光2.暑期,琳琳同学家新装了一台3kW的空调,试用了一会儿,家中突然停电,检查发现熔丝断了。导致上述故障的原因可能是()A.插头和插座接触不良B.电路中用电器的总功率过大C.空调机内部断路D.控制空调机的开关短路3.如图所示的家庭电路中,闭合开关后灯泡不亮。用试电笔检测插座的两孔,发现只有插入右孔时氖管才发光。用试电笔检测A点氖管发光,检测B点氖管不发光,发生这一现象的原因可能是()A.灯泡短路B.灯丝断了C.开关接触不良D.插座短路4.如图所示的家庭电路中,正常发光的两盏灯突然都熄灭。小明先检查保险丝,保险丝完好,再用试电笔分别检测插座的两孔,发现氖管均发光,造成这一现象的原因是()第2页共4页A.进户火线断了B.插座发生短路了C.某盏灯灯丝烧断了D.进户零线断了5.家庭电路中有时会出现这样的现象:原来各用电器都在正常工作,当把手机充电器的插头插入插座时,家里所有的用电器都停止了工作,其原因可能是()A.这个插座的火线和零线原来就相接触形成了短路B.插头与这个插座接触不良形成了断路C.插头插入这个插座时,导致火线和零线相接触形成了短路D.同时工作的用电器太多,导致干路电流过大,保险开关跳闸6.明明晚上做作业,把台灯插头插在书桌边的插座上,闭合台灯不亮,但家中其他用电器,如灯泡仍正常工作(电路如图所示),将台灯插头从插座上拔下后,他用试电笔分别插入插座两孔中,结果发现试电笔的氖管都不发光,则故障原因()A.可能是进户线的火线上出现了断路B.可能是进户线的零线出现了断路C.一定是a、b两点间的导线出现了断路D.一定是c、d两点间的导线出现了断路7.小茜家新购住房刚装修完毕,家中部分照明电路如图所示。验收工程时,小茜闭合了开关S(家中其他用电器均处于断开状态),白炽灯L亮了一段时间后熄灭了,她用测电笔分别测试了图中插座的两个孔,发现测电笔都发光。她断开开关S,再次用测电笔测试插座的两个孔,她将观察到(假设故障只有一处)()A.测试两孔时测电笔都发光B.测试两孔时测电笔都不发光C.只有测试左面的孔时测电笔才发光D.只有测试右面的孔时测电笔才发光8.如图所示是某家庭电路,闭合开关,灯不亮。用试电笔接触c点氖管不发光,接触d点氖管发光。已知该电路有两处故障,则下列判断正确的是()A.ac间断路,bd间断路B.ac间断路,eb间断路C.ac间断路,cd间短路D.eb间断路,cd间短路第3页共4页9.如图是某同学家中的部分电路,开始时各部分工作正常,将电饭煲的插头插入电源的三孔插座后,正在烧水的电热壶突然不能工作,但电灯仍正常发光,拔出电饭煲的插头,电热壶仍不能工作,把测电笔分别插入插座的左、右孔,氖管均能发光。则可以判断出电路的故障是()A.电热壶所在电路的B、D两点间短路B.电路的A、B两点间导线断路C.电路的C、D两点间导线断路D.插座的接地线断路10.如图所示,是电路工作时可能会出现的一种情形,我们把它称为________;如果在家庭电路中出现这种情形,将会导致的后果是_____________________(填写出一种即可)。11.晚上小明在家复习功课,准备迎接中考,突然他房间的电灯不亮了,而其他房间的电灯正常亮。(1)他确定这盏电灯与其他房间的电灯是____联,经检查...

1、当您付费下载文档后,您只拥有了使用权限,并不意味着购买了版权,文档只能用于自身使用,不得用于其他商业用途(如 [转卖]进行直接盈利或[编辑后售卖]进行间接盈利)。
2、本站所有内容均由合作方或网友上传,本站不对文档的完整性、权威性及其观点立场正确性做任何保证或承诺!文档内容仅供研究参考,付费前请自行鉴别。
3、如文档内容存在违规,或者侵犯商业秘密、侵犯著作权等,请点击“违规举报”。

碎片内容

九年级物理:家庭电路中的故障及判断专题概述及检测题

爱的疯狂+ 关注
实名认证
内容提供者

该用户很懒,什么也没介绍

确认删除?
VIP
微信客服
  • 扫码咨询
会员Q群
  • 会员专属群点击这里加入QQ群
客服邮箱
回到顶部