电脑桌面
添加小米粒文库到电脑桌面
安装后可以在桌面快捷访问

山东省莱芜市九年级物理下学期模拟试卷(三)试卷VIP免费

山东省莱芜市九年级物理下学期模拟试卷(三)试卷_第1页
1/23
山东省莱芜市九年级物理下学期模拟试卷(三)试卷_第2页
2/23
山东省莱芜市九年级物理下学期模拟试卷(三)试卷_第3页
3/23
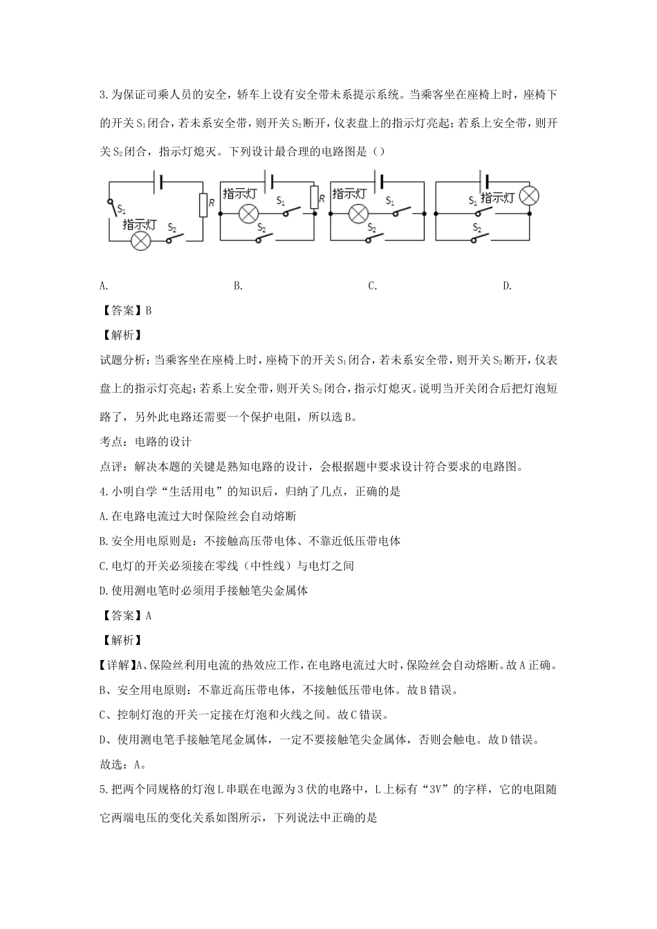
2019年山东省莱芜市中考物理模拟试卷(三)一、单选题1.以下事例中,不能说明声波传递能量的有A.利用超声波使液体产生激烈的振动,用来清洗钟表、眼镜等B.外科医生利用超声波击碎人体内的结石C.利用超声波将药物击碎后与空气混合形成“药雾”D.根据隆隆的雷声,我们可以判断出大雨将至【答案】D【解析】【分析】声波可以传递信息,是指告诉我们什么,也就是传递了信息,如教师讲课,告诉我们知识;声波可以传递能量是指可以改变什么,也就是传递了能量,如超声波洁牙、超声波碎石等.【详解】A.利用超声波使液体产生激烈的振动,用来清洗钟表、眼镜等,说明声波传递能量;B.外科医生利用超声波击碎人体内的结石,说明声波传递能量;C.利用超声波将药物击碎后与空气混合形成“药雾”,说明声波传递能量;D.根据隆隆的雷声,我们可以判断出大雨将至,说明声波能传递信息。故选D.2.下列现象中属于光的色散现象的是()A.透过树丛的光束B.平面镜中蜡烛的像C.用鱼叉叉水中的鱼D.透过三棱镜的太阳光【答案】D【解析】A.透过树丛的光束说明光是沿直线传播的,故与题意不符;B.平面镜中蜡烛的像,属于平面镜成像,是由于光的反射形成的,故与题意不符。C.从水中鱼上反射的光从水中斜射入空气中时,发生折射,折射光线远离法线,当人逆着折射光线的方向看时,看到的鱼的虚像,比实际位置偏高,所以用鱼叉叉水中的鱼时应向下查,故与题意不符;D.当太阳光经过三棱镜后,会分解成红、橙、黄、绿、蓝、靛、紫七种单色光,这是光的色散现象,符合题意。故选D.3.为保证司乘人员的安全,轿车上设有安全带未系提示系统。当乘客坐在座椅上时,座椅下的开关S1闭合,若未系安全带,则开关S2断开,仪表盘上的指示灯亮起;若系上安全带,则开关S2闭合,指示灯熄灭。下列设计最合理的电路图是()A.B.C.D.【答案】B【解析】试题分析:当乘客坐在座椅上时,座椅下的开关S1闭合,若未系安全带,则开关S2断开,仪表盘上的指示灯亮起;若系上安全带,则开关S2闭合,指示灯熄灭。说明当开关闭合后把灯泡短路了,另外此电路还需要一个保护电阻,所以选B。考点:电路的设计点评:解决本题的关键是熟知电路的设计,会根据题中要求设计符合要求的电路图。4.小明自学“生活用电”的知识后,归纳了几点,正确的是A.在电路电流过大时保险丝会自动熔断B.安全用电原则是:不接触高压带电体、不靠近低压带电体C.电灯的开关必须接在零线(中性线)与电灯之间D.使用测电笔时必须用手接触笔尖金属体【答案】A【解析】【详解】A、保险丝利用电流的热效应工作,在电路电流过大时,保险丝会自动熔断。故A正确。B、安全用电原则:不靠近高压带电体,不接触低压带电体。故B错误。C、控制灯泡的开关一定接在灯泡和火线之间。故C错误。D、使用测电笔手接触笔尾金属体,一定不要接触笔尖金属体,否则会触电。故D错误。故选:A。5.把两个同规格的灯泡L串联在电源为3伏的电路中,L上标有“3V”的字样,它的电阻随它两端电压的变化关系如图所示,下列说法中正确的是A.灯泡L的额定电流是0.2AB.灯泡L此时的电阻是8ΩC.灯泡L此时能正常发光D.灯丝的电阻随电压的增大而减小【答案】B【解析】A.灯泡L正常发光时,灯泡两端的电压U3V,由图可知,此时灯泡的电阻R11Ω左右,灯泡L的额定电流:I≈0.27A,故A错误;B.两个同规格的灯泡L串联在电源为3伏的电路中,每个灯泡两端的电压为1.5V,由图可知,此时灯泡的电阻为8Ω,故B正确;C.灯泡的额定电压为3V,此时灯泡两端的电压为1.5V,灯泡L此时不能正常发光,故C错误;D.由曲线图可知,小灯泡的电阻随电压的增大而增大,故D错误。6.在图中,a、b电表表示A.a是安培表,b是伏特表B.a是伏特表,b是安培表C.a、b都是安培表D.a、b都是伏特表【答案】B【解析】a与电阻并联,故是电压表,b表串联使用,故是电流表.故选B.7.波士顿大学的科学家设计了一种“波浪能量采集船”,如图所示,在船的两侧装有可触及水面的“工作臂”,“工作臂”的底端装有手掌状的、紧贴水面的浮标。当波浪使浮标上下浮动时,工作臂就前后移动,完成能量的采集,并把它们储存到船上的大容量电池中。图中能反映“波浪能量采集船”...

1、当您付费下载文档后,您只拥有了使用权限,并不意味着购买了版权,文档只能用于自身使用,不得用于其他商业用途(如 [转卖]进行直接盈利或[编辑后售卖]进行间接盈利)。
2、本站所有内容均由合作方或网友上传,本站不对文档的完整性、权威性及其观点立场正确性做任何保证或承诺!文档内容仅供研究参考,付费前请自行鉴别。
3、如文档内容存在违规,或者侵犯商业秘密、侵犯著作权等,请点击“违规举报”。

碎片内容

山东省莱芜市九年级物理下学期模拟试卷(三)试卷

您可能关注的文档

海博书城+ 关注
实名认证
内容提供者

从事历史教学,热爱教育,高度负责。

确认删除?
VIP
微信客服
  • 扫码咨询
会员Q群
  • 会员专属群点击这里加入QQ群
客服邮箱
回到顶部