电脑桌面
添加小米粒文库到电脑桌面
安装后可以在桌面快捷访问

互换性试验报告4VIP免费

互换性试验报告4_第1页
1/6
互换性试验报告4_第2页
2/6
互换性试验报告4_第3页
3/6
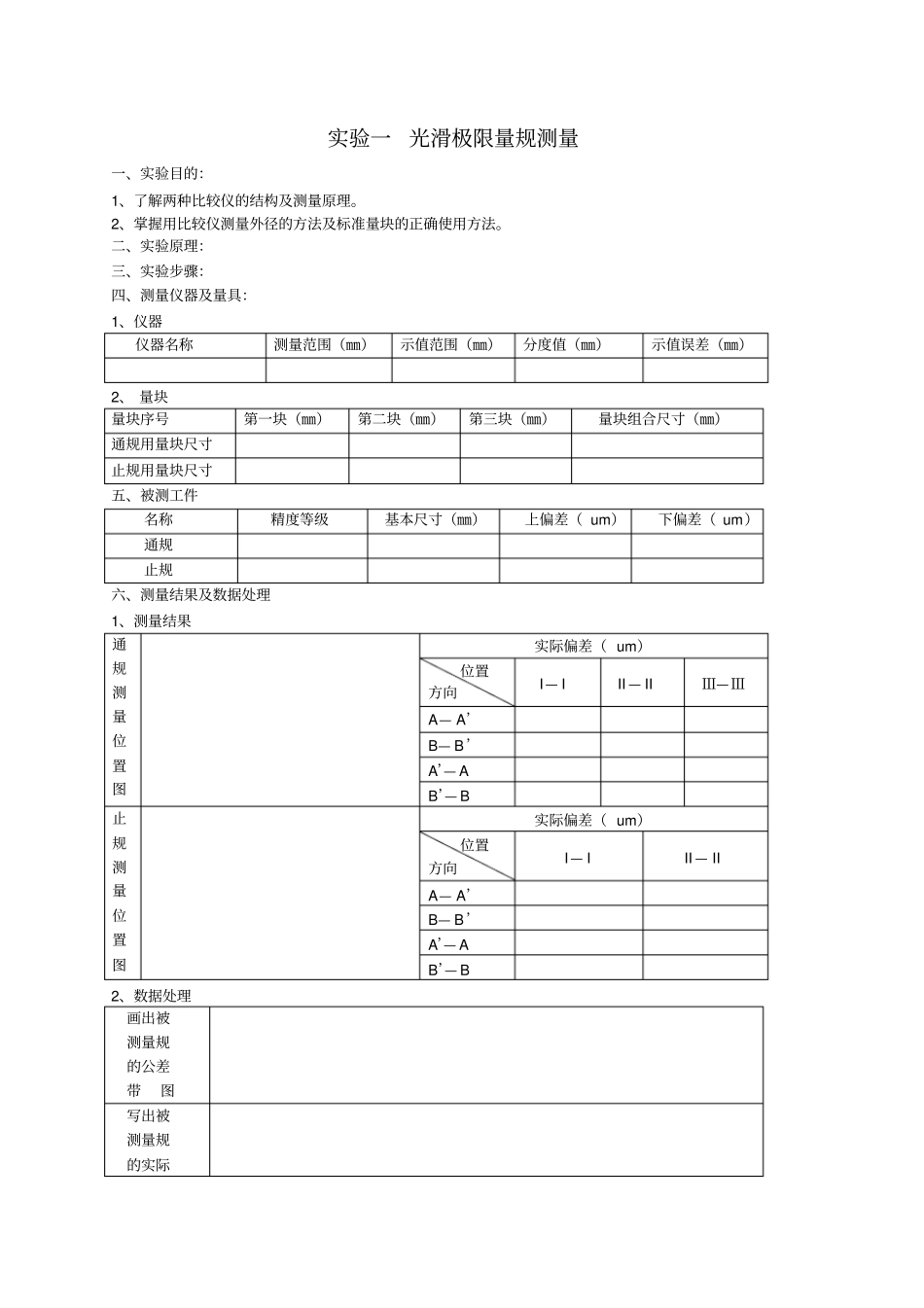
实验一光滑极限量规测量一、实验目的:1、了解两种比较仪的结构及测量原理。2、掌握用比较仪测量外径的方法及标准量块的正确使用方法。二、实验原理:三、实验步骤:四、测量仪器及量具:1、仪器仪器名称测量范围(㎜)示值范围(㎜)分度值(㎜)示值误差(㎜)2、量块量块序号第一块(㎜)第二块(㎜)第三块(㎜)量块组合尺寸(㎜)通规用量块尺寸止规用量块尺寸五、被测工件名称精度等级基本尺寸(㎜)上偏差(um)下偏差(um)通规止规六、测量结果及数据处理1、测量结果通规测量位置图实际偏差(um)位置方向I—III—IIⅢ—ⅢA—A’B—B’A’—AB’—B止规测量位置图实际偏差(um)位置方向I—III—IIA—A’B—B’A’—AB’—B2、数据处理画出被测量规的公差带图写出被测量规的实际尺寸合格性评定审批七、思考题:1、根据被测光滑极限量规的基本尺寸,怎样选择量块和研合成量块组?2、仪器的测量范围和示值范围有何不同?实验二直线度误差测量一、实验目的:1、掌握直线度误差的测量方法及数据处理方法。2、学会使用自准直仪的操作方法。二、实验原理:三、实验步骤:四、测量仪器及量具:1、量具:桥板L=100㎜2、仪器:自准直仪工作距离(m)测量范围(格)测微鼓轮分度值(um/格)五、被测工件:名称总长(mm)直线度公差值(um)六、测量结果桥板位置测点(格数)01234567891011121314读数顺测读数△i相对值△i—△1返测读数△i相对值△i—△1相对值平均值累加值(线量值)七、用作图法求直线度误差合格性结论审批八、思考题1、测量平尺直线度误差要注意那些事项?2、以本实验测量数据为例,试以首尾两端点连线法评定误差值,并对两种评定方法进行比较。实验三粗糙度参数测量第一种方法:光切法测量粗糙度参数(一)实验目的(二)实验原理(三)实验步骤(四)测量仪器名称测量范围(μm)选用物镜倍数测微鼓轮分度值(五)被测工件名称取样长度(mm)评定长度(mm)Rz值允许范围(μm)(六)测量记录及数据处理序号测点读数(格值)第一个取样长度第二个取样长度H波峰H波谷H波峰H波谷1234567891011计算Rz1和Rz2值Rz1=Rz2=计算Rz值221ZZRRRz=Rz合格性理由与结论第二种方法:针描法测量粗糙度参数(一)实验目的(二)实验原理(三)实验步骤(四)测量仪器名称测量范围(μm)RaRz(五)被测工件名称取样长度(mm)Ra值允许范围(μm)Rz值允许范围(μm)(六)测量记录及数据处理测量记录序号RaRz123平均值合格性结论与理由(七)思考题:1、为什么只测光带一边的波峰和波谷?2、光切显微镜能测Ra吗?叙述理由。3、比较光切法和针描法这两种测量方法的异同点。4、请尝试用光切显微镜测量工件表面间距特征参数Rsm(选作)。实验四用工具显微镜测量螺纹量规各参数(一)实验目的(二)实验原理:(三)实验步骤:(四)测量仪器测量范围(mm)角度目镜纵向横向分度值分度范围(度)分度值(分)(五)被测工件螺纹名称、代号中径d2(mm)螺距P(mm)牙型半角α/2(度)(六)测量记录及数据处理1测螺纹中径简图:中径测量第一次读数第二次读数中径值(mm)d2Ⅰd2Ⅱ实际d2合格性结论2测螺纹螺距简图:螺距测量第一次读数第二次读数螺距值(mm)PⅠPⅡ实际P合格性结论3测牙型半角简图:牙型半角测量第一次读数第二次读数牙型半角值α/2Ⅰα/2(1)=α/2(4)=α/2Ⅱα/2(2)=α/2(3)=牙型半角偏差值合格性结论(七)思考题1.用影象法测量螺纹时,立柱为什么要倾斜一个螺旋角ψ?2.用工具显微镜测量外螺纹的主要参数时,为什么测量结果要取平均值?3.小型(大型)工具显微镜的主要功能是什么?

1、当您付费下载文档后,您只拥有了使用权限,并不意味着购买了版权,文档只能用于自身使用,不得用于其他商业用途(如 [转卖]进行直接盈利或[编辑后售卖]进行间接盈利)。
2、本站所有内容均由合作方或网友上传,本站不对文档的完整性、权威性及其观点立场正确性做任何保证或承诺!文档内容仅供研究参考,付费前请自行鉴别。
3、如文档内容存在违规,或者侵犯商业秘密、侵犯著作权等,请点击“违规举报”。

碎片内容

互换性试验报告4

确认删除?
VIP
微信客服
  • 扫码咨询
会员Q群
  • 会员专属群点击这里加入QQ群
客服邮箱
回到顶部