电脑桌面
添加小米粒文库到电脑桌面
安装后可以在桌面快捷访问

井巷工程复习资料VIP免费

井巷工程复习资料_第1页
1/4
井巷工程复习资料_第2页
2/4
井巷工程复习资料_第3页
3/4
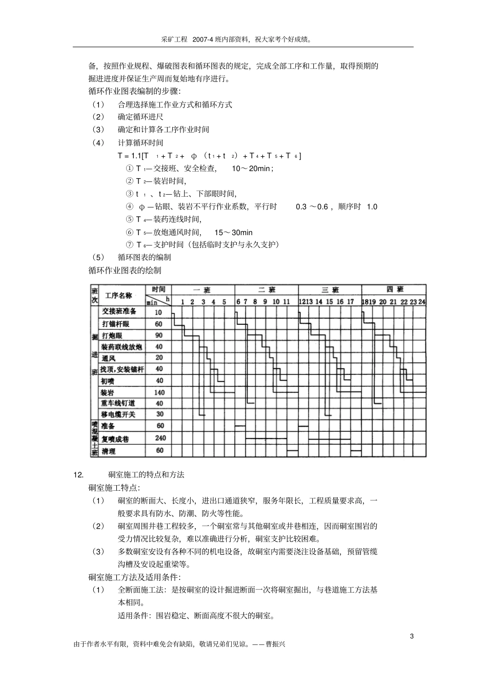
采矿工程2007-4班内部资料,祝大家考个好成绩。1由于作者水平有限,资料中难免会有缺陷,敬请兄弟们见谅。——曹振兴《井巷工程》复习资料1.坚固系数f:表示岩石破坏的相对难易程度。通常称f为普氏系数,f值可用岩石的单向抗压强度cR(MPa)除以10(MPa)求得,即10cRf。2.凿岩机以使用的动力来源不同可分为:风洞凿岩机、液压凿岩机、电动凿岩机。按其支架方式凿岩机可分为:手持式、气腿式、向上式(伸缩式)和导轨式凿岩机。按冲击频率分为:低频、中频和高频凿岩机。3.爆炸三要素(爆炸三个基本特征):反应的放热性、生成大量气体产物、化学反应和传播的快速性。4.炸药:是在一定条件下能够发生快速化学反应、放出能量、生成气体产物从而显示爆炸效应的化合物或混合物。炸药按组分划分:单质炸药、混合炸药。炸药按用途划分:起爆药、猛炸药、发射药(火药)。炸药的氧平衡:氧平衡表示炸药内含氧量与充分氧化可燃元素所需要氧量之间的关系。5.光面爆破光面爆破:根据施工图纸的要求,在巷道和地下工程掘进爆破后,成形规整,表面光滑;轮廓线外的岩石不受扰动或破坏很小,尽可能的保持围岩自身强度。这种人为控制的爆破方法,就叫光面爆破,简称“光爆”。优点:光面爆破是一种先进的、科学的爆破方法,可使掘出的巷道轮廓平整光洁,便于采用锚喷支护;围岩裂隙少,稳定性高;超挖量小。所以光面爆破是一种成本低、功效高、质量好的爆破方法。光面爆破的质量标准:(1)围岩面上留下均匀眼痕的周边眼数应不少于其总数的50%;(2)超挖尺寸不得大于150mm,欠挖量不得超过质量标准规定;(3)围岩面上不应有明显的炮震裂缝。光面爆破的施工:为保证光面爆破的良好效果,除根据岩层条件、工程要求正确选择光爆参数外,精确地钻眼是极为重要的,是保证光面爆破质量的前提。对钻眼的要求是:“平、直、齐、准”。炮眼要按照以下要求施工:(1)所有的周边眼应彼此平行,其深度一般不应比其他炮眼深。(2)各炮眼均应垂直于工作面,实际施工时,周边眼不可能完全与工作面垂直,必然有一个角度,根据炮眼深度一般此角应取3°~5°。(3)如果工作面不齐,应按实际情况调整炮眼深度和装药量,力求所有炮眼底均落在同一横断面上。(4)开眼位置要准确,偏差值不大于30mm。对于周边眼开眼位置均应位于井巷断面的轮廓线上,不允许有偏向轮廓线里面的误差。6.巷道断面设计原则与步骤:原则:在满足安全、生产和施工要求条件下,力求提高断面利用率,以取得最佳经济效果。步骤:(1)选择巷道断面形状,确定巷道净断面尺寸并进行风速验算;(2)根据支架参数和道床参数,计算出巷道的设计掘进断面尺寸,并按允许超挖求采矿工程2007-4班内部资料,祝大家考个好成绩。2由于作者水平有限,资料中难免会有缺陷,敬请兄弟们见谅。——曹振兴算巷道的计算掘进断面尺寸;(3)布置水沟和管缆;(4)绘制巷道断面施工图,编制巷道特征表和每米巷道工程量和材料消耗表。7.炮眼布置掘进工作面的炮眼,按其用途和位置可分为掏槽眼、辅助眼和周边眼三类。掏槽眼方式按照掏槽眼的方向可分为三大类:斜眼掏槽、直眼掏槽和混合式掏槽。炮眼布置方法和原则:(1)工作面各类炮眼布置是“抓两头,带中间”。即首先选择掏槽眼方式和掏槽眼位置,其次是布置好周边眼,最后根据断面大小布置崩落眼。(2)掏槽眼通常布置在断面的中央偏下,并考虑崩落眼的布置较为均匀和减少崩坏支护及其他设施的可能。(3)周边眼一般布置在巷道断面轮廓线上,顶眼和帮眼按光面爆破要求,各炮眼相互平行,眼底落在同一平面上。(4)崩落眼均匀地布置在掏槽眼和周边眼之间,以掏槽眼形成的槽腔为自由面层层进行布置。8.通风方式通风方式可以分为:压入式、抽出式、混合式三种。压入式通风的特点及优缺点:特点:局部扇风机把新鲜空气经风筒压入工作面,污浊空气沿巷道流出。新鲜风流从风筒口流入后,由于空气分子的径向运动,在风流边界上与炮烟相互掺混使得风流逐渐降低而断面逐渐扩大,风流到一定距离后就反向流出工作面。优点:有效射程大,冲淡和排除炮烟的作用比较强;工作面回风不通过扇风机,在有瓦斯涌出的工作...

1、当您付费下载文档后,您只拥有了使用权限,并不意味着购买了版权,文档只能用于自身使用,不得用于其他商业用途(如 [转卖]进行直接盈利或[编辑后售卖]进行间接盈利)。
2、本站所有内容均由合作方或网友上传,本站不对文档的完整性、权威性及其观点立场正确性做任何保证或承诺!文档内容仅供研究参考,付费前请自行鉴别。
3、如文档内容存在违规,或者侵犯商业秘密、侵犯著作权等,请点击“违规举报”。

碎片内容

井巷工程复习资料

确认删除?
VIP
微信客服
  • 扫码咨询
会员Q群
  • 会员专属群点击这里加入QQ群
客服邮箱
回到顶部