电脑桌面
添加小米粒文库到电脑桌面
安装后可以在桌面快捷访问

桥式起重机日常检查保养记录表VIP专享VIP免费

桥式起重机日常检查保养记录表_第1页
1/11
桥式起重机日常检查保养记录表_第2页
2/11
桥式起重机日常检查保养记录表_第3页
3/11
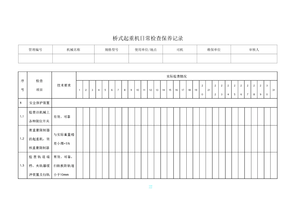
页脚内容桥式起重机日常检查保养记录管理编号机械名称规格型号使用单位/地点司机维保单位审核人页脚内容板2金属构件2.1检查门架各钢结构及焊缝无变形,焊缝无裂纹2.2检查运动构件的防护罩及栏杆松动时对其紧固2.3检查支腿上平台和主梁平台连接螺栓情况发现异常及时处理3吊具3.1查看吊钩表面光洁、无毛刺及裂纹或塑性变形3.2检查吊钩转动情况转动灵活页脚内容3.3紧固吊钩两侧锁紧螺母如有松动,对其进行紧固页脚内容4钢丝绳4.1检查钢丝绳不得有笼状、断丝、弯折等4.2检查钢丝绳润滑情况钢丝绳表面无锈蚀,否则均匀涂抹润滑脂4.3紧固钢丝绳两端的压板和钢丝绳卡子无松动(小钩、大钩、行走小车、电缆盘等)5滑轮及卷筒5.1检查滑轮及滑轮组运转灵活,无异常响声,滑轮外观无裂纹、缺口,防护装置无异常5.2检查卷筒转动情况转动灵活、无异常响声页脚内容6制动装置页脚内容6.1检查制动轮表面光洁、干燥不得有裂纹6.2检查制动器上摩擦垫片制动轮与制动垫片接触均匀,制动块开度不超过1mm,摩擦垫片厚度不小于原厚度50%6.3润滑各转动铰点对各转动铰点加20号机械油6.4检查制动器上弹簧无裂纹、否则更换6.5检查推杆制动器的油位达不到标准油位时加油7联轴器7.1检查联轴器螺栓无松动、页脚内容胶圈磨损严重应更换8机械转动8.1检查机械转动部位运转平稳、无异响8.2紧固电机和减速机并检查减速机油位机构不得松动和跳动;减速机油位不足时添加8.3查看开式齿轮无断齿、尖齿及大面积点蚀8.4检查钢轨上的行走轮(啃轨)轮缘不得变形,踏面磨损正常无裂纹9润滑页脚内容9.1按照润滑点图表对所有油嘴加注润滑脂加注润滑脂,润滑良好页脚内容10电气系统10.检查导线电缆,电缆绞盘及电缆卷筒上导电环和碳刷磨损情况不得破损、腐蚀、拉伤,碳刷接触均匀,否则应进行处理或更换10.清理各控制柜中电气元件上的尘土干净、触头接触良好10.紧固各控制柜中电气元件端子的螺栓牢固不得松动11地基及轨道11.1检查地基不得有塌陷及坑凹不平现象11.检查钢轨、支腿钢轨直线度,任意2mm不小于1.5mm,页脚内容页脚内容

1、当您付费下载文档后,您只拥有了使用权限,并不意味着购买了版权,文档只能用于自身使用,不得用于其他商业用途(如 [转卖]进行直接盈利或[编辑后售卖]进行间接盈利)。
2、本站所有内容均由合作方或网友上传,本站不对文档的完整性、权威性及其观点立场正确性做任何保证或承诺!文档内容仅供研究参考,付费前请自行鉴别。
3、如文档内容存在违规,或者侵犯商业秘密、侵犯著作权等,请点击“违规举报”。

碎片内容

桥式起重机日常检查保养记录表

确认删除?
VIP
微信客服
  • 扫码咨询
会员Q群
  • 会员专属群点击这里加入QQ群
客服邮箱
回到顶部