电脑桌面
添加小米粒文库到电脑桌面
安装后可以在桌面快捷访问

人教版九年级物理全册重庆万州区万州中学上学期期中考试试题VIP免费

人教版九年级物理全册重庆万州区万州中学上学期期中考试试题_第1页
1/7
人教版九年级物理全册重庆万州区万州中学上学期期中考试试题_第2页
2/7
人教版九年级物理全册重庆万州区万州中学上学期期中考试试题_第3页
3/7
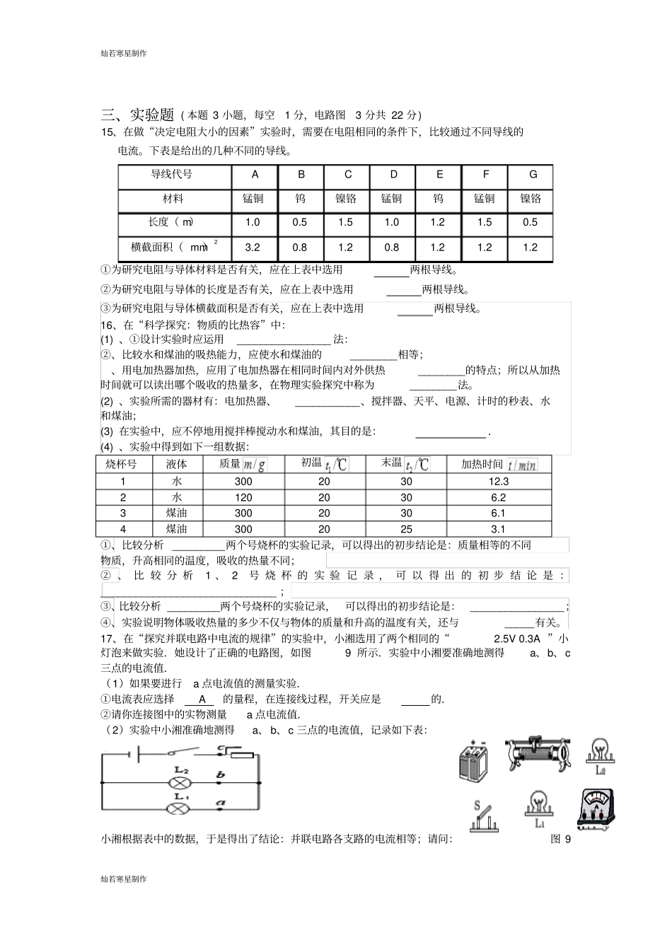
灿若寒星制作灿若寒星制作班级:姓名:考室:考号:-----------------------------------------------------密----------------------------封---------------------------线-----------------------------------------------------------(答题不能超出密封装订线)万州中学2014-2015学年度九年级(上)期中考试物理试卷一、单项选择题(本题8小题,每小题3分,共24分)1、以下说法符合事实的是()A.洗澡水的温度约为85℃B.家用冰箱正常工作时的电流约为15AC.对人体的安全电压是36VD.冰块在-1℃时可能会熔化。2、如图1所示是当今流行的环保驱蚊用品——电热液体蚊香器.蚊香器通电后其内部的发热部件对驱蚊液加热,过一会儿,可见其顶部有“白气”飘出,房间里弥漫着驱蚊液的清香,起到驱蚊和灭蚊的作用.下列说法正确的是()A.蚊香器工作时是将内能转化为电能B.房间里清香四溢说明分子间存在相互作用力C.“白气”是驱蚊液先汽化后液化产生的D.“白气”是驱蚊液先液化后汽化产生的图13、如图2所示,电路连接正确的是()4、图3为某一天中央电视台天气预报的截图。图中显示的四个地方,内陆地区的温差比沿海地区的温差大,造成这种差别的主要原因是()A.水的温度比泥土、砂石的温度低B.水的内能比泥土、砂石的内能大C.水的密度比泥土、砂石的密度小D.水的比热容比泥土、砂石的比热容大5、如图4所示,当开关S闭合后,下列说法正确的是()A.灯L1与灯L2是串联,且灯L1被短路B.电流表A1测的是灯L1的电流C.电流表A2测的是灯L2的电流D.电压表不能测出灯L1两端的电压6、关于温度、比热容、热量、内能,以下说法正确的是()A.一块0℃的冰没有内能,它的分子不会运动图4图3图2灿若寒星制作灿若寒星制作B.一个物体吸收了热量,它的温度一定会升高C.一个物体温度升高了,它的内能一定增加D.用水作为汽车发动机散热器的冷却剂,其主要原因是水的比热容较小7、如图5所示的电蚊拍,具有灭蚊和照明等功能.当开关S1闭合,S2断开时,只有灭蚊网通电起到灭蚊作用;当开关S1和S2都闭合时,灭蚊网与灯都通电同时起到灭蚊和照明的作用.下列电路设计符合这种要求的是()ABCD8、教室内的气温为25℃,小江同学在温度计的玻璃泡上涂抹少量与室温相同的酒精,图6中能比较正确地反映温度计示数随时间变化的图象是()图6二、填空题(每空1分,共12分)9、在干燥的毛皮与橡胶棒摩擦后毛皮带的电荷是_______电荷。10、白炽灯长期使用后,钨丝会变细,这是一种现象,变细后的钨丝与原来相比电阻(选填“变大”“不变”或“变小”)11、许多同学喜欢吃烤肉串,用炭火烤肉的过程是利用的方式增加肉的内能的,木炭燃烧的能量转化过程是。但科学表明,经常吃烧烤食品有害建康。12、如图7所示为旋转式变阻器的结构图,a、b、c为变阻器的三个接线柱,d为旋钮触片。将该变阻器接入电路中调节灯泡的亮度,当逆时针旋转触片d时,灯泡变暗,则应连接接线柱(选填“a、b”、“b、c”或“a、c”)和灯泡联后接入电路中。这种变阻器是通过改变来改变连入电路的电阻的。13、小明按图8甲所示的电路进行实验,当闭合开关用电器正常工作时,电压表V1和V2的指针位置完全一样,如图8乙所示,则L1两端的电压为V,电源电压为V。14、在“物理教学中STS教育与课外科技活动”学术报告会上,陕西师大的刘教授做了一个有趣的实验:他站在从宾馆房间带来的一次性塑料拖鞋上,手上捏着一个带绝缘柄的圆形铜拍,同放在椅子上的毛皮摩擦后就立即拍一下自己的胸部,反复几次后,他的花白头发根根竖起,像“怒发冲冠”似的,顿时会场上响起了热烈的掌声。在上述描述中的哪些物理现象涉及到什么相应的物理电学知识例如:现象:一次性塑料拖鞋,物理知识:塑料是绝缘体。(不得和示例相同)现象:_________________,物理知识:______________________。图5图7图825℃温度℃温度℃温度℃温度℃时间S时间S时间S25℃25℃25℃时间S灿若寒星制作灿若寒星制作三、实验题(本题3小题,每空1分,电路图3分共22分)15、在做“决定电阻大小的因素”实验时,需要在电阻相同的条件下,比较通过不同导线的电流。下表是给出的几种不同的导线。导线代...

1、当您付费下载文档后,您只拥有了使用权限,并不意味着购买了版权,文档只能用于自身使用,不得用于其他商业用途(如 [转卖]进行直接盈利或[编辑后售卖]进行间接盈利)。
2、本站所有内容均由合作方或网友上传,本站不对文档的完整性、权威性及其观点立场正确性做任何保证或承诺!文档内容仅供研究参考,付费前请自行鉴别。
3、如文档内容存在违规,或者侵犯商业秘密、侵犯著作权等,请点击“违规举报”。

碎片内容

人教版九年级物理全册重庆万州区万州中学上学期期中考试试题

爱的疯狂+ 关注
实名认证
内容提供者

该用户很懒,什么也没介绍

相关文档

确认删除?
VIP
微信客服
  • 扫码咨询
会员Q群
  • 会员专属群点击这里加入QQ群
客服邮箱
回到顶部