电脑桌面
添加小米粒文库到电脑桌面
安装后可以在桌面快捷访问

人教版九年级物理第十六章电压电阻中考典题补充VIP免费

人教版九年级物理第十六章电压电阻中考典题补充_第1页
1/5
人教版九年级物理第十六章电压电阻中考典题补充_第2页
2/5
人教版九年级物理第十六章电压电阻中考典题补充_第3页
3/5
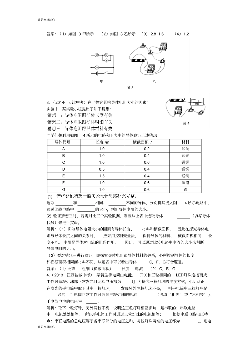
灿若寒星制作灿若寒星制作第十六章电压电阻中考典题补充1.(2014·山东济宁中考)小梦将定值电阻与滑动变阻器接入电压为U的电路中,如图1所示,闭合开关S,当滑动变阻器的滑片由某位置调到另一位置时,上的电压变化Δ=,滑动变阻器上的电压变化Δ。关于Δ与Δ的大小比较,下列判断正确的是()A.ΔΔB.ΔΔC.ΔΔD.无法比较解析:从题图中可以看出,电阻和串联,所以电阻和两端的电压之和等于电源电压,电源电压不变,所以电阻和两端的电压之和不变,两端的电压增大(或减小)多少,两端的电压就减小(或增大)多少,故答案为B。答案:B2.(2014·山东东营中考)在探究“串联电路中用电器两端的电压与电源两端电压的关系”时,小明同学想用图2甲中的器材组成电路,其中一个电压表测量电源两端的电压,一个电压表测量某一个灯泡两端的电压。请你帮助他完成下述工作(电源电压不超过3V):(1)在方框内画出电路图。(2)用笔画线表示导线,将实物图(图2甲)连成实验电路。(3)正确操作后,测量电源两端电压和灯泡两端电压的两电压表示数分别如图2乙、丙所示,则电源两端的电压为V,被直接测量的灯泡两端的电压为V。(4)根据串联电路中用电器两端的电压与电源两端电压的关系得:另一个灯泡两端的电压为V。解析:(1)根据题意,画电路图时,一个电压表应和电源并联,另一个与灯泡并联。(2)连接实物时,要和电路图一一对应,要让电流从电压表正接线柱流入,从负接线柱流出,图中电源只有两节干电池,所以电压表用0~3V量程即可。(3)电压表读数时应首先观察电压表的量程,本题中两表都用的是0~3V量程,又电源电压应大于一个灯泡两端的电压,所以电源电压为2.8V,被直接测量的灯泡两端的电压为1.6V。(4)由串联电路中电压关系得。图1甲乙丙图2灿若寒星制作灿若寒星制作答案:(1)如图3甲所示(2)如图3乙所示(3)2.81.6(4)1.23.(2014·天津中考)在“探究影响导体电阻大小的因素”实验中,某实验小组提出了如下猜想:同学们想利用如图4所示的电路和下表中的导体验证上述猜想。导体代号长度/m横截面积/材料A1.00.2锰铜B1.00.4锰铜C1.00.6锰铜D0.50.4锰铜E1.50.4锰铜F1.00.6镍铬G1.00.6铁(1)选取和相同、不同的导体,分别将其接入图4所示电路中,通过比较电路中的大小,判断导体电阻的大小。(2)验证猜想三时,若需对比三个实验数据,则应从上表中选取导体(填写导体代号)来进行实验。解析:(1)影响导体电阻大小的因素有导体长度、材料和横截面积,因此在探究导体电阻与导体长度之间的关系时,应采用控制变量法,保持导体的材料、横截面积相同,长度不同。电阻是导体对电流的阻碍作用,因此,可以通过比较电路中电流的大小来判断导体电阻的大小。(2)要对猜想三进行验证,即探究导体电阻跟导体材料的关系,必须控制导体的长度和横截面积相同而材料不同,从题表中可以看出导体C、F、G符合题意。答案:(1)材料粗细(横截面积)长度电流(2)C、F、G4.(2013·江苏盐城中考)某新型手电筒由电池、开关和三粒相同的LED灯珠连接而成,工作时每粒灯珠都正常发光且两端电压都为U。为探究三粒灯珠的连接方式,小明从正在发光的手电筒中取下其中一粒灯珠,发现另外两粒灯珠不亮,则手电筒中三粒灯珠是联的,手电筒正常工作时通过三粒灯珠的电流(选填“相等”或“不相等”),手电筒电池的电压为。解析:取下一粒灯珠,另外两粒不亮,说明这三粒灯珠相互影响,是串联的;串联电路中,电流处处相等,所以手电筒工作时通过三粒灯珠的电流相等;根据串联电路电压特点:串联电路的总电压等于各串联部分的电压之和,每粒灯珠两端的电压都为U,则电甲乙图3图4灿若寒星制作灿若寒星制作源电压为3U。答案:串相等3U5.(2013·广东湛江中考)小明同学对串联电路电压规律进行了探究:【猜想与假设】串联电路总电压等于各用电器两端的电压之和。【设计与进行实验】(1)按图5所示的电路图连接电路。(2)闭合开关,排除故障,用电压表测出两端的电压。(3)在测两端的电压时,小明为了节省时间,采用以下方法:电压表所接的B接点不动,只断开A接点,并改接到C接点上。(4)测出AC间的电压,...

1、当您付费下载文档后,您只拥有了使用权限,并不意味着购买了版权,文档只能用于自身使用,不得用于其他商业用途(如 [转卖]进行直接盈利或[编辑后售卖]进行间接盈利)。
2、本站所有内容均由合作方或网友上传,本站不对文档的完整性、权威性及其观点立场正确性做任何保证或承诺!文档内容仅供研究参考,付费前请自行鉴别。
3、如文档内容存在违规,或者侵犯商业秘密、侵犯著作权等,请点击“违规举报”。

碎片内容

人教版九年级物理第十六章电压电阻中考典题补充

爱的疯狂+ 关注
实名认证
内容提供者

该用户很懒,什么也没介绍

确认删除?
VIP
微信客服
  • 扫码咨询
会员Q群
  • 会员专属群点击这里加入QQ群
客服邮箱
回到顶部