电脑桌面
添加小米粒文库到电脑桌面
安装后可以在桌面快捷访问

房地产价格制定原则VIP专享VIP免费

房地产价格制定原则_第1页
1/14
房地产价格制定原则_第2页
2/14
房地产价格制定原则_第3页
3/14
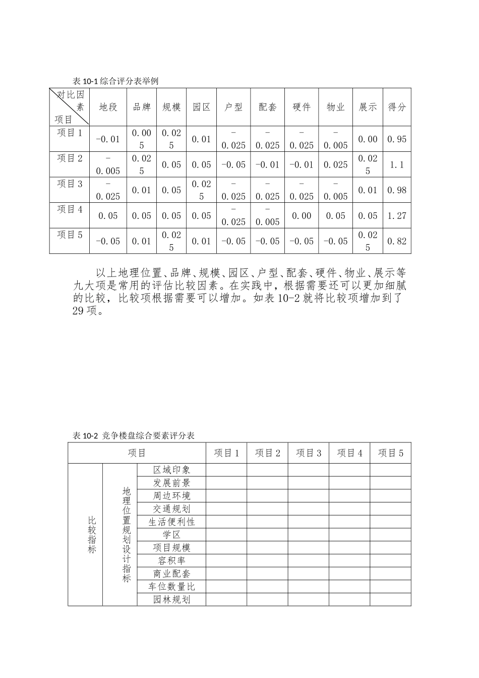
价格制定工具比较评分表、爬楼打分表、综合调差表案例万科第五园、上海星河湾、沈阳丽都新城在房地产销售过程中,价格制定是一个非常关键的问题。项目的畅销与滞销跟价格的关系最大,所有滞销项目中,可以说90%以上在价格制定方面都存在或大或小的问题。从价格表的制作中,很容易就可以看出一个操盘人员的专业功底以及操盘思路。价格制定主要包括两大课题:一是项目核心均价形成,一是价格制作。上篇核心均价形成项目的均价定位是一个关键并且棘手的问题,价格定高了市场无法接受,价格定低了开发商又损失利润。一般来说,在制定均价时,首先得确定定价目标和定价依据,然后根据目标和依据确定定价方法和策略。定价目标“目标”是制定均价时首先需要考虑的因素,目标不同,定价的方法和策略也会不一样。菲利普·科特勒在《营销管理》一书中指出企业定价的五种不同目标:获取利润、扩大销售、市场占有、改善形象、应对竞争。如公司目标不是现金流而是最大利润,这时的定价可能就远远高于片区的平台价格,如上海的“汤臣一品”;如项目是位于郊区的大盘,公司目标是快速启动市场、扩大销售,也有可能在启动区低价入市,等市场形成气候,然后再调高价格;如跨区域品牌公司初次进入外地市场,考虑以强悍攻势推动市场洗牌,抢占市场份额,也可以低价入市;如公司品牌战略本来就是强悍的造城模式,大规模推出物美价廉的产品,也可以选择低价入市,比如碧桂园。上述几种情况下,项目的定价不但低于竞争对手价格,甚至有可能低于成本价格。定价依据和方法就房地产项目来说,定价依据主要有成本、供求关系和竞争状况三种,从这三种不同的依据出发,有三种不同的定价方法:成本导向定价法、需求导向定价法和竞争导向定价法。“成本导向定价法”较为简单,即测算出项目开发成本再加上一定比例的利润,得出价格。如开发成本为4500元/米²,利润为25%,则定价为4500元/米²×(1+25%)=5625元/米²。“需求导向定价法”在房地产营销中应用得不多,在《营销管理》一书提到的三种方法中,房地产行业一般只采用“认知价值定价法”。这种定价方法主要适用于某些创新型产品,消费者对此缺乏比较的对象,操盘者就可以产品质量、服务、广告宣传等来影响消费者,使他们对产品有一个高的价值认知,然后定价。如深圳波托菲诺的独栋别墅产品,市场基本没有竞争,其采取“单独定价”策略,一套定价6000万元;万科“第五园”的合院Townhouse产品在2005年的深圳市场无同类产品,这类产品的定价也采取“认识价值定价法”,以上游可替代产品(如中信红树湾的大平面单位,总价230万-250万元)为其价格的高限,合院Townhouse的面积为180-200米²,则定价为1.15万-1.25万元/米²。“竞争导向定价法”目前应用最为广泛,而其中用得最多的又属“竞争价格定价法”。下面我们就着重介绍一下“竞争价格定价法”的步骤。1、初步估算项目价格初步估算价格是几乎所有开发企业都会进行的事情,很多时候,这种估算很粗略,也许是决策者头脑中的一个期望价格,业内甚至有这样的说法:“均价都是拍脑袋定出来的”。“拍脑袋”不要紧,关键是之后的论证很重要。2、筛选可比楼盘筛选标准主要有:产品结构相似,区域接近,目标客户相似,销售期重合。在这四个标准中,又以区域标准较为重要。一般的做法是以项目为圆心,半径为2000米的范围,重点选择6-8个比较楼盘;然后将竞争产品价格与企业估算价格进行比较,分为高于、低于、一致三个层次。3、比较评分以消费者普遍关注的项目素质作为本项目与竞争对手的对比评估因素。根据各项目的评估因素与本项目相比的优劣程度赋予其不同的评估系数,分别为0.05(对比最大)、0.025(对比较大)、0.01(对比较少)、0.005(对比最少);设本项目基准分为1.0分,竞争项目比本项目好的因素按评估系数加分,差的减分,相等为0。基准分1.0加上各项评估因素与本项目对比后的得分,即为该竞争项目得分。在对比评分的时候,为了尽量避免评分人的主观性,必需的做法是将竞争项目的各评估因素进行排序,每项排序里面一定得有最高分和最低分。如果最高分为本项目,则一定得有最低分-0.05;如果最低分为本...

1、当您付费下载文档后,您只拥有了使用权限,并不意味着购买了版权,文档只能用于自身使用,不得用于其他商业用途(如 [转卖]进行直接盈利或[编辑后售卖]进行间接盈利)。
2、本站所有内容均由合作方或网友上传,本站不对文档的完整性、权威性及其观点立场正确性做任何保证或承诺!文档内容仅供研究参考,付费前请自行鉴别。
3、如文档内容存在违规,或者侵犯商业秘密、侵犯著作权等,请点击“违规举报”。

碎片内容

房地产价格制定原则

确认删除?
VIP
微信客服
  • 扫码咨询
会员Q群
  • 会员专属群点击这里加入QQ群
客服邮箱
回到顶部