电脑桌面
添加小米粒文库到电脑桌面
安装后可以在桌面快捷访问

应知卡 应告卡 承诺卡VIP免费

应知卡 应告卡 承诺卡_第1页
1/20
应知卡 应告卡 承诺卡_第2页
2/20
应知卡 应告卡 承诺卡_第3页
3/20
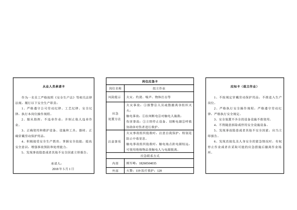
主要负责人承诺卡作为公司第一安全生产责任人,严格按照《安全生产法》和《江苏省安全生产条例》等相关法律法规,履行以下安全职责:1、建立、健全本单位安全生产责任制。2、组织制定本单位安全生产规章制度和操作规程。3、保证本单位安全生产投入的有效实施。4、督促、检查本单位的安全生产工作,及时消除生产安全事故隐患。5、督促、检查本单位的安全生产工作,及时消除生产安全事故隐患。6、组织制定并实施本单位的生产安全事故应急救援预案。7、及时、如实报告生产安全事故。8、每季度至少组织一次安全生产全面检查,研究分析安全生产存在问题。每年至少组织并参与一次事故应急救援演练。9、发生事故时迅速组织抢救,并及时、如实向负有安全生产监督管理职责的部门报告事故情况,做好善后处理工作,配合调查处理。10、每年向职工大会报告安全生产工作和个人履行安全生产管理职责的情况,接受工会、从业人员对安全生产工作的监督。主要负责人承诺卡作为公司第一安全生产责任人,严格按照《安全生产法》和《江苏省安全生产条例》等相关法律法规,履行以下安全职责:1、建立、健全本单位安全生产责任制。2、组织制定本单位安全生产规章制度和操作规程。3、保证本单位安全生产投入的有效实施。4、督促、检查本单位的安全生产工作,及时消除生产安全事故隐患。5、督促、检查本单位的安全生产工作,及时消除生产安全事故隐患。6、组织制定并实施本单位的生产安全事故应急救援预案。7、及时、如实报告生产安全事故。8、每季度至少组织一次安全生产全面检查,研究分析安全生产存在问题。每年至少组织并参与一次事故应急救援演练。9、发生事故时迅速组织抢救,并及时、如实向负有安全生产监督管理职责的部门报告事故情况,做好善后处理工作,配合调查处理。10、每年向职工大会报告安全生产工作和个人履行安全生产管理职责的情况,接受工会、从业人员对安全生产工作的监督。承诺人:主要负责人承诺卡作为公司第一安全生产责任人,严格按照《安全生产法》和《江苏省安全生产条例》等相关法律法规,履行以下安全职责:1、建立、健全本单位安全生产责任制。2、组织制定本单位安全生产规章制度和操作规程。3、保证本单位安全生产投入的有效实施。4、督促、检查本单位的安全生产工作,及时消除生产安全事故隐患。5、督促、检查本单位的安全生产工作,及时消除生产安全事故隐患。6、组织制定并实施本单位的生产安全事故应急救援预案。7、及时、如实报告生产安全事故。8、每季度至少组织一次安全生产全面检查,研究分析安全生产存在问题。每年至少组织并参与一次事故应急救援演练。9、发生事故时迅速组织抢救,并及时、如实向负有安全生产监督管理职责的部门报告事故情况,做好善后处理工作,配合调查处理。10、每年向职工大会报告安全生产工作和个人履行安全生产管理职责的情况,接受工会、从业人员对安全生产工作的监督。承诺人:2018年5月1日2018年5月1日承诺人:2018年5月1日从业人员承诺卡作为一名员工严格按照《安全生产法》等相关法律法规,履行以下安全生产职责:1、严格遵守公司劳动纪律、工艺纪律、安全纪律,执行本岗位操作规程。2、服从指挥,不违章作业,并制止他人违章作业。3、正确使用和维护设备、设施和工具、器材。正确穿戴劳动保护用品。4、积极接受安全生产教育,掌握安全技能,提高安全意识,增强事故预防和处理能力。5、发现事故隐患或者其他不安全因素立即报告。承诺人:2018年5月1日岗位应急卡应知卡(火焰切割作业)1、不按规定穿戴劳动保护用品,不准进入生产岗位。2、严格执行安全操作规程,严格遵守劳动纪律,严格执行安全规定。3、安全装置不齐全的设备设施不准使用。4、不得随意拆除或停用安全设施设备。5、发现事故隐患或者其他不安全因素,应当立即报告。6、发现直接危及人身安全的紧急情况时,有权停止作业或者在采取可能的应急措施后撤离作业场所。岗位名称火焰切割作业风险提示火灾、爆炸、灼烫、噪声、物体打击等应急处置方法火灾事故:①报警②人员疏散撤离组织灭火;触电事故:①拉闸断电②对触电人施救;伤害事故:①立即停止设备、切断电源②呼救协助...

1、当您付费下载文档后,您只拥有了使用权限,并不意味着购买了版权,文档只能用于自身使用,不得用于其他商业用途(如 [转卖]进行直接盈利或[编辑后售卖]进行间接盈利)。
2、本站所有内容均由合作方或网友上传,本站不对文档的完整性、权威性及其观点立场正确性做任何保证或承诺!文档内容仅供研究参考,付费前请自行鉴别。
3、如文档内容存在违规,或者侵犯商业秘密、侵犯著作权等,请点击“违规举报”。

碎片内容

应知卡 应告卡 承诺卡

您可能关注的文档

确认删除?
VIP
微信客服
  • 扫码咨询
会员Q群
  • 会员专属群点击这里加入QQ群
客服邮箱
回到顶部