电脑桌面
添加小米粒文库到电脑桌面
安装后可以在桌面快捷访问

机械能转化演示实验VIP免费

机械能转化演示实验_第1页
1/7
机械能转化演示实验_第2页
2/7
机械能转化演示实验_第3页
3/7
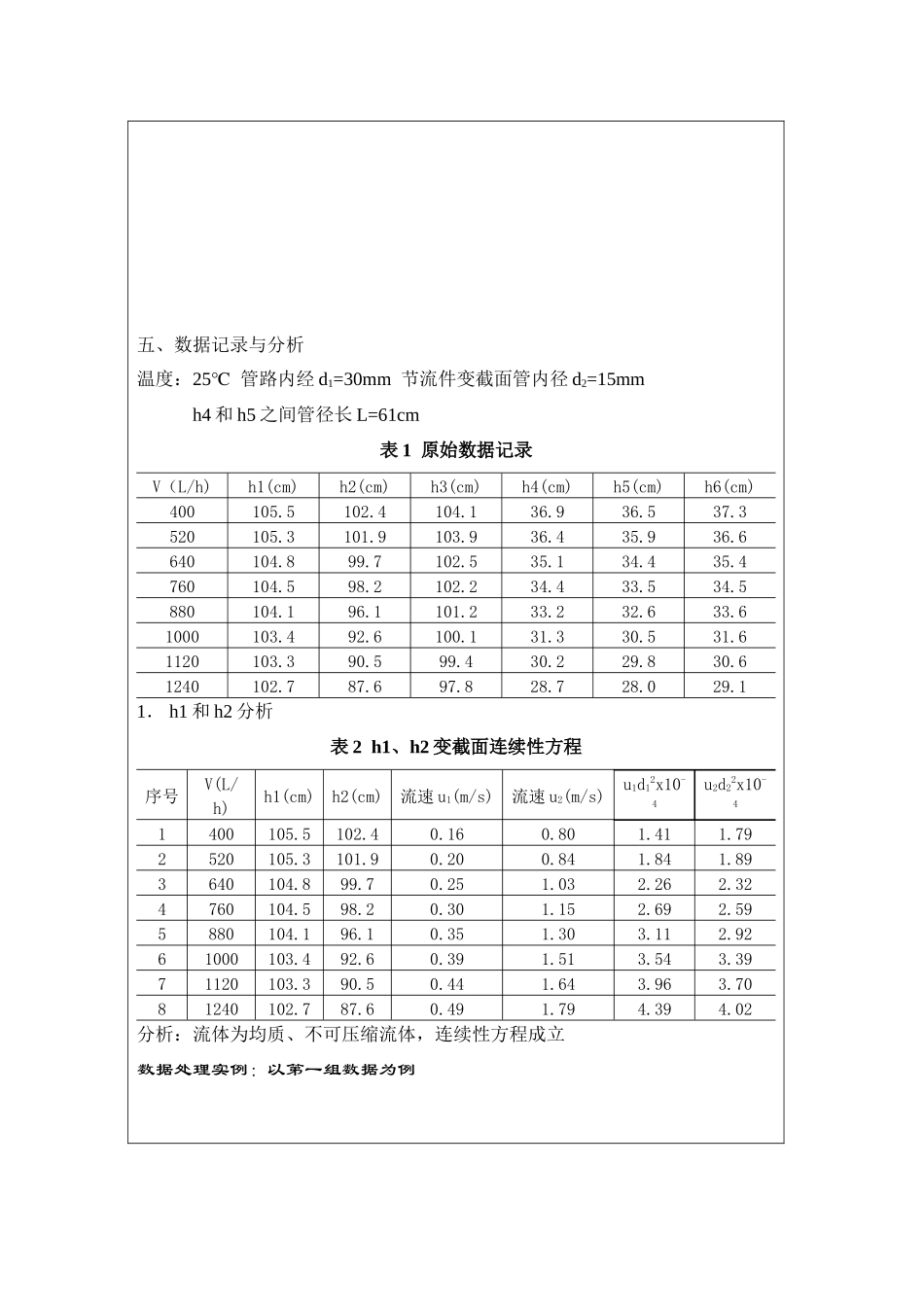
验报告纸五、数据记录与分析温度:25℃管路内经d1=30mm节流件变截面管内径d2=15mmh4和h5之间管径长L=61cm表1原始数据记录V(L/h)h1(cm)h2(cm)h3(cm)h4(cm)h5(cm)h6(cm)400105.5102.4104.136.936.537.3520105.3101.9103.936.435.936.6640104.899.7102.535.134.435.4760104.598.2102.234.433.534.5880104.196.1101.233.232.633.61000103.492.6100.131.330.531.61120103.390.599.430.229.830.61240102.787.697.828.728.029.11.h1和h2分析表2h1、h2变截面连续性方程序号V(L/h)h1(cm)h2(cm)流速u1(m/s)流速u2(m/s)u1d12x10-4u2d22x10-41400105.5102.40.160.801.411.792520105.3101.90.200.841.841.893640104.899.70.251.032.262.324760104.598.20.301.152.692.595880104.196.10.351.303.112.9261000103.492.60.391.513.543.3971120103.390.50.441.643.963.7081240102.787.60.491.794.394.02分析:流体为均质、不可压缩流体,连续性方程成立数据处理实例:以第一组数据为例验报告纸u1=V900πd2=4001000×900π×0.032=0.16由p1ρg+u122g=p2ρg+u222g⇒u2=√2g(h1−h2)+u12=√2×9.8×(105.5−102.4)×10−2+0.162=0.80据式(5)知:u1d12=0.16×0.032=1.41×10−4u2d22=0.80×0.0152=1.79×10−4u则1d12≈u2d122.h1和h3的分析表3h1、h3流体经节流件后压头损失关系序号V(L/h)流速u1(m/s)h1(cm)h3(cm)压头损失hf(cm)14000.16105.5104.11.425200.20105.3103.91.436400.25104.8102.52.347600.30104.5102.22.358800.35104.1101.22.9610000.39103.4100.13.3711200.44103.399.43.9812400.49102.797.84.9分析:流速增大,压头损失增大,压头损失和速度的平方成正比数据处理实例:以第一组数据为例流速计算同1中的相同hf=h1-h3=105.5-104.1=1.4cm验报告纸3.h3和h4的分析表4h3、h4流体经弯头和流量计件后压头损失和位能变化关系序号V(L/h)流速u1(m/s)h3(cm)h4(cm)位能差(cm)14000.16104.136.967.225200.20103.936.467.536400.25102.535.167.447600.30102.234.467.858800.35101.233.268.0610000.39100.131.368.8711200.4499.430.269.2812400.4997.828.769.1分析:流体经3到4处,受弯头和转子流量计及位能的影响且随流量的增大,单管压力计3和4的读数差变大,流体局部阻力导致的能头损失增大。数据处理实例:以第一组数据为例流速计算同1中的相同=h3-h4=104位能差.1-36.9=67.2cm4.h4和h5的分析表5h4、h5直管段雷诺数和流体阻力系数关系序号V(L/h)流速u1(m/s)h4(cm)h5(cm)阻力系数λRehf14000.1636.936.50.165267.110.425200.2036.435.90.126847.240.536400.2535.134.40.118427.370.747600.3034.433.50.1010007.500.958800.3533.532.60.0711587.640.9610000.3931.330.50.0513167.770.8711200.4430.229.80.0214747.900.5812400.4928.728.00.0316328.030.7验报告纸分析:Re足够大时,λ与Re无关,只与流体流速平方成正比数据处理实例:以第一组数据为例(25℃,水的粘度μ=0.8937x10-3pa·s)流速计算同1中的相同Hf=h4-h5=36.9-36.9=0cmℜ=duρμ=0.03×0.16×998.20.8937×10−3=5267.11λ=2hfdgu2L×10−2=2×0.4×0.03×9.80.162×0.61×10−2=0.165.h5和h6的分析表6h5、h6单管压力计h5处中心点速度序号V(L/h)流速u1(m/s)h5(cm)h6(cm)Δhu(m/s)平均u(m/s)14000.1636.537.30.80.400.4325200.2035.936.60.70.3736400.2534.435.41.00.4447600.3033.534.51.00.4458800.3532.633.61.00.44610000.3930.531.61.10.46711200.4429.830.60.80.40812400.4928.029.11.10.46数据处理实例:以第一组数据为例流速计算同1中的相同Δh=uc22g⇒uc=(2Δhg)1/2=(2×0.8×9.8100)1/2=0.40m/s

1、当您付费下载文档后,您只拥有了使用权限,并不意味着购买了版权,文档只能用于自身使用,不得用于其他商业用途(如 [转卖]进行直接盈利或[编辑后售卖]进行间接盈利)。
2、本站所有内容均由合作方或网友上传,本站不对文档的完整性、权威性及其观点立场正确性做任何保证或承诺!文档内容仅供研究参考,付费前请自行鉴别。
3、如文档内容存在违规,或者侵犯商业秘密、侵犯著作权等,请点击“违规举报”。

碎片内容

机械能转化演示实验

黄金书屋+ 关注
实名认证
内容提供者

爱好英语教学和互联网行业,热爱教育事业,兢兢业业

确认删除?
VIP
微信客服
  • 扫码咨询
会员Q群
  • 会员专属群点击这里加入QQ群
客服邮箱
回到顶部