电脑桌面
添加小米粒文库到电脑桌面
安装后可以在桌面快捷访问

绿化养护考评办法表VIP免费

绿化养护考评办法表_第1页
1/4
绿化养护考评办法表_第2页
2/4
绿化养护考评办法表_第3页
3/4
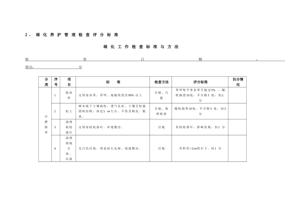
蓝泰园林各项目绿化养护管理考评标准为了提高养护各项目绿化养护管理水平,全面实施规范化操作,规范化管理根据《太原市园林绿化养护技术规范》,特制定本标准。1、考核标准说明:1.1组织各项管养检查时,管养内容有的项目按本标准考核,没有的项目则不在考核之列;每季度考核1次;1.2考核中,凡出现大于、小于具体数量指标的,都表示包含该指标界定值;1.3在实施考核时,一个考核处(点)在一次考核中出现多次相同扣分内容的,只扣分一次(个别严重情况除外);1.4考评分满分为100分,90-100分为优秀;80-89为良好;70-79为合格;低于70为不合格。1.5如当月考评分数低于70分,则对绿化养护责任人处以200元的经济处罚;如连续两个月的考评分数均低于70分,则对绿化养护责任单位处以500元的经济处罚;如全年(12个月)的月考评分数低于70分的超过4次,则对绿化养护责任单位处以1000元的经济处罚,且在其他的绿化养护工程中,取消其负责人竞争资格。2、绿化养护管理检查评分标准绿化工作检查标准与方法检查日期:得分:分分类序号项目标准检查方法评分标准扣分情况中耕除草1除杂草无明显杂草,草坪、地被纯度在90%以上目视,尺量草坪每平米杂草不超过5%,随机抽查10处,不合格3处,扣2分2松土树木底下土壤疏松,透气良好,土壤呈松弛团粒结构,深达5㎝左右。不伤及树皮、根系。目视,取样检查随机抽查10处,不合格3处,扣2分3清理枯枝落叶无明显枯枝落叶,环境整洁。目视有枯枝落叶,影响美观,扣1分4清理绿地石块、垃圾无白色垃圾、明显砖石瓦砾,绿地整洁。目视有粒径>1cm的石子,扣1分防旱灌溉5树木、草地浇水冬季中午(10:00~16:00)浇水,夏季早晚浇水。浇水无盲区,每次浇透浇足。新栽大树及时喷雾。浇水湿润深度,树木50㎝,草坪20㎝。树坑无明显积水。目视、手测,浇水时间抽查有明显干旱区域,扣1分,浇水后湿润深度不够,扣1分,树坑内有明显积水,扣1分;草坪冬季未封冻,每处扣2分修剪6乔木整枝及时修去枯死枝、病虫枝、徒长枝、内膛枝、并生枝和损伤枝。使得树枝分布均匀,树形优美,无多余枝条。剪口平滑,树皮无撕裂现象。目视未按标准及时修剪,随机抽检10株,3株以上不合格的扣2分序号项目标准检查方法评分标准扣分情况7灌木整枝根据花灌木的开花习性做适当修剪,使花木茂盛,花期延长,整形灌木造型明显,线条整齐,长枝不超过30㎝。目视未按标准及时修剪,随机抽检10株,3株以上不合格的扣2分8绿篱修剪绿篱成型,线条整齐,树种之间有界限。造型美观,长势良好,长枝不超过30㎝。目视未按标准及时修剪,抽查5处,2处不合格的扣2分施肥9乔木灌木采取沟施或穴施。施肥、浇水及时,覆土平整,肥料不露出土面,不玷污树木叶面。照片资料无施肥记录,每次扣2分10草坪、地被施肥播施或喷施,结合天气在雨天前进行。浓度合适,一般每平方30克。草坪色彩碧绿,生长茂盛。照片资料草坪如因缺肥长势差,扣3分防寒防11防寒工作培土、铺草帘、缠树干、防寒帐等工作在11月中旬开始12月上旬完成(可根据实际情况进行调整)。目视检查未做防寒措施,扣3分风12防风工作在大风来之前做好立支柱,删去密枝等工作,风雨过后12小时内,能及时清除断枝落叶,扶正倒斜树木。目视检查风后未及时处置,扣3分补栽补种13补栽补种无明显黄土裸露,如发现有植株死亡和缺少,在发现后一周内,更换相同种类和高度的植物,及时浇水保证成活,当天补栽,当天清理。目测死亡植株未在2天内拔除,扣2分,在春秋种植季死亡植株未在一周内更换,扣2分防病治虫14防病治虫无明显枯枝枯叶。柳树及槐树没有滴蜜现象,树干不枯死和腐烂。预防在前,除治在后,施药在下午4点以后,且出示警示牌或通知物业出示警示牌。目视抽查柳树及槐树出现滴蜜现象,扣2分,施药后未出示警示牌,扣1分草坪养护15草坪修剪高度在4~8㎝,夏季可稍长。修剪平整、边缘整齐。目视草坪高度超过10cm,扣2分16草坪补缺填平无明显黄土裸露,能及时补缺,最大斑秃不超过0.3㎡,低洼处要以土填平重栽。目视尺量斑秃超过0.3㎡,扣2分

1、当您付费下载文档后,您只拥有了使用权限,并不意味着购买了版权,文档只能用于自身使用,不得用于其他商业用途(如 [转卖]进行直接盈利或[编辑后售卖]进行间接盈利)。
2、本站所有内容均由合作方或网友上传,本站不对文档的完整性、权威性及其观点立场正确性做任何保证或承诺!文档内容仅供研究参考,付费前请自行鉴别。
3、如文档内容存在违规,或者侵犯商业秘密、侵犯著作权等,请点击“违规举报”。

碎片内容

绿化养护考评办法表

确认删除?
VIP
微信客服
  • 扫码咨询
会员Q群
  • 会员专属群点击这里加入QQ群
客服邮箱
回到顶部