电脑桌面
添加小米粒文库到电脑桌面
安装后可以在桌面快捷访问

土方开挖工程生产安全事故应急预案VIP免费

土方开挖工程生产安全事故应急预案_第1页
1/15
土方开挖工程生产安全事故应急预案_第2页
2/15
土方开挖工程生产安全事故应急预案_第3页
3/15
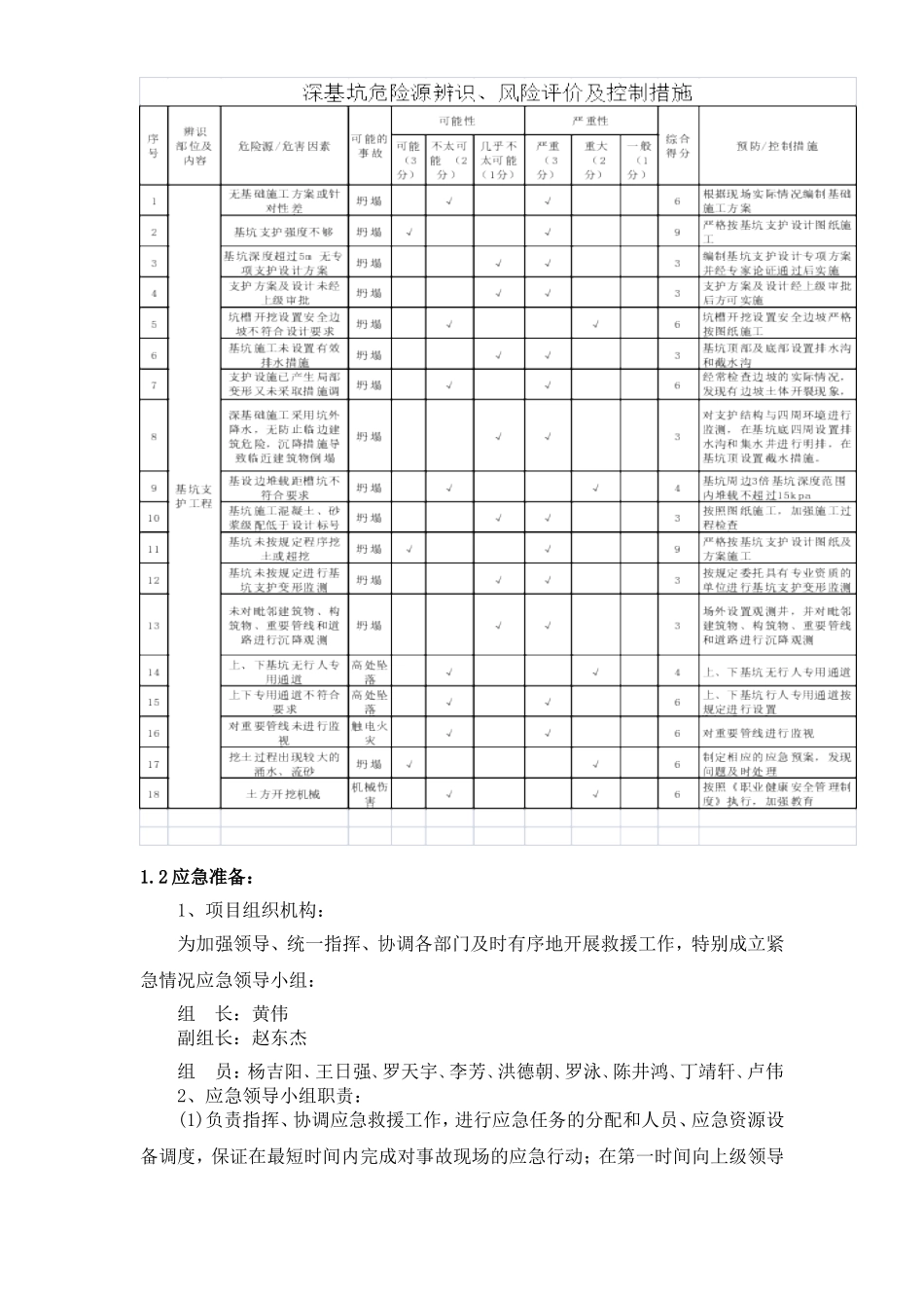
2017XP10土方开挖工程生产安全事故应急预案富利建设集团有限公司2018年04月28日土方开挖工程生产安全事故应急预案一、基本概况:本项目总建筑面积118904㎡,其中地上建筑面积78489㎡,地下建筑面积40415㎡,由2层地下室,3栋33层高层住宅,4栋11层小高层住宅,1栋3层幼儿园,1栋1层生鲜超市,2栋2层商墅和部分沿街1层商业组成。二、应急救援预案:1.1施工重大危险源辨识:1.2应急准备:1、项目组织机构:为加强领导、统一指挥、协调各部门及时有序地开展救援工作,特别成立紧急情况应急领导小组:组长:黄伟副组长:赵东杰组员:杨吉阳、王日强、罗天宇、李芳、洪德朝、罗泳、陈井鸿、丁靖轩、卢伟2、应急领导小组职责:(1)负责指挥、协调应急救援工作,进行应急任务的分配和人员、应急资源设备调度,保证在最短时间内完成对事故现场的应急行动;在第一时间向上级领导报告,及时反馈后续紧急情况的处理。(2)救援结束后:小组全体成员根据预案实施过程中发生的变化和发现的问题,及时对预案提出调整、修改和补充意见,安全员负责收集意见并修订预案。(3)安全部门、施工部门负责组织预案的培训和演练。3、应急领导小组分组及职责:项目值班人员一旦收到紧急情况信息,应快速反应,及时准确的把情况报告应急领导小组,由领导小组组长或副组长担任总指挥,按以下分组进行救援工作过程中人员可协调。(1)组长、副组长:①紧急情况发生后,负责紧急救援现场的总指挥工作,批准本预案的启动与终止;②统一部署应急预案的实施工作,并对应急工作中发生的争议采取紧急处理措施。(2)危险源控制组:(施工员负责)①提出抢险救援及避免事故扩大的临时应急方案和措施并组织实施;②组织调集相关工程抢险队和应急救援物资、设备,开展抢险救援工作;③采取紧急措施,尽一切可能抢救伤员和被困人员,防止事故进一步扩大;④寻找受害者并转移至安全地带;⑤绘制事故现场平面图,标明重点部位,向外部救援机构提供准确的抢险救援信息资料。(3)伤员抢救组:(安全员负责)①负责组织有关医疗单位对伤亡人员实施救治和处置;②对抢救出的伤员,在外部救援机构未到达前,对伤者进行必要的抢救(如人工呼吸、包扎止血,防止受伤部位受污染等);③使重伤者优先得到外部救援机构的救护;④协助外部救援机构转送伤者至医疗机构,并指定人员护理伤者。(4)疏散警戒组:(质检员负责)①负责组织对事故现场及周边地区和道路进行警戒、控制,保护现场,维持现场抢险救护的正常运作,保持抢险救援通道的通畅,引导抢险救援人员及车辆的进入;②事故引发火灾,执行防火方案中应急预案程序;③组织人员有序疏散,保护受害人财产;(5)后勤保障组:(材料员负责)负责组织协调有关部门安排好应急救援人员的后勤保障工作。4、机械、设备、材料需用量准备计划:主要施工机械、设备及材料表机具设备名称单位数量存放地点反铲挖掘机台2施工现场自卸式汽车辆5施工现场机动翻斗车辆3施工现场潜水泵台20施工现场空压机台3施工现场沙袋包600施工现场工字钢吨10施工现场木桩根80施工现场水泥吨20水泥仓库千斤顶台6施工现场彩条布条30施工现场药箱个2办公室担架个5办公室氧气袋个5办公室手电筒只20办公室对讲机只6办公室值班车辆1施工现场5、应急响应流程及联系电话紧急事故响应流程图发生的安全问题(事故)(现场负责人或发现人)发现后立即向应急领导小组或现场负责人报告,必要时呼救通知其他人。项目部应急领导小组组长或副组长迅速做出判断,组成指挥机构,下达应急指令,并根据情况的严重程度决定是否报警和向消防、医院等部门求助。并向业主、驻地监理、上级主管部门、安监部门和相关产权设备单位报告。项目部应急小组成员根据应急指令及预案措施,调动应急物资、机械设备及人员进行抢修救援。处理结束后,对预案提出调整、修改和补充意见。项目主管部门协助上级部门对事故进行调查,写出书面报告。汇总应急小组成员意见,修订应急预案。一旦发生紧急事故,项目按照“紧急事故响应流程”图,采取有效措施,防止事故的扩大。应急联系电话:应急联动电话:匪警(治安):110、火警:119、急救:120。医院的联系方式及地...

1、当您付费下载文档后,您只拥有了使用权限,并不意味着购买了版权,文档只能用于自身使用,不得用于其他商业用途(如 [转卖]进行直接盈利或[编辑后售卖]进行间接盈利)。
2、本站所有内容均由合作方或网友上传,本站不对文档的完整性、权威性及其观点立场正确性做任何保证或承诺!文档内容仅供研究参考,付费前请自行鉴别。
3、如文档内容存在违规,或者侵犯商业秘密、侵犯著作权等,请点击“违规举报”。

碎片内容

土方开挖工程生产安全事故应急预案

黄金书屋+ 关注
实名认证
内容提供者

爱好英语教学和互联网行业,热爱教育事业,兢兢业业

确认删除?
VIP
微信客服
  • 扫码咨询
会员Q群
  • 会员专属群点击这里加入QQ群
客服邮箱
回到顶部