电脑桌面
添加小米粒文库到电脑桌面
安装后可以在桌面快捷访问

模板的允许偏差VIP免费

模板的允许偏差_第1页
1/4
模板的允许偏差_第2页
2/4
模板的允许偏差_第3页
3/4
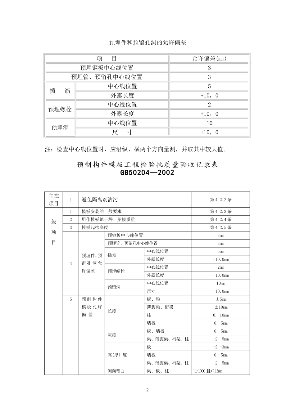
预制构件模板安装的允许偏差及检验方法表格项目允许偏差(mm)检验方法长度板、梁±5钢尺量两角边,取其中大值薄腹梁、桁架±10柱0,-10墙板0,-5宽度板、墙板0,-5钢尺量一端及中部,取其中较大值梁、薄腹梁、桁架、柱+2,-5高(厚)度板+2,-3钢尺量一端及中部,取其中较大值墙板0,-5梁、薄腹梁、桁架、柱+2,-5侧向弯曲梁、板、柱L/1000且≤15拉线,钢尺量最大弯曲处墙板、薄腹梁、桁架L/1500且≤15板的表面平整度32m靠尺和塞尺检查相邻两板表面高低差1钢尺检查对角线差板7钢尺量两个对角线墙板5翘曲板、墙板L/1500调平尺在两端量测设计起拱薄腹梁、桁架、梁±3拉线、钢尺量跨中现浇结构模板安装的允许偏差及检验方法项目允许偏差(mm)检验方法轴线位移5钢尺检查底模上表面标高±5水准仪或拉线、钢尺检查截面内部尺寸基础±10钢尺检查柱、墙、梁+4,-5钢尺检查层高垂直度不大于5m6经纬仪或吊线、钢尺检查大于5m8经纬仪或吊线、钢尺检查相邻两板表面高低差2钢尺检查表面平整度52m靠尺和塞尺检查注:检查轴线位置时,应沿纵、横两个方向量测,并取其中较大值。1预埋件和预留孔洞的允许偏差项目允许偏差(mm)预埋钢板中心线位置3预埋管、预留孔中心线位置3插筋中心线位置5外露长度+10,0预埋螺栓中心线位置2外露长度+10,0预埋洞中心线位置10尺寸+10,0注:检查中心线位置时,应沿纵、横两个方向量测,并取其中较大值。预制构件模板工程检验批质量验收记录表GB50204—2002主控项目1避免隔离剂沾污第4.2.2条一般项目1模板安装的一般要求第4.2.3条2用作模板地干坪、胎模质量第4.2.4条3模板起拱高度第4.2.5条4预埋件、预留孔洞允许偏差预钢板中心线位置3mm预埋管、预留孔中心线位置3mm插筋中心线位置5mm外露长度+10,0mm预埋螺栓中心线位置2mm外露长度+10,0mm预留洞中心线位置10mm尺寸+10,0mm5预制构件模板允许偏差长度板、梁±5mm薄腹梁、桁梁±10mm柱0,-10mm墙板0,-5mm宽度板、墙板0,-5mm梁、薄腹梁、桁架、柱+2,-5mm高(厚)度板+2,-3mm墙板0,-5mm梁、薄腹梁、桁架、柱+2,-5mm侧向弯曲梁、板、柱L/1000且≤15mm2墙板、薄腹梁、桁架L/1000且≤15mm板的面平整度3mm相邻两板表面高低差1mm对角线差板7mm墙板5mm翘曲板、墙板ι/1500设计起拱薄腹梁、桁架、梁±3mm说明020101主控项目:1、在涂刷模板隔离剂时,不得沾污钢筋和混凝土接搓处。观察检查。一般项目:1、模板安装的一般要求。观察检查。(1)模板的接缝不应漏浆;在浇筑混凝土前,木模板应浇水湿润,模板内无积水;(2)模板与混凝土的接触面应清理干净并涂刷隔离剂,但不得采用影响结构性能或妨碍装饰工程施工的隔离剂;(3)浇筑混凝土前,模板内的杂物应清理干净;(4)对清水混凝土工程及装饰混凝土工程,应使用能达到设计效果的模板。2、用作模板的地坪、胎模等应平整光洁,不得产生影响构件质量的下沉、裂缝、起砂或起鼓。观察检查。3、跨度不小于4m的现浇钢筋混凝土梁、板,其模板应按设计要求起拱;当设计无具体要求时,起拱高度宜为跨度的1/1000~3/1000。水准仪、拉线和尺量检查。4、固定在模板上的预埋件、预留孔和预留洞均不得遗漏,且应安装牢固,其偏差符合规定。尺量检查。5、预制构件模板允许偏差,2m靠尺和塞尺检查,拉线和尺量检查。主控项目:1、底模及其支架拆除时混凝土强度应符合设计要求,或下表规定。检查同条件试件试验报告。底摸拆除时的混凝构件类型构件跨度(m)达到设计的混凝土立方体抗压强度标准值的百分率(%)板≤2≥50>2,≤8≥753土强度要求>8≥100梁、拱、壳≤8≥75>8≥100悬臂构件—≥1002、后张法预应力混凝土结构构件侧模在预应力张拉前拆除,底摸拆除时间应符合设计方案,并不得在结构构件建立预应力前拆除。3、后浇带模板的拆除和支顶应按施工技术方案执行。对照技术方案观察检查。一般项目:1、侧模拆除时的混凝土强度应能保证其表面及棱角不受损伤。观察检查。2、模板拆除时,不应对楼层形成冲击荷载,拆除的模板和支架宜分散堆放并及时清运。观察检查。模板安装工程检验批质量验收记录表GB50204—2002主控项目1模板支撑、主柱位置和垫板第4.2.1条2避免隔离剂沾污第4.2.2条一般项目1模...

1、当您付费下载文档后,您只拥有了使用权限,并不意味着购买了版权,文档只能用于自身使用,不得用于其他商业用途(如 [转卖]进行直接盈利或[编辑后售卖]进行间接盈利)。
2、本站所有内容均由合作方或网友上传,本站不对文档的完整性、权威性及其观点立场正确性做任何保证或承诺!文档内容仅供研究参考,付费前请自行鉴别。
3、如文档内容存在违规,或者侵犯商业秘密、侵犯著作权等,请点击“违规举报”。

碎片内容

模板的允许偏差

您可能关注的文档

确认删除?
VIP
微信客服
  • 扫码咨询
会员Q群
  • 会员专属群点击这里加入QQ群
客服邮箱
回到顶部