电脑桌面
添加小米粒文库到电脑桌面
安装后可以在桌面快捷访问

湿地调查表格及说明(1)VIP免费

湿地调查表格及说明(1)_第1页
1/10
湿地调查表格及说明(1)_第2页
2/10
湿地调查表格及说明(1)_第3页
3/10
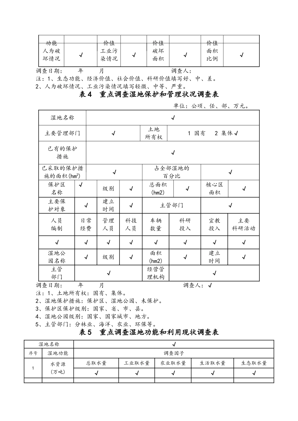
表1重点调查湿地自然环境调查表湿地名称√所属湿地区编码所属县市√湿地类主要湿地型主要地貌类型土壤土壤类型泥炭厚度(沼泽湿地)1薄层2厚层3超厚层√资料来源√气象要素年均降水量(mm)√变化范围√年均蒸发量(mm)√变化范围√年均气温(℃)√变化范围√≧0℃年均积温√≧10℃年均积温√资料来源√√√调查时间:年月日调查人:√表2重点调查湿地水环境要素调查表湿地名称√类别调查要素调查内容水文要素水源补给状况1地表径流2大气降水3地下水4人工补给5综合补给流出状况1永久性2季节性3间歇性4偶尔5没有积水状况1永久性积水2季节性积水3间歇性积水4季节性水涝丰水位(m)√平水位(m)√枯水位(m)√最大水深(m)√平均水深(m)√蓄水量(万m3)√资料来源√地表水水质PH值√PH分级√矿化度(g/L)√矿化度分级√透明度(m)√透明度等级√总氮(mg/L)√总磷(mg/L)√营养状况1贫营养2中营养3富营养√化学需氧量(mg/L)√主要污染因子√水质级别√测定方法或资料来源√地下水PH值√PH分级√矿化度(g/L)√矿化度分级√水质级别√测定方法或资料来源√调查时间:年月日调查人:√表3重点调查湿地植被利用和破坏情况调查生态√经济√社会√科研√功能价值价值价值人为破坏情况√工业污染情况√破坏面积√面积比例√调查日期:年月调查人:注:1、生态功能、经济价值、社会价值、科研价值填写好、中、差。2、人为破坏情况、工业污染情况填写轻微、中等、严重。表4重点调查湿地保护和管理状况调查表单位:公顷、任、部、万元。湿地名称√主要管理部门√土地所有权1国有2集体√已有的保护措施√已采取的保护措施的面积(hm2)√占全部湿地的百分比√保护区名称√级别√总面积(hm2)√核心区面积√主要保护对象√建立时间√主管部门√人员编制日常经费管理人员科技人员车辆数量科研投入宣教投入主要科研活动√√√√√√√√湿地公园名称√级别√面积(hm2)√建立时间√主管部门√经营管理机构√调查日期:年月调查人:√注:1、土地所有权:国有、集体。2、湿地保护措施:保护区、湿地公园、未保护。3、保护区保护级别:国家、省、市、县。4、湿地公园级别:国家、国家城市、地方。5、主管部门:分林业、海洋、农业、环保等。表5重点调查湿地功能和利用现状调查表湿地名称√序号湿地功能调查因子1水资源(万吨)总取水量工业取水量农业取水量生活取水量生态取水量√√√√√2天然动物产品产品名称鱼虾蟹软体类产量(吨)√√√√价值(万元)√√√√3天然植物产品产品名称√√√√产量(吨)√√√√价值(万元)√√√√4人工养殖与种植品种鱼虾蟹贝产量(吨)√√√√价值(万元)√√√√5矿产品及工业原料品种泥炭石油芦苇产量(吨)√√√√价值(万元)√√√√6航运通航里程(km)年通航时间(天)货运量(万吨)客运量(万人)√√√√7旅游疗养疗养院数量(个)宾馆数量(个)游客量(万人)疗养人数(万人)√√√√8体育运动运动项目名称√√√接待人数(万人)√√√产值(万元)√√√9调蓄调蓄河流名称√√√调蓄能力(m3)√√√10泥炭储存储存量(吨)√√√11水力发电装机容量(kw·h)√发电量(kw·h)√12其他√√主要利用方式及其详细说明:调查日期:年月日调查人:√注:1.空白栏目中可填入表中未列入的种类。2.“其它”栏填入未列出的其它湿地功能及相应描述。3.各数据均以年为单位统计。表6重点调查湿地范围内的社会经济状况调查表湿地名称序号乡镇名称面积(hm2)人口数量(万人)人口密度(人/KM2)工业总产值(万元)农业总产值(万元)与湿地有关的主要产业上一年度近5年上一年度近5年平均平均√√√√√√√√√√合计调查日期:年月日调查人:√注:1、人口密度合计值为湿地范围内总人口与总面积的比值;2、主要产业填位于前三位的主导产业。表7重点调查湿地受威胁现状调查表湿地名称序号威胁因子起始时间(年)影响面积(hm2)已有危害潜在威胁1基建和城市化√√√√√√√√2围垦√√√√√√√√3泥沙淤积√√√√√√√√4污染√√√√√√√√5过度捕捞和采集√√√√√√√√6非法狩猎√√√√√√√√7水利工程和引排水的负面影响√√√√√√√√√√√√8盐碱化√√√√√√√√9外来物种入侵√√√√...

1、当您付费下载文档后,您只拥有了使用权限,并不意味着购买了版权,文档只能用于自身使用,不得用于其他商业用途(如 [转卖]进行直接盈利或[编辑后售卖]进行间接盈利)。
2、本站所有内容均由合作方或网友上传,本站不对文档的完整性、权威性及其观点立场正确性做任何保证或承诺!文档内容仅供研究参考,付费前请自行鉴别。
3、如文档内容存在违规,或者侵犯商业秘密、侵犯著作权等,请点击“违规举报”。

碎片内容

湿地调查表格及说明(1)

您可能关注的文档

确认删除?
VIP
微信客服
  • 扫码咨询
会员Q群
  • 会员专属群点击这里加入QQ群
客服邮箱
回到顶部