电脑桌面
添加小米粒文库到电脑桌面
安装后可以在桌面快捷访问

应急组织机构应急处置卡VIP免费

应急组织机构应急处置卡_第1页
1/7
应急组织机构应急处置卡_第2页
2/7
应急组织机构应急处置卡_第3页
3/7
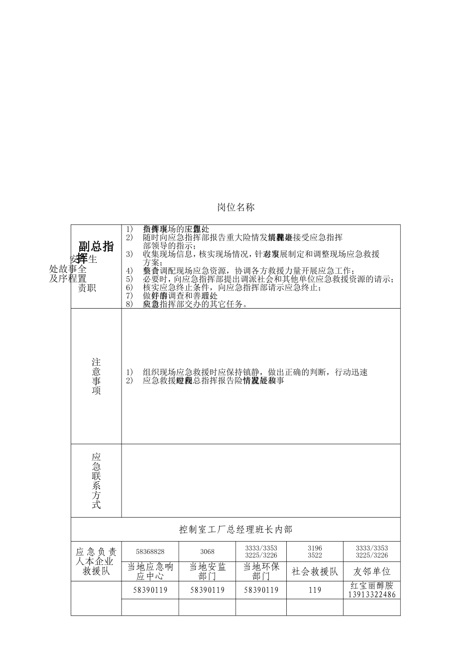
生产经营单位应急处置卡岗位名称总指挥生产安全事故处置程序及职责1)负责启动、实施、关闭总体应急预案;2)全面负责指挥、调度公司抢险救灾、医疗救护、消防保卫、应急物资等各方面的应急处置和救援工作;3)负责审定应急救援实施方案;4)在应急处置过程中,负责向地方政府部门求援并配合应急救援工作,及时向地方政府汇报事件状况、向友邻单位通报事件情况;5)接受政府部门相关的应急指挥;6)审定并签发向地方政府主管部门的应急报告;7)负责审定突发事件新闻报道;8)审定并签发公司总体应急预案和专项应急预案;9)组织公司级应急预案的演练;10)审批公司应急救援费用。注意事项1)无法独立完成救援,向政府请求支援,必要时向有关单位发出救援请求;2)信息上报时先汇报江北新区应急响应中心并报告,移交指挥权由应急响应中心统一部署,配合开展救援工作3)组织应急救援时应保持镇静,做出正确的判断,行动迅速应急联系方式内部本企业救援队应急负责人控制室工厂总经理班长5836882830683333/33533225/3226319635223333/33533225/3226外部当地应急响应中心当地安监部门当地环保部门社会救援队友邻单位583901195839011958390119119红宝丽醇胺13913322486生产经营单位应急处置卡岗位名称副总指挥生产安全事故处置程序及职责1)负责指挥事件现场的应急处置工作;2)随时向应急指挥部报告重大险情发展和事件处置情况,接受应急指挥部领导的指示;3)收集现场信息,核实现场情况,针对事态发展制定和调整现场应急救援方案;4)负责整合调配现场应急资源,协调各方救援力量开展应急工作;5)必要时,向应急指挥部提出调派社会和其他单位应急救援资源的请示;6)核实应急终止条件,向应急指挥部请示应急终止;7)做好事件的调查和善后处理;8)负责应急指挥部交办的其它任务。注意事项1)组织现场应急救援时应保持镇静,做出正确的判断,行动迅速2)应急救援过程中及时向总指挥报告险情发展和事故处置情况应急联系方式控制室工厂总经理班长内部应急负责人本企业救援队5836882830683333/33533225/3226319635223333/33533225/3226当地应急响应中心当地安监部门当地环保部门社会救援队友邻单位583901195839011958390119119红宝丽醇胺13913322486生产经营单位应急处置卡岗位名称应急抢险组生产安全事故处置程序及职责1)接到通知后,迅速集合队伍奔赴现场,根据事故情形正确配戴个人防护用具,切断事故源;2)根据指挥部下达的抢修指令,迅速抢修设备、管道,控制事故,以防扩大;3)有计划、有针对性地预测设备、管道泄漏部位,进行计划性检修;4)进行封、围、堵等抢救措施的训练和实战演习;5)接到报警后,消防队员配戴好防毒面具,携带抢救伤员的器具赶赴现场;6)现场指导抢救人员,消除危险物品,开启现场固定消防装置进行灭火;7)负责向上级消防救援力量提供燃烧介质的消防特性,中毒防护方法,着火设备的禁忌注意事项;8)负责现场灭火过程的通讯联络,视火灾情况及时向指挥部报告,请求联防力量救援。注意事项1)针对自身承担的应急任务,需采取相应的防护措施;2)所有救援人员均应按各自分工和任务,穿戴好个人防护装具,携带好器材和工具,方能投入战斗;3)火灾事故要分析起火物料,采用恰当的灭火材料。应急联系方式内部本企业救援队企业负责人中控室工厂总经理班长5836882830683333/33533225/3226319635223333/33533225/3226外部当地应急响应中心当地安监部门当地环保部门社会救援队友邻单位583901195839011958390119119红宝丽醇胺13913322486生产经营单位应急处置卡岗位名称污染控制组生产安全事故处置程序及职责1)迅速查明有毒有害物的种类,可能引起急性中毒、爆炸的浓度范围,确定警戒区域,设置警示标志;2)为在进行有毒有害介质堵漏的抢修队员进行气体防护监护,指导抢险抢修人员正确使用防护用具;3)储备一定量的防护用具;当储备量不够需要时,迅速调配其他岗位的备用防毒器具;4)环保人员负责事故现场及有毒物质扩散区域内的清洗、消毒、监测工作。注意事项1)立即采取有效措施,与相关部门配合,切断污染源、隔离污染区,防止污染扩散;2)及时通报和疏散可能受到污染危害的区域和人员。...

1、当您付费下载文档后,您只拥有了使用权限,并不意味着购买了版权,文档只能用于自身使用,不得用于其他商业用途(如 [转卖]进行直接盈利或[编辑后售卖]进行间接盈利)。
2、本站所有内容均由合作方或网友上传,本站不对文档的完整性、权威性及其观点立场正确性做任何保证或承诺!文档内容仅供研究参考,付费前请自行鉴别。
3、如文档内容存在违规,或者侵犯商业秘密、侵犯著作权等,请点击“违规举报”。

碎片内容

应急组织机构应急处置卡

学海无涯书城+ 关注
实名认证
内容提供者

热爱教育事业,爱好互联网行业

确认删除?
VIP
微信客服
  • 扫码咨询
会员Q群
  • 会员专属群点击这里加入QQ群
客服邮箱
回到顶部