电脑桌面
添加小米粒文库到电脑桌面
安装后可以在桌面快捷访问

中央空调机组比较及配置表..VIP免费

中央空调机组比较及配置表.._第1页
1/20
中央空调机组比较及配置表.._第2页
2/20
中央空调机组比较及配置表.._第3页
3/20
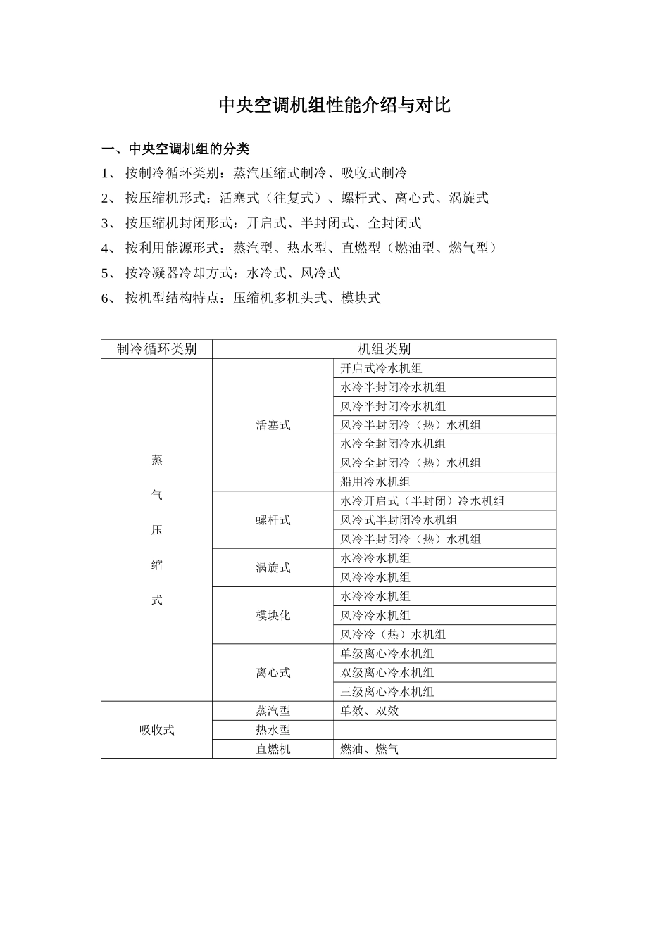
中央空调机组性能介绍与对比一、中央空调机组的分类1、按制冷循环类别:蒸汽压缩式制冷、吸收式制冷2、按压缩机形式:活塞式(往复式)、螺杆式、离心式、涡旋式3、按压缩机封闭形式:开启式、半封闭式、全封闭式4、按利用能源形式:蒸汽型、热水型、直燃型(燃油型、燃气型)5、按冷凝器冷却方式:水冷式、风冷式6、按机型结构特点:压缩机多机头式、模块式制冷循环类别机组类别蒸气压缩式活塞式开启式冷水机组水冷半封闭冷水机组风冷半封闭冷水机组风冷半封闭冷(热)水机组水冷全封闭冷水机组风冷全封闭冷(热)水机组船用冷水机组螺杆式水冷开启式(半封闭)冷水机组风冷式半封闭冷水机组风冷半封闭冷(热)水机组涡旋式水冷冷水机组风冷冷水机组模块化水冷冷水机组风冷冷水机组风冷冷(热)水机组离心式单级离心冷水机组双级离心冷水机组三级离心冷水机组吸收式蒸汽型单效、双效热水型直燃机燃油、燃气二、不同类型空调制冷机组的比较1、半封闭机组与全封闭机组(1)密封性:半封闭机组压缩机与电机利用法兰连接,制冷剂在运行中容易泄漏,运转一段时间后需要添加制冷剂;全封闭机组具有完全封闭的机壳,将压缩机与电机密封于机壳内,很好的避免了制冷剂的泄漏。(2)维修周期:半封闭式28000小时,全封闭70000小时;(3)油分离系统:半封闭式油分离器设置在排气端,单级分油,分油率小于99.5%,油流失于制冷系统,制冷效率下降;全封闭式99.7%,设在顶部排气端。2、开启式机组与全封闭机组(1)开启式机组采用外置式油分理器,由贮油器和分离设备组成,循环管路比较复杂。(2)电机与螺杆连接方式:全封闭的电机轴与主转子是一个通轴,安装无需对中,不需要检修。(3)能量调节:全封闭机组利用滑阀调节能量,做垂直运动,减少了磨损。(4)开式检修和更换电机方便,检修式不需放出制冷剂,电机利用空气冷却,机组制冷量大,体积大,噪声大。全封闭机组检查与维修不方便,如有故障,不能及时解决。3、单机头机组与多机头机组(1)单机头机组备用性差,启动电流大,受单台压缩机容量的限制,制冷机组的制冷量不能很大;(2)多机头机组备用性好,根据负荷启动压缩机,对电网冲击小,节省能量4、性能参数比较按性能系数高低排列:离心式、螺杆式、活塞式、吸收式5、低压与高压电机:采用高压电机,可省去变压器,低压配电柜,节省面积,减少对电网的冲击,可节省投资30%----50%。三、不同类型空调制冷机组的性能介绍1、活塞式冷水机组:活塞式冷水机组由活塞式压缩机、卧式壳管式冷凝器、热力膨胀阀和蒸发器组成。系统装置比较简单,用材普通,加工容易,造价低,技术成熟。缺点是单机容量比较小,制冷效率比较低,工作部件较多,维修工作量比较大。转速不能太高,震动较大,单机容量不宜过大,单机部分负荷调节性差。2、离心式冷水机组:由离心式压缩机、壳管式冷凝器和蒸发器、辅助设备及自动控制和保护装置组成。离心式压缩机一般转速高,排气流量大,因此单机制冷量大。用于空调工况的冷水机组的蒸发温度大于0℃,排气和吸气的压差小,即压缩比小。按压缩机与电动机的连接方式可分为封闭式和开式。开式结构检修方便,制造成本低,电机采用空气冷却,电机散热排入机房内,且噪声偏高。按压缩机级数可分为单级、双级和三级压缩,所采用的制冷剂有R-123、R-134a和R-22等。对于转速一定的机组,当蒸发温度一定时,冷凝温度越低,制冷量越大,压缩机的输入功率也相应增大,但单位制冷量所消耗的功率有所减少,COP值增大。反之,当冷却水温度升高,即冷凝温度升高时,机组的制冷量将减少。当冷凝温度一定时,蒸发温度升高或者说空调供水温度提高,机组制冷量则增大,单位制冷量所消耗的功率有所减少,COP值增大。当制冷负荷很小时,将会产生“喘振”现象。如果离心式压缩机流量过小时,则压缩机的压缩比增大,排气压力也越高,当吸入流量小到一定值时,由于轴向旋涡等因素的影响,造成流道内气流很不均匀,气流产生严重的脱离现象,导致压缩机排气压力下降,当降至冷凝器的冷凝压力以下时,制冷剂将倒流入压缩机,直到冷凝器中的冷凝压力降到小于压缩机的排气压力为止。这时压缩...

1、当您付费下载文档后,您只拥有了使用权限,并不意味着购买了版权,文档只能用于自身使用,不得用于其他商业用途(如 [转卖]进行直接盈利或[编辑后售卖]进行间接盈利)。
2、本站所有内容均由合作方或网友上传,本站不对文档的完整性、权威性及其观点立场正确性做任何保证或承诺!文档内容仅供研究参考,付费前请自行鉴别。
3、如文档内容存在违规,或者侵犯商业秘密、侵犯著作权等,请点击“违规举报”。

碎片内容

中央空调机组比较及配置表..

您可能关注的文档

确认删除?
VIP
微信客服
  • 扫码咨询
会员Q群
  • 会员专属群点击这里加入QQ群
客服邮箱
回到顶部