电脑桌面
添加小米粒文库到电脑桌面
安装后可以在桌面快捷访问

重大事故隐患应急预案VIP免费

重大事故隐患应急预案_第1页
1/7
重大事故隐患应急预案_第2页
2/7
重大事故隐患应急预案_第3页
3/7
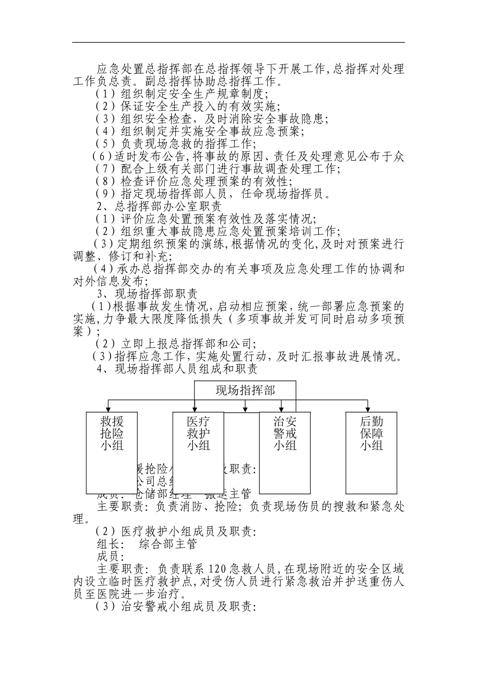
重大事故隐患应急预案第一条重大事故隐患识别、预防监控措施:序号重大事故隐患可能导致的事故控制目标预防控制措施1违反安全生产法律、法规、规章、标准、规程和安全生产管理制度的规定,或者因其他因素在生产经营活动中存在可能导致事故发生的物的危险状态、人的不安全行为和管理上的缺陷。生产安全事故安全生产责任事故为零1、消除运输过程中车辆的危险因素;2、严格使用个人防护用具;3、强化安全教育培训,提高从业人员的安全技能,减少人为失误;4、建立健全安全管理制度,保障企业安全生产等。2电气线路不符合要求;火源、热源、电源距可燃物较近;禁火区内有火源;应设置防静电装置而未安装,或防静电装置不符合要求;运输易燃易爆物品人员未经安全培训,不具备安全常识上岗;易燃物品运输中不符合规定,性质相抵触的物品混装等。火灾事故火灾事故为零1、加强消防监督检查与消防安全管理;2、加强对火源、热源的管理;3、禁区内严禁吸烟,并采取相应的安全措施;4、加强危险货物运输安全行车培训教育等。3作业过程中未按规定使用个人防护用品;不按安全操作规程操作;违章指挥、违章操作、违反劳动纪律等。职工伤亡事故职工死亡重伤事故为零1、加强员工安全培训教育工作,增强员工事故防范和自我保护意识;2、新进员工进行“三级”安全教育,所有岗位员工持证上岗;3、建立完善各项规章制度,约束、规范员工的作业行为;4、认真执行并全面开展隐患排查治理活动等。第二条编制目的为了及时排查治理事故隐患,防患未然;积极应对可能发生的重大安全事故,高效、有序地组织开展事故处理工作;最大限度地减少伤亡和财产损失,维护正常的工作和生产秩序,按照公司制度建设的总体要求,结合公司生产实际,制定本预案。第三条编制依据依据《中华人民共和国安全生产法》、《中华人民共和国突发事件应对法》、《国务院关于特大安全事故行政责任追究的规定》《国家突发公共事件总体应急预案》、《国家安全生产事故灾难应急预案》等法律法规和公司制度相关要求。第四条适用范围本预案适用于公司的安全事故防范工作,公司发生的各类重大事故,以及对公司各类人员的安全防范教育工作。第五条预案体系公司预案体系包括:综合应急预案、专项应急预案、重大危险源应急救援预案、事故隐患排查治理、现场处置方案体系。第六条工作原则1、安全事故应急处理实行“安全第一,预防为主;统一领导分级负责;落实责任,常备不懈;单位自救、公司支援”的原则。2、安全第一,预防为主。把预防和减少安全事故放在首位。消除各类可能引发安全事故的隐患;加强预防、预报、预警工作;做好应对各类安全事故的思想准备、组织准备、预案准备、技术准备、物资准备和工作准备。3、统一领导,分级负责。在重大事故隐患应急处置总指挥部统一领导下,公司各职能部门人员按照应急组织体系和既定预案组织演练、开展重大事故隐患应急处理的相关工作。各部门有关人员按照各自职责和权限,负责相关安全事故的应急处置工作。4、落实责任,常备不懈。建立和完善重大事故隐患应急管理工作机制,不断改进和完善预警、预防手段和措施,提高防范和应急处理处置能力。5、单位自救,公司支援。遇有事故立即处理,在外部救援力量到来之前充分发动员工,抓住抢险救援的最佳时机,力争把损失降到最小。第七条重大事故隐患应急处置组织和领导1、重大事故隐患应急处置组织和领导原则重大事故隐患应急处置工作在公司统一领导下,成立应急处置指挥部,各有关职能部门分工合作,各司其职,密切配合,迅速高效展开。2、应急组织体系(1)总指挥:由经理担任;(2)副总指挥:分管安全生产工作的副经理担任;(3)总指挥部下设办公室:设在公司综合部,办公室主任由综合管理部经理担任;(4)事故现场指挥部:由总指挥指定人员担任。现场指挥部设立应急处置专业小组,并设立昼夜值班报警电话。(5)应急组织体系内的各类人员均由公司各职能部门人员构成(兼职),做到“平时搞演练,险时搞救援,工作有组织”。第八条指挥机构及职责总指挥部机构图:1、重大事故隐患应急处置总指挥部职责总指挥部现场指挥部副总指挥总指挥部办公室应急处...

1、当您付费下载文档后,您只拥有了使用权限,并不意味着购买了版权,文档只能用于自身使用,不得用于其他商业用途(如 [转卖]进行直接盈利或[编辑后售卖]进行间接盈利)。
2、本站所有内容均由合作方或网友上传,本站不对文档的完整性、权威性及其观点立场正确性做任何保证或承诺!文档内容仅供研究参考,付费前请自行鉴别。
3、如文档内容存在违规,或者侵犯商业秘密、侵犯著作权等,请点击“违规举报”。

碎片内容

重大事故隐患应急预案

您可能关注的文档

慧源书苑+ 关注
实名认证
内容提供者

热爱教育事业,爱好互联网行业

确认删除?
VIP
微信客服
  • 扫码咨询
会员Q群
  • 会员专属群点击这里加入QQ群
客服邮箱
回到顶部