电脑桌面
添加小米粒文库到电脑桌面
安装后可以在桌面快捷访问

医疗器械产品技术要求VIP免费

医疗器械产品技术要求_第1页
1/6
医疗器械产品技术要求_第2页
2/6
医疗器械产品技术要求_第3页
3/6
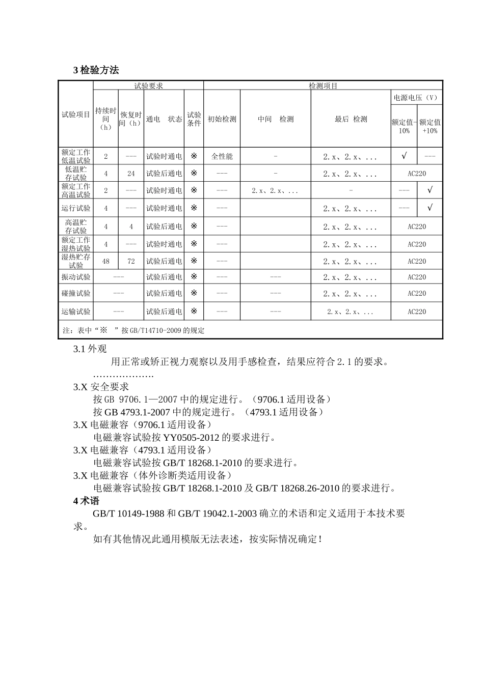
医疗器械产品技术要求编号:XXXXXX1产品型号/规格及其划分说明1.1型号命名P200设计序号产品代号1.2结构组成(不同型号如有结构组成的差异,应分型号列明)XXXXXX(以下简称XX)主要有X射线管组件(组合式)、限束器、操作台、影像处理系统、C形臂及可移动机架、医用X射线影像增强器组成。1.3型号说明(如有多个型号此条适用,列表标明型号间差异)表1型号说明1.4工作条件a)环境温度:10℃-40℃;b)相对湿度:30%-75%;c)大气压力:700hPa-1060hPa。d)电源:AC220V±22V;50Hz±1Hze)额定输入功率:xxVA。2性能指标2.1外观2.2XXX……….2.X安全要求XXX安全要求应符合GB9706.1-2007的要求,产品主要特征见附录C。(9706.1适用设备)XXX安全要求应符合GB4793.1-2007的要求,产品主要特征见附录C。(4793.1适用设备)2.X电磁兼容(9706.1适用设备)电磁兼容应符合YY0505-2012的要求。2.X电磁兼容(4793.1适用设备)电磁兼容应符合GB/T18268.1-2010的要求。2.X电磁兼容(体外诊断类适用设备)电磁兼容应符合GB/T18268.1-2010及GB/T18268.26-2010的要求。2.X环境试验按GB/T14710-2009中规定的气候环境Ⅱ组、机械环境Ⅱ组的要求及表X进行试验,应符合要求。表X试验要求及检验项目3检验方法3.1外观用正常或矫正视力观察以及用手感检查,结果应符合2.1的要求。……………….3.X安全要求按GB9706.1—2007中的规定进行。(9706.1适用设备)按GB4793.1-2007中的规定进行。(4793.1适用设备)3.X电磁兼容(9706.1适用设备)电磁兼容试验按YY0505-2012的要求进行。3.X电磁兼容(4793.1适用设备)电磁兼容试验按GB/T18268.1-2010的要求进行。3.X电磁兼容(体外诊断类适用设备)电磁兼容试验按GB/T18268.1-2010及GB/T18268.26-2010的要求进行。4术语GB/T10149-1988和GB/T19042.1-2003确立的术语和定义适用于本技术要求。如有其他情况此通用模版无法表述,按实际情况确定!试验项目试验要求检测项目持续时间(h)恢复时间(h)通电状态试验条件初始检测中间检测最后检测电源电压(V)额定值-10%额定值+10%额定工作低温试验2---试验时通电※全性能-2.x、2.x、...√---低温贮存试验424试验后通电※----2.x、2.x、...AC220额定工作高温试验2---试验时通电※---2.x、2.x、...----√运行试验4---试验时通电※---2.x、2.x、...---√高温贮存试验44试验后通电※---2.x、2.x、...AC220额定工作湿热试验4---试验时通电※---2.x、2.x、...AC220湿热贮存试验4872试验后通电※---2.x、2.x、...AC220振动试验---试验后通电※------2.x、2.x、...AC220碰撞试验---试验后通电※------2.x、2.x、...AC220运输试验---试验后通电※------2.x、2.x、...AC220注:表中“※”按GB/T14710-2009的规定附录A产品引用标准及说明1规范性引用文件下列文件对本文件的应用是必不可少的,凡是注日期的引用文件,仅注日期的版本适用于本文件。凡是不注日期的引用文件,其最新版本(包括所有修改单)适用于本标准。GB/T191-2008包装储运图示标志GB9706.1—2007医用电气设备第1部分:安全通用要求YY0076—1992金属制件的镀层分类技术条件。。。。。。附录B出厂检验规则1出厂检验项目出厂检验项目见表B.1。表B.1出厂检验项目检验项目条款外观2.X性能2.X、2.X、2.X安全GB9706.1中18、19、20的适用项2检验方案及判定标准2.1检验方案每台设备都进行出厂检验。2.2判定标准按表2规定的项目和范围进行检验,如发现有一项不符合要求,该台判为不合格,应退回,重新整理后可再次交验;若仍不合格,该台产品不准出厂。附录C安全特征(9706.1适用设备)产品主要安全特征a)按防电击类型分类:b)按防电击的程度分类:c)按对进液的防护程度分类:d)非AP/APG型;e)按运行模式分类:f)设备的额定电压和频率:g)输入功率:h)对除颤放电效应防护的应用部分:i)信号输入、信号输出部分:j)为非永久性安装设备:k)电气绝缘图:按图C.1;序号绝缘路径绝缘类型基准电压试验电压AA-f基本绝缘~220V~1500VBA-a1基本绝缘~220V~1500VCA-a2双重/加强绝缘~220V~4000VDA-e双重/加强绝缘~220V~4000VEB-a双重/加强绝缘~220V~4000VFB-d基本绝缘~220V~1500VGB-a双重/加强...

1、当您付费下载文档后,您只拥有了使用权限,并不意味着购买了版权,文档只能用于自身使用,不得用于其他商业用途(如 [转卖]进行直接盈利或[编辑后售卖]进行间接盈利)。
2、本站所有内容均由合作方或网友上传,本站不对文档的完整性、权威性及其观点立场正确性做任何保证或承诺!文档内容仅供研究参考,付费前请自行鉴别。
3、如文档内容存在违规,或者侵犯商业秘密、侵犯著作权等,请点击“违规举报”。

碎片内容

医疗器械产品技术要求

您可能关注的文档

慧源书苑+ 关注
实名认证
内容提供者

热爱教育事业,爱好互联网行业

确认删除?
VIP
微信客服
  • 扫码咨询
会员Q群
  • 会员专属群点击这里加入QQ群
客服邮箱
回到顶部