电脑桌面
添加小米粒文库到电脑桌面
安装后可以在桌面快捷访问

介绍一种耐边缘腐蚀试验方法VIP免费

介绍一种耐边缘腐蚀试验方法_第1页
1/5
介绍一种耐边缘腐蚀试验方法_第2页
2/5
介绍一种耐边缘腐蚀试验方法_第3页
3/5
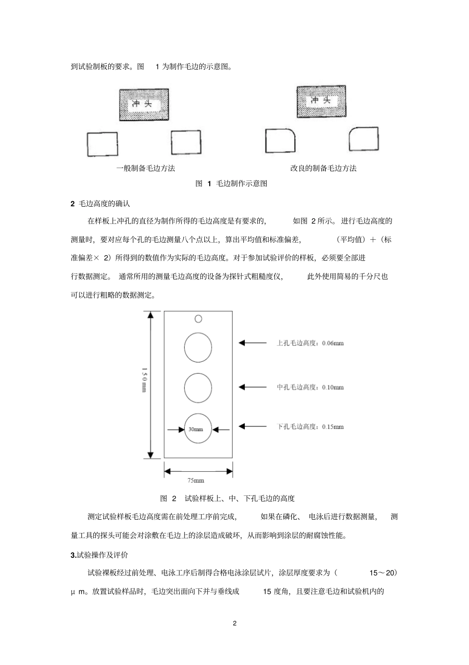
1介绍一种耐边缘腐蚀试验方法【摘要】介绍一种毛边腐蚀试验方法以及在试验中需注意的问题。【关键词】毛边腐蚀、试验方法0前言:日常工作中对涂装材料、涂层质量的常规检测与试验是十分必要的,这是保证涂装质量的重要措施之一,我们必须从多方面验证涂装材料、涂装产品的性能。现有的涂装检测、试验手段能从某一方面说明一些问题,但随着涂装技术的进步,各种新材料、新技术在涂装领域不断被采用,涂装的表面装饰性越来越好,防腐能力也在不断提高,我们需引进新的检测、试验方法来完善对涂装产品的检测以达到对涂装材料性能的充分认识。本文介绍一种“毛边边缘耐腐蚀”试验方法(简称“毛边腐蚀”),就是检验涂装材料防腐性能的一种新的检测方法。耐边缘腐蚀,顾名思义,是考察试验样品在腐蚀环境(如盐雾、干燥及湿润条件等)中边缘部发生腐蚀的程度。一般来说,电泳漆涂装的零部件尖角,锐边处漆膜薄,这主要是电泳漆湿涂膜在烘烤的过程中,湿漆膜在一定温度条件下粘度下降呈液态而进行流平,在表面张力作用下,边角部位的涂膜将会被拉伸而变薄,该部位涂膜耐腐蚀性能会比其它部位涂膜的耐腐蚀性能差,因此设计了边缘耐腐蚀性能测试方法以相对比较不同电泳漆涂料对边角覆盖性的优劣或者是考察相同涂装材料在不同底材上的耐蚀性。通常我们通过涂漆在市售的不锈钢裁纸刀片上制成试验样品,在腐蚀的环境中考察漆膜对锐边棱角处的防腐能力,该试验方法是取市售钢质裁纸刀片,经脱脂、水洗后,按指定电泳工艺下进行电泳、水洗、烘干。电泳烘干后的试件的刀刃部朝上放置后连续进行试验在达到规定的时间后,观察刀刃处漆膜的锈点个数及起泡状况,用在刀刃部生成的腐蚀点的个数表示漆膜耐腐蚀的程度,此方法简单易行。但毛边腐蚀试验方法与之有所异同,将从以下几个方面加以阐述。1毛边试验样板的制作方法制作毛边试验样板的尺寸通常是150mm×70mm大小,每片样板需制作出三个不同高度的毛边,关于毛边的制作方法可使用冲压加工的方法给钢板打孔(孔直径为30mm)制得,毛边通过压头和模具的间隙而产生,模具需要被制作成有一定圆弧的端面,这样才能保证毛边被很容易的冲压出来。在制作过程中,因冲压所得到的毛边高度误差较大,一般在冲模上需设定一定的半径进行冲压制作。根据冲压机的不同,冲模的半径及钢板的种类和毛边高度的关系也会不同,因此每次冲压都需要进行确认,确认毛边的高度误差在变小,直至最终达2到试验制板的要求。图1为制作毛边的示意图。一般制备毛边方法改良的制备毛边方法图1毛边制作示意图2毛边高度的确认在样板上冲孔的直径为制作所得的毛边高度是有要求的,如图2所示。进行毛边高度的测量时,要对应每个孔的毛边测量八个点以上,算出平均值和标准偏差,(平均值)+(标准偏差×2)所得到的数值作为实际的毛边高度。对于参加试验评价的样板,必须要全部进行数据测定。通常所用的测量毛边高度的设备为探针式粗糙度仪,此外使用简易的千分尺也可以进行粗略的数据测定。图2试验样板上、中、下孔毛边的高度测定试验样板毛边高度需在前处理工序前完成,如果在磷化、电泳后进行数据测量,测量工具的探头可能会对涂敷在毛边上的涂层造成破坏,从而影响到涂层的耐腐蚀性能。3.试验操作及评价试验裸板经过前处理、电泳工序后制得合格电泳涂层试片,涂层厚度要求为(15~20)μm。放置试验样品时,毛边突出面向下并与垂线成15度角,且要注意毛边和试验机内的3试验样板固定夹具不要接触,具体见参照图3。图3试验样品的放置耐毛边腐蚀试验条件为如下所示的循环腐蚀试验模式,对温、湿度均有一定要求:此循环腐蚀模式中不同试验状态的过渡要求在30分钟内完成,而从最后一个“湿热”试验状态过渡到“盐雾”试验状态时,要求在10分钟内完成,一个完整的腐蚀循环周期为24小时。在试验过程中,连续进行试验直至达到所规定的循环次数,试验结束后观察上孔、中孔和下孔不同高度毛边部的腐蚀状况,记录开始出现锈蚀时腐蚀循环周期的周期数、区域内锈蚀点的数量和锈蚀程度。4毛边腐蚀试验结果影响分析试验条件(温、湿度)的变化,循环腐蚀试验中各个状态过渡时间的长短,甚至于制板所...

1、当您付费下载文档后,您只拥有了使用权限,并不意味着购买了版权,文档只能用于自身使用,不得用于其他商业用途(如 [转卖]进行直接盈利或[编辑后售卖]进行间接盈利)。
2、本站所有内容均由合作方或网友上传,本站不对文档的完整性、权威性及其观点立场正确性做任何保证或承诺!文档内容仅供研究参考,付费前请自行鉴别。
3、如文档内容存在违规,或者侵犯商业秘密、侵犯著作权等,请点击“违规举报”。

碎片内容

介绍一种耐边缘腐蚀试验方法

确认删除?
VIP
微信客服
  • 扫码咨询
会员Q群
  • 会员专属群点击这里加入QQ群
客服邮箱
回到顶部