电脑桌面
添加小米粒文库到电脑桌面
安装后可以在桌面快捷访问

以太网光电接口基本特性精VIP免费

以太网光电接口基本特性精_第1页
1/10
以太网光电接口基本特性精_第2页
2/10
以太网光电接口基本特性精_第3页
3/10
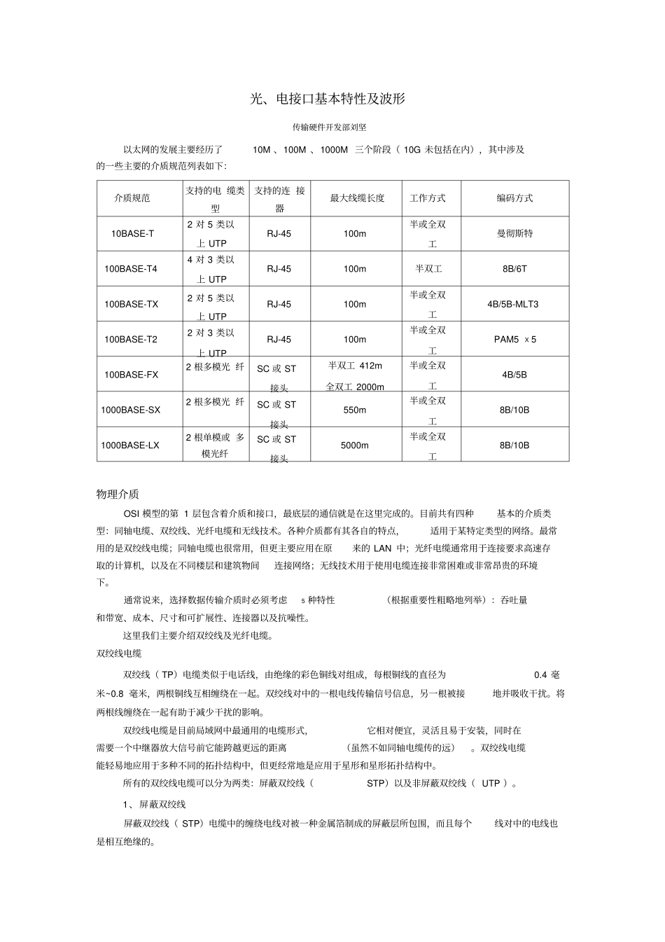
光、电接口基本特性及波形传输硬件开发部刘坚以太网的发展主要经历了10M、100M、1000M三个阶段(10G未包括在内),其中涉及的一些主要的介质规范列表如下:介质规范支持的电缆类型支持的连接器最大线缆长度工作方式编码方式10BASE-T2对5类以上UTPRJ-45100m半或全双工曼彻斯特100BASE-T44对3类以上UTPRJ-45100m半双工8B/6T100BASE-TX2对5类以上UTPRJ-45100m半或全双工4B/5B-MLT3100BASE-T22对3类以上UTPRJ-45100m半或全双工PAM5X5100BASE-FX2根多模光纤SC或ST接头半双工412m全双工2000m半或全双工4B/5B1000BASE-SX2根多模光纤SC或ST接头550m半或全双工8B/10B1000BASE-LX2根单模或多模光纤SC或ST接头5000m半或全双工8B/10B物理介质OSI模型的第1层包含着介质和接口,最底层的通信就是在这里完成的。目前共有四种基本的介质类型:同轴电缆、双绞线、光纤电缆和无线技术。各种介质都有其各自的特点,适用于某特定类型的网络。最常用的是双绞线电缆;同轴电缆也很常用,但更主要应用在原来的LAN中;光纤电缆通常用于连接要求高速存取的计算机,以及在不同楼层和建筑物间连接网络;无线技术用于使用电缆连接非常困难或非常昂贵的环境下。通常说来,选择数据传输介质时必须考虑5种特性(根据重要性粗略地列举):吞吐量和带宽、成本、尺寸和可扩展性、连接器以及抗噪性。这里我们主要介绍双绞线及光纤电缆。双绞线电缆双绞线(TP)电缆类似于电话线,由绝缘的彩色铜线对组成,每根铜线的直径为0.4毫米~0.8毫米,两根铜线互相缠绕在一起。双绞线对中的一根电线传输信号信息,另一根被接地并吸收干扰。将两根线缠绕在一起有助于减少干扰的影响。双绞线电缆是目前局域网中最通用的电缆形式,它相对便宜,灵活且易于安装,同时在需要一个中继器放大信号前它能跨越更远的距离(虽然不如同轴电缆传的远)。双绞线电缆能轻易地应用于多种不同的拓扑结构中,但更经常地是应用于星形和星形拓扑结构中。所有的双绞线电缆可以分为两类:屏蔽双绞线(STP)以及非屏蔽双绞线(UTP)。1、屏蔽双绞线屏蔽双绞线(STP)电缆中的缠绕电线对被一种金属箔制成的屏蔽层所包围,而且每个线对中的电线也是相互绝缘的。2、非屏蔽双绞线非屏蔽双绞线(UTP)电缆包括一对或多对由塑料封套包裹的绝缘电线对。UTP没有用来屏蔽双绞线的额外的屏蔽层。因此,UTP比STP更便宜,抗噪性也相对较低。下面是UTP的标准:1类线(CAT1):一种包括两个电线对的UTP形式。适用于话音通信,而不适用于数据通信。最大传输速率20Kbps。2类线(CAT2):一种包括四个电线对的UTP形式。最大传输速率4Mbps。3类线(CAT3):一种包括四个电线对的UTP形式。在带宽为16MHz时,数据传输速度最高可达10Mbps。3类一般用于10Mbps的Ethernet或4Mbps的TokenRing。4类线(CAT4):一种包括四个电线对的UTP形式。它能支持高达20Mbps的吞吐量,CAT4可用于16Mbps的TokenRing或10Mbps的Ethernet网络中。并且与CAT1、CAT2或CAT3相比,它能提供更多的保护以防止串扰和衰减。5类线(CAT5):CAT5包括四个电线对,支持100Mbps吞吐量和100Mbps信号速率。除100MbpsEthernet之外,CAT5电缆还支持其他的快速连网技术,例如异步传输模式(ATM)。增强CAT5:即超五类UTP,CAT5电缆的更高级别的版本。它包括高质量的铜线,能提供一个高的缠绕率,并使用先进的方法以减少串扰。增强CAT5能支持高达200MHz的信号速率,是常规CAT5容量的2倍。6类线(CAT6):包括四对电线对的双绞线电缆。每对电线被箔绝缘体包裹,另一层箔绝缘体包裹在所有电线对的外面,同时一层防火塑料封套包裹在第二层箔层外面。箔绝缘体对串扰提供了较好的屏蔽,从而使得CAT6能支持的吞吐量是常规CAT5吞吐量的六倍,由于CAT6是一种新技术且大部分网络技术不能利用它的最高容量,CAT6目前很少用于当今的网络中。TP电缆的特性:吞吐量:STP和UTP能以10Mbps的速度传输数据,CAT5UTP以及在某些环境下的CAT3UTP的数据传输速度可达100Mbps。高质量的CAT5UTP能以每秒1GB的速度传输数据。成本:STP和UTP的成本区别在于所使用的铜线级别、缠绕率以及增强技术。一般来说,STP比UTP更昂贵,但高级UTP也是非常昂贵的...

1、当您付费下载文档后,您只拥有了使用权限,并不意味着购买了版权,文档只能用于自身使用,不得用于其他商业用途(如 [转卖]进行直接盈利或[编辑后售卖]进行间接盈利)。
2、本站所有内容均由合作方或网友上传,本站不对文档的完整性、权威性及其观点立场正确性做任何保证或承诺!文档内容仅供研究参考,付费前请自行鉴别。
3、如文档内容存在违规,或者侵犯商业秘密、侵犯著作权等,请点击“违规举报”。

碎片内容

以太网光电接口基本特性精

文库响当当+ 关注
实名认证
内容提供者

该用户很懒,什么也没介绍

确认删除?
VIP
微信客服
  • 扫码咨询
会员Q群
  • 会员专属群点击这里加入QQ群
客服邮箱
回到顶部