电脑桌面
添加小米粒文库到电脑桌面
安装后可以在桌面快捷访问

九年级物理上册 培训材料1 苏科版试卷VIP免费

九年级物理上册 培训材料1 苏科版试卷_第1页
1/4
九年级物理上册 培训材料1 苏科版试卷_第2页
2/4
九年级物理上册 培训材料1 苏科版试卷_第3页
3/4
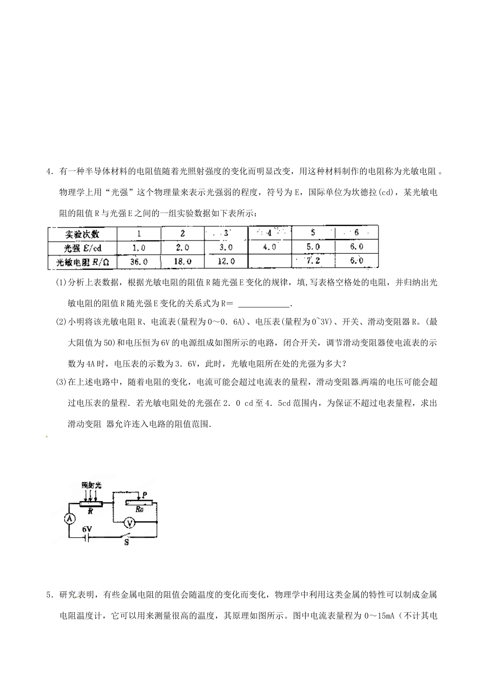
培训材料班级姓名1.如图10所示电路,电阻R1标有“6ΩlA”,R2标有“3Ω1.2A”,电流表A1、A2的量程均为0~3A,电压表量程0~15V,在a、b间接入电压可调的直流电源.闭合开关s后,为保证R1、R2均不损坏,则允许加的电源电压和通过电流表A1的电流不得超过()A.9V1AB.3.6V1.8AC.9.6VlAD.3.6V0.6A2.有两个电路元件A和B,流过元件的电流与其两端电压的关系如图(甲)所示.把它们串联在电路中,如图(乙)所示.闭合开关S,这时电流表的示数为0.4A,则电源电压和元件B的电功率分别是()A.2.0V0.8WB.2.5V1.0WC.4.5V1.0WD.4.5V1.8W3.小明用下图甲所示的电路,研究通过导体的电流与导体电阻的关系.电源电压恒为6V。实验过程中,他做了六次实验,每次改变电阻箱R′,的阻值后.通过调节滑动变阻器始终保持R′两端的电压不变,记下相应的电流值.根据记录的六组数据,他在方格纸上描出了电流I与电阻箱阻值R′的关系图线,如图26乙.(1)记录第一组数据时,电阻箱R′的阻值为4Ω,此时电流表示数是多少?(2)小明在实验过程中.控制电阻箱R′两端的电压是多大?(3)记录第二组数据时,小明记下电流表的示数为0.4A,此时电阻箱消耗的功率是多少?滑动变阻器接入电路中的电阻是多大?(4)记录第四组数据时电流表的示数为0.2A,电阻箱和滑动变阻器消耗的功率之比是多少?4.有一种半导体材料的电阻值随着光照射强度的变化而明显改变,用这种材料制作的电阻称为光敏电阻。物理学上用“光强”这个物理量来表示光强弱的程度,符号为E,国际单位为坎德拉(cd),某光敏电阻的阻值R与光强E之间的一组实验数据如下表所示:(1)分析上表数据,根据光敏电阻的阻值R随光强E变化的规律,填,写表格空格处的电阻,并归纳出光敏电阻的阻值R随光强E变化的关系式为R=.(2)小明将该光敏电阻R、电流表(量程为0~0.6A)、电压表(量程为0~3V)、开关、滑动变阻器R。(最大阻值为50)和电压恒为6V的电源组成如图所示的电路,闭合开关,调节滑动变阻器使电流表的示数为4A时,电压表的示数为3.6V,此时,光敏电阻所在处的光强为多大?(3)在上述电路中,随着电阻的变化,电流可能会超过电流表的量程,滑动变阻器两端的电压可能会超过电压表的量程.若光敏电阻处的光强在2.0cd至4.5cd范围内,为保证不超过电表量程,求出滑动变阻器允许连入电路的阻值范围.5.研究表明,有些金属电阻的阻值会随温度的变化而变化,物理学中利用这类金属的特性可以制成金属电阻温度计,它可以用来测量很高的温度,其原理如图所示。图中电流表量程为0~15mA(不计其电t/℃50201020100R/ΩO40甲AR0S半导体电阻R乙阻),电源的电压恒为3V,R′为滑动变阻器,金属电阻作为温度计的测温探头,在t≥0℃时其阻值Rt随温度t的变化关系为Rt=100+0.5t(单位为Ω)。(1)若要把Rt放入温度为0℃处进行测量,使电流表恰好达到满量程电流15mA,则这时滑动变阻器R′接入电路的阻值为多大?(2)保持(1)中滑动变阻器R′接入电路的阻值不变,当把测温探头Rt放到某待测温度处,电流表的示数恰为10mA,则此时Rt的阻值为多大?对应的温度为多高?(3)保持(1)中滑动变阻器R′接入电路的阻值不变,当被测温度为600℃时,电路消耗的电功率为多大?(4)若把电流表的电流刻度盘换为对应的温度刻度盘,则温度刻度的特点是什么?6.半导体材料的导电能力介于导体和绝缘体之间,其电阻受温度影响较大.如图14甲是某种半导体材料的电阻随温度变化的关系图像.根据这种半导体材料电阻的特性,小明和他的同学设计了一个电路(如图14乙),可以测定某一空间的温度,使用的器材如下:半导体电阻、电源、电流表(0—0.6A)、开关、定值电阻R0(10Ω)、导线若干。(1)定值电阻R0的作用是什么?。(2)当环境温度为20℃时,电流表的读数为0.2A,求电源的电压。(3)电流表的读数为0.4A时,求当时环境温度和半导体电阻的电功率分别是多少。RtR′AP测温探头7.如图(甲)所示是某生产流水线上的产品输送及计数装置示意图。其中S为一激光源,R1为光敏电阻(有光照射时,阻值较小;无光照射时,阻值较大),R2为定值保护电阻,a、b间接一“示波器”(示波器的接入不影响电路)。光敏电阻...

1、当您付费下载文档后,您只拥有了使用权限,并不意味着购买了版权,文档只能用于自身使用,不得用于其他商业用途(如 [转卖]进行直接盈利或[编辑后售卖]进行间接盈利)。
2、本站所有内容均由合作方或网友上传,本站不对文档的完整性、权威性及其观点立场正确性做任何保证或承诺!文档内容仅供研究参考,付费前请自行鉴别。
3、如文档内容存在违规,或者侵犯商业秘密、侵犯著作权等,请点击“违规举报”。

碎片内容

九年级物理上册 培训材料1 苏科版试卷

您可能关注的文档

确认删除?
VIP
微信客服
  • 扫码咨询
会员Q群
  • 会员专属群点击这里加入QQ群
客服邮箱
回到顶部