电脑桌面
添加小米粒文库到电脑桌面
安装后可以在桌面快捷访问

车辆使用管理规定VIP专享VIP免费

车辆使用管理规定_第1页
1/5
车辆使用管理规定_第2页
2/5
车辆使用管理规定_第3页
3/5
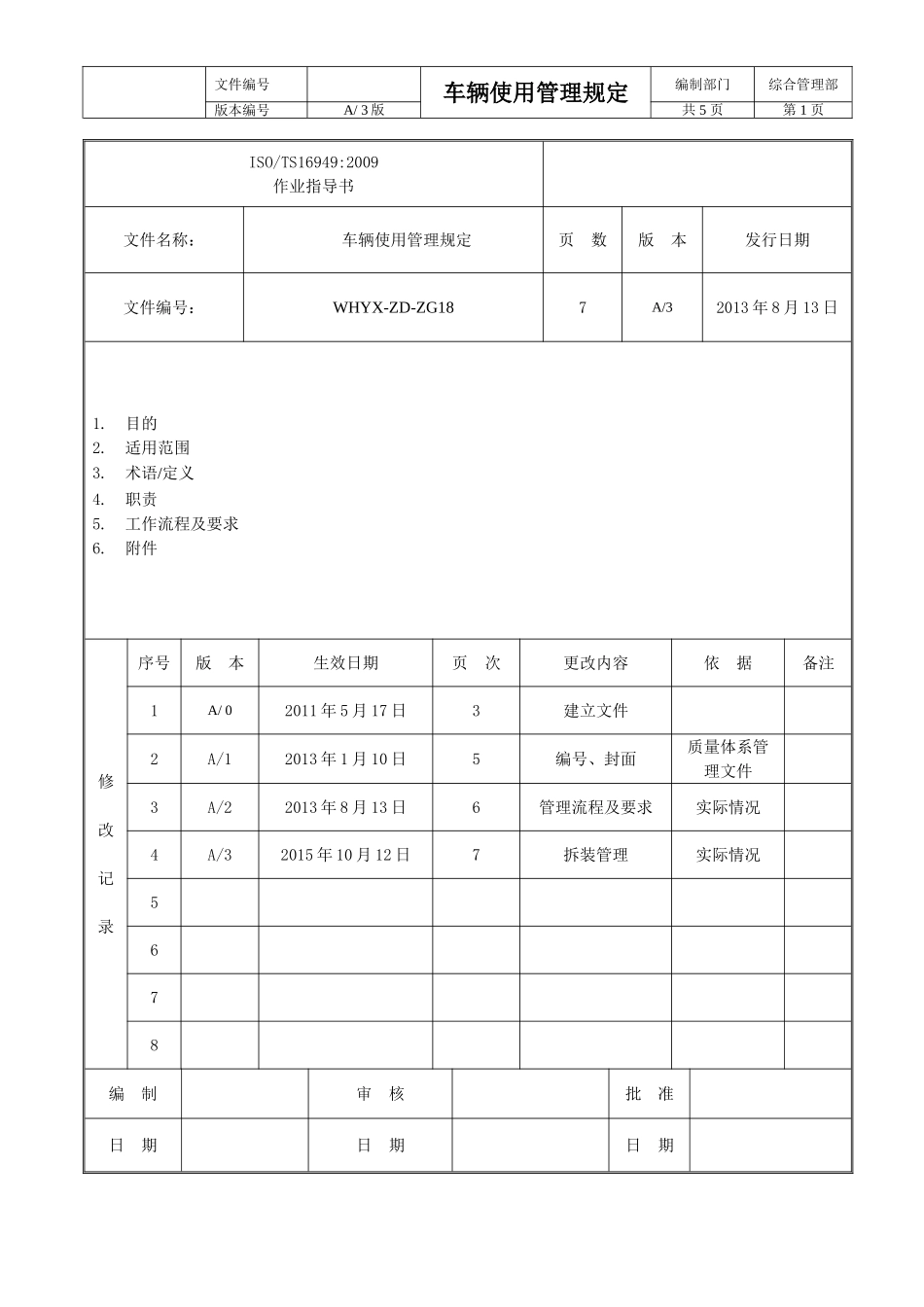
文件编号车辆使用管理规定编制部门综合管理部版本编号A/3版共5页第1页ISO/TS16949:2009作业指导书文件名称:车辆使用管理规定页数版本发行日期文件编号:WHYX-ZD-ZG187A/32013年8月13日1.目的2.适用范围3.术语/定义4.职责5.工作流程及要求6.附件修改记录序号版本生效日期页次更改内容依据备注1A/02011年5月17日3建立文件2A/12013年1月10日5编号、封面质量体系管理文件3A/22013年8月13日6管理流程及要求实际情况4A/32015年10月12日7拆装管理实际情况5678编制审核批准日期日期日期文件编号车辆使用管理规定编制部门综合管理部版本编号A/3版共5页第2页1、目的为了提高工作效率,以适应本公司公务用车的需要。进一步加强车辆管理及驾驶员管理,规范车辆使用程序,确保安全,特制定以下规定。2、适用范围公司车辆。3、术语/定义无4、职责无5、工作流程及要求5.1车辆的使用申请5.1.1公司公务用车由综合部统一管理、调度,如需公务用车,需填写《派车单》(附件1),由部门负责人审核、综合部审批,本公司以外的人借用,需经总经理审批,综合部根据工作轻重缓急协调安排。5.1.2驾驶人于驾驶车辆前需登记用车事由、地点、时间,然后领取钥匙,并对车辆做基本检查(如水箱、油量、机油、电瓶、轮胎、外观等)。如发现故障、配件失窃或损坏等现象,应立即报告,否则最后使用人要对由此引发的后果负责。5.1.3各部门用车需提前一天向综合部报备,次日由综合部统一安排同一方向的用车人一起出车。5.1.4如有未申请、未登记、未按规定出车的,按100元/次处罚。5.2车辆的使用规范5.2.1各部门用车期间,驾驶人必须严守交通规则。严禁酒后驾车或允许无证人员驾驶,如有按200元/次处罚。如有违章、遗失等由个人承担责任。损坏由个人照价赔偿外按每50元/次处罚。如有保险赔付的,按赔付额的10%对驾驶人进行处罚。5.2.2车辆执行公务完成应及时返回公司,驾驶员完整填写《派车单》中回程信息并上交车钥匙。5.2.3原则上不得公车私用,特殊情况下需用车的,必须经总经理批准。如有违章、用油、损坏、事故等由个人承担责任。5.2.4车辆使用完毕后,使用人应清理车内物品,并进行必要的清扫、清洁,保持车内及后备箱的整洁,未及时清理者,按10元/次处罚。车内禁止吸烟,如有违反(还车时检查车内有烟灰为准)按20元/次处罚。5.2.5车辆在下班后或节假日必须停放公司院内,下班后车辆因特殊原因不能及时归还的,应打电话跟综合部说明原因,第二天上班及时将钥匙归还;放假期间需要用车的,放假前一天向综合部申请,完整填写派车单,经部门领导批准之后方可借车,放假期间车钥匙由借车人代为保管,假期结束及时将车钥匙交给综合部并填写回程信息,借车期间,造成违反交通法律法规或事故的经济损失及责任由驾驶员负担,不提前申请的,综合部有权拒绝借车。5.2.6为提高工作效率返程后1小时内必须还车,如半小时内需继续用车的可连续用车,如有返程未登记、未及时归还钥匙,按50元/次处罚。5.3车辆的用油管理5.3.1车辆用油统一由综合部购买油卡并造册登记车辆加油人员、时间、数量。5.3.2驾驶员不得以油卡给公务用车以外的车辆加油,违者赔付加油金额,并处以相应金额的50%罚款。文件编号车辆使用管理规定编制部门综合管理部版本编号A/3版共5页第3页5.3.3车辆加油需打印一份加油回单,并将油卡和加油回单先送回综合部再办其他事情(若遇紧急情况或者半小时以内可以返回的,可考虑还车时交油卡),不履行者,按50元/次处罚。5.4车辆维修管理5.4.1车辆实行定点维修,综合部填写维修申请单经部门领导同意后,需维修的内容由驾驶员报综合部,填写《维修申请单》(附件2)交于修理厂,取车时驾驶员应对车辆当面验收,确认没有问题方可取车,并随车带回修理厂开具的维修结算清单交综合部,综合部做好维修登记。5.4.2驾驶员应爱惜公司车辆,平时注意车辆的保养,经常检查车辆主要机件,发现有故障应及时上报综合部,由综合部进行维修。5.4.3由个人原因造成公司车辆损坏的,个人承担责任。5.4.4公司办有洗车卡,借车人有定期洗车的义务(原则上安排在周五下班前)。5.5车辆违规与事故处理5.5.1借车期间,有下列情况造成违反...

1、当您付费下载文档后,您只拥有了使用权限,并不意味着购买了版权,文档只能用于自身使用,不得用于其他商业用途(如 [转卖]进行直接盈利或[编辑后售卖]进行间接盈利)。
2、本站所有内容均由合作方或网友上传,本站不对文档的完整性、权威性及其观点立场正确性做任何保证或承诺!文档内容仅供研究参考,付费前请自行鉴别。
3、如文档内容存在违规,或者侵犯商业秘密、侵犯著作权等,请点击“违规举报”。

碎片内容

车辆使用管理规定

确认删除?
VIP
微信客服
  • 扫码咨询
会员Q群
  • 会员专属群点击这里加入QQ群
客服邮箱
回到顶部