电脑桌面
添加小米粒文库到电脑桌面
安装后可以在桌面快捷访问

2025年沉井检测方案VIP免费

2025年沉井检测方案_第1页
1/9
2025年沉井检测方案_第2页
2/9
2025年沉井检测方案_第3页
3/9
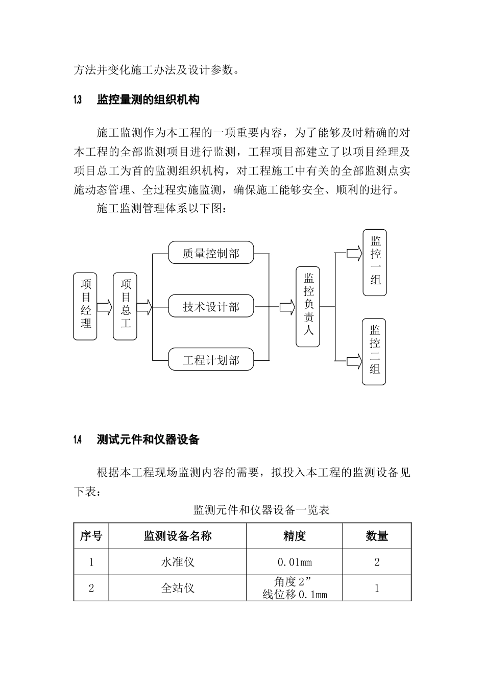
沉井施工监测方案1.1概况本工程管道沿线顶管工作井与倒虹井及泵站下部泵房构造均采用沉井施工,为确保工程安全,减少对周边环境的影响,针对本工程特点建立施工监测组织机构,制订专项《施工监测方案》,并委托含有资质的单位实施监测,配备先进的监测仪器,对采集的监测数据建立数据库,采用信息化管理,对工程施工全过程实施不间断的监测。1.21.2监控量测目的和规定监控量测目的和规定现场监控量测是监视地层稳定、施工办法与否对的的一种重要手段,同时也是确保安全施工、提高经济效益的重要条件。监测的目的在于:⑴监视围岩应力和变形状况,确保支护构造稳定、地表建筑和地下管线的安全。⑵理解施工办法和手段的科学性及合理性,确保施工安全。⑶掌握地层稳定性的变化规律。监控量测的规定:⑴各项监测作业应持续到变形基本趋于稳定后1~3月。⑵现场监测资料须及时绘制位移—时间曲线,当位移—时间曲线趋于平缓时,应选择与实测数据适合的函数方程进行回归分析,预测可能出现的最大拱顶下沉及净空水平收敛值。⑶当位移-时间曲线出现反弯点时,要加强监控监测,及时向项目部总工程师提出建议,或适宜加强支护或停止开挖。⑷沉井内监测点的实测相对位移值和用回归分析推算的最后位移值均应不大于允许相对位移值,当位移速度无明显变化且两值已靠近时,或者井壁混凝土表面已出现明显的裂缝时,及时采用补救方法并变化施工办法及设计参数。1.31.3监控量测的组织机构监控量测的组织机构施工监测作为本工程的一项重要内容,为了能够及时精确的对本工程的全部监测项目进行监测,工程项目部建立了以项目经理及项目总工为首的监测组织机构,对工程施工中有关的全部监测点实施动态管理、全过程实施监测,确保施工能够安全、顺利的进行。施工监测管理体系以下图:1.41.4测试元件和仪器设备测试元件和仪器设备根据本工程现场监测内容的需要,拟投入本工程的监测设备见下表:监测元件和仪器设备一览表序号监测设备名称精度数量1水准仪0.01mm22全站仪角度2”线位移0.1mm1项目经理项目总工质量控制部技术设计部工程计划部监控负责人监控一组监控二组3钢弦应变计1με104钢筋应力计1με205位移计0.01mm106千分表/百分表0.001/0.01mm27钢弦测试模块1με38应变测试模块1με69沉降测点1mm2010水位测点0.1m1011台式电脑21.51.5地面沉降监测地面沉降监测⑴对施工范畴之外的地面沉降监测,重要是路面的沉降监测。沿路面纵轴线的方向布设观察点,每20m布设一横测线,该线上设3个点作观察之用。用水准仪对各点进行定时观察,与初始数据进行对比分析,若测得沉降值超出允许值,立刻对地层进行加固解决。⑵结合施工范畴地面建筑物状况,对标段附近的高层及商住建筑物布置观察点,进行建筑物沉降和倾斜观察,必要时还要对有关建筑物进行裂缝注点观察。在建筑物两转角和中部位置置点,观察建筑沉降、倾斜状况,共设立6个沉降观察点和8个倾斜观察点,具体见建筑沉降、倾斜观察点埋设示意图:⑶监测使用Ni002型精密水准仪进行监测,监测频率在围护施工期间每5天一次,在主体施工期间每2天一次。1.61.6管线位移监测管线位移监测对采用临时悬吊的现有管线进行沉降和水平位移观察。沿管线的轴向在管壁上和桁架上设观察点。每2天一次,直至管线恢复止。当管线位移超出允许值时立刻进行加固解决。1.71.7沉井变形监测沉井变形监测⑴工程场地变形监测①水平位移测量本工程中,基坑工程场地变形监测采用视准法,在工程场地内建立视准线,观察有关点的水平位移。②垂直位移测量井坑开挖的垂直位移观察,采用几何水准法或监理承认的其它办法。垂直位移沉降点布设在变形明显的部位,沉降观察的精度规定和观察办法符合招标文献中二等沉降观察点的有关规定。⑵侧向变形监测井壁侧向位移采用测斜仪监测。在基坑边沿每10m布设一点,直接测量井壁的变形。将测斜管直接安置在沉井井壁上,随钢筋浇注在混凝土中。安装时,及时检查测斜管内的一对导槽,其指向与否欲测量的方向一致,并及时修正。在浇注混凝土前,未确认测斜管导槽畅通时,不得放入真实的测头,量测测斜管导槽方位、管口坐标及高程,及时做好保护装置。⑶地下...

1、当您付费下载文档后,您只拥有了使用权限,并不意味着购买了版权,文档只能用于自身使用,不得用于其他商业用途(如 [转卖]进行直接盈利或[编辑后售卖]进行间接盈利)。
2、本站所有内容均由合作方或网友上传,本站不对文档的完整性、权威性及其观点立场正确性做任何保证或承诺!文档内容仅供研究参考,付费前请自行鉴别。
3、如文档内容存在违规,或者侵犯商业秘密、侵犯著作权等,请点击“违规举报”。

碎片内容

2025年沉井检测方案

您可能关注的文档

确认删除?
VIP
微信客服
  • 扫码咨询
会员Q群
  • 会员专属群点击这里加入QQ群
客服邮箱
回到顶部