电脑桌面
添加小米粒文库到电脑桌面
安装后可以在桌面快捷访问

2025年污水管隐蔽工程VIP免费

2025年污水管隐蔽工程_第1页
1/7
2025年污水管隐蔽工程_第2页
2/7
2025年污水管隐蔽工程_第3页
3/7
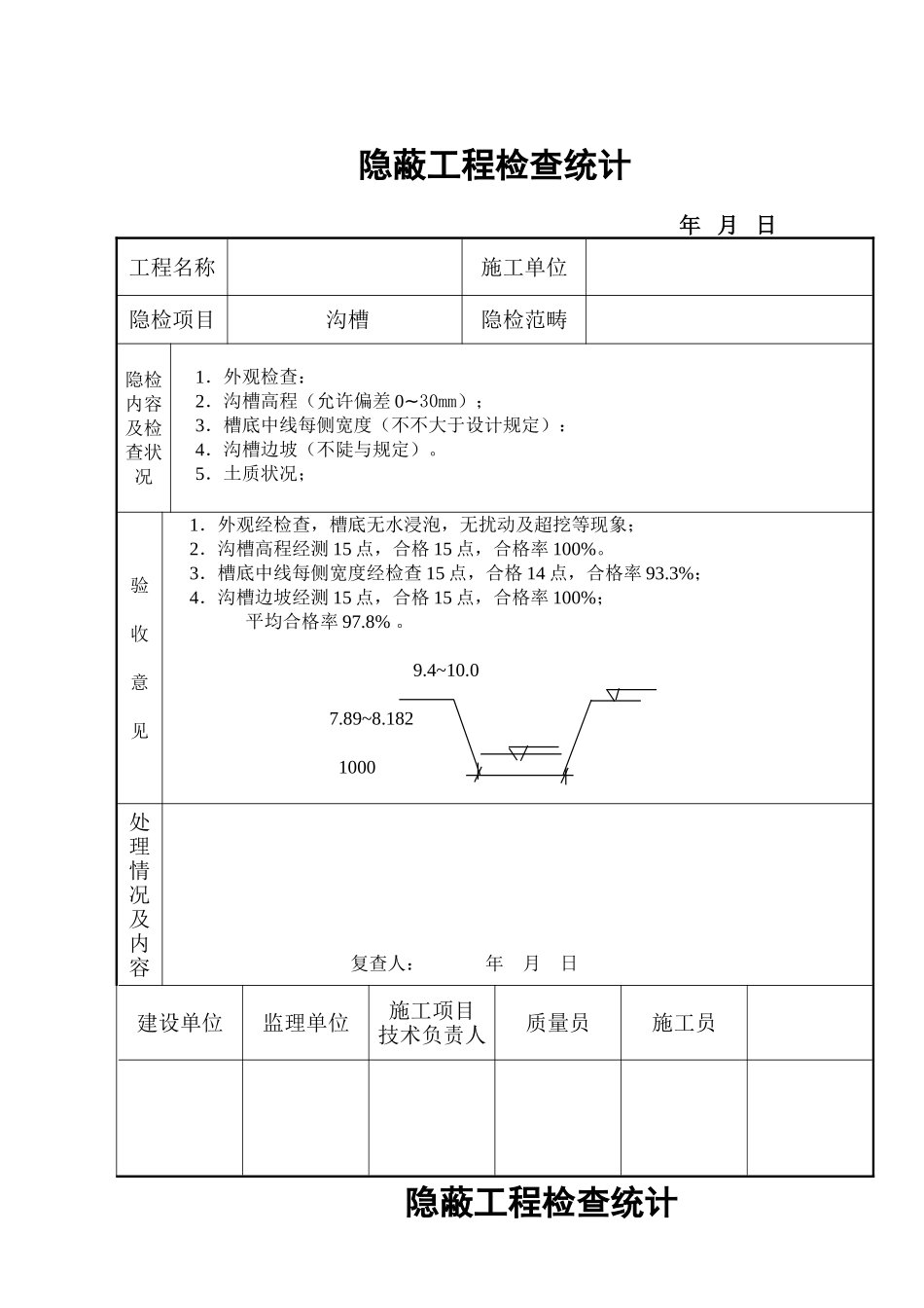
浙建监A5-3沟槽、垫层、安管、护管工程报验申请表工程名称:编号:A5-3致:(监理单位)我单位已完毕了工程,按设计文献及有关规范进行了自检,质量合格,请予以审查和验收。附件:1、工程质量控制资料□2、安全和功效检查(检测)报告□3、观感质量验收统计□4、隐蔽工程验收统计□5、工序质量验收统计□承包单位(章):项目经理:日期:审查意见:□所报隐蔽工程的技术资料□齐全/□不齐全,且□符合/□不符合规定,经现场检测、核查□合格/□不合格,□同意/□不同意隐蔽。□所报检查批的技术资料□齐全/□不齐全,且□符合/□不符合规定,经现场检测、核查□合格/□不合格,□同意/□不同意进行下道工序。□检查批的技术资料基本齐全,且基本符合规定,因□砂浆/□混凝土试块强度实验报告未出具,暂同意进行下道工序施工,待□砂浆/□混凝土试块实验报告补报后,予以质量认定。□所报分项工程的各检查批的验收资料□完整/□不完整,且□全部/□未全部达成合格规定,经现场检测、核查□合格/□不合格。□所报分部(子分部)工程的技术资料□齐全/□不齐全,且□符合/□不符合规定,经现场检测、核查□合格/□不合格。□纠正差错后再报。项目监理机构(章):总/专业监理工程师:日期:本表一式三份,经项目监理机构审核后,建设单位、监理单位、承包单位各一份。隐蔽工程检查统计年月日工程名称施工单位隐检项目沟槽隐检范畴隐检内容及检查状况1.外观检查:2.沟槽高程(允许偏差0~30mm);3.槽底中线每侧宽度(不不大于设计规定):4.沟槽边坡(不陡与规定)。5.土质状况;验收意见1.外观经检查,槽底无水浸泡,无扰动及超挖等现象;2.沟槽高程经测15点,合格15点,合格率100%。3.槽底中线每侧宽度经检查15点,合格14点,合格率93.3%;4.沟槽边坡经测15点,合格15点,合格率100%;平均合格率97.8%。9.4~10.07.89~8.1821000处理情况及内容复查人:年月日建设单位监理单位施工项目技术负责人质量员施工员隐蔽工程检查统计年月日工程名称施工单位隐检项目垫层基础隐检范畴隐检内容及检查状况1.垫层中线每侧宽度(允许偏差:D300不不大于500);2.垫层高程(允许偏差:0,-15mm)。验收意见1.垫层中线每侧宽度经检查15点,合格15点,合格率100%;2.垫层高程经检查15点,合格15点,合格率100%。平均合格率为100%处理情况及内容复查人:年月日建设单位监理单位施工项目技术负责人质量员施工员隐蔽工程检查统计年月日工程名称施工单位隐检项目安管隐检范畴隐检内容及检查状况1.外观检查:2.中线位移(允许偏差15mm)。3.管内底高程(允许偏差±10mm):验收意见1.经检查管道垫稳,管底坡度无倒流水,管内无泥土砖石等杂物;2.中线为移经检查15点,合格15点,合格率100%;3.管内底高程经测15点,合格15点,合格率100%;平均合格率100%污水管d3008.04~8.332处理情况及内容复查人:年月日建设单位监理单位施工项目技术负责人质量员施工员隐蔽工程检查统计年月日工程名称施工单位隐检项目护管隐检范畴隐检内容及检查状况1.护管中线每侧肩宽(允许偏差:D300不不大于500mm);2.护管肩高(允许偏差:不低于管顶)验收意见1.护管肩宽检查15点,合格13点,合格率86.7%;2.护管肩高检查15点,合格15点,合格率100%;平均合格率为93.4%处理情况及内容复查人:年月日建设单位监理单位施工项目技术负责人质量员施工员浙建监A5-3检查井工程报验申请表工程名称:编号:A5-3致:(监理单位)我单位已完毕了工程,按设计文献及有关规范进行了自检,质量合格,请予以审查和验收。附件:1、工程质量控制资料□2、安全和功效检查(检测)报告□3、观感质量验收统计□4、隐蔽工程验收统计□5、工序质量验收统计□承包单位(章):项目经理:日期:审查意见:□所报隐蔽工程的技术资料□齐全/□不齐全,且□符合/□不符合规定,经现场检测、核查□合格/□不合格,□同意/□不同意隐蔽。□所报检查批的技术资料□齐全/□不齐全,且□符合/□不符合规定,经现场检测、核查□合格/□不合格,□同意/□不同意进行下道工序。□检查批的技术资料基本齐全,且基本符合规定,因□砂浆/□混凝...

1、当您付费下载文档后,您只拥有了使用权限,并不意味着购买了版权,文档只能用于自身使用,不得用于其他商业用途(如 [转卖]进行直接盈利或[编辑后售卖]进行间接盈利)。
2、本站所有内容均由合作方或网友上传,本站不对文档的完整性、权威性及其观点立场正确性做任何保证或承诺!文档内容仅供研究参考,付费前请自行鉴别。
3、如文档内容存在违规,或者侵犯商业秘密、侵犯著作权等,请点击“违规举报”。

碎片内容

2025年污水管隐蔽工程

您可能关注的文档

确认删除?
VIP
微信客服
  • 扫码咨询
会员Q群
  • 会员专属群点击这里加入QQ群
客服邮箱
回到顶部