电脑桌面
添加小米粒文库到电脑桌面
安装后可以在桌面快捷访问

2025年施工操作平台施工方案VIP专享VIP免费

2025年施工操作平台施工方案_第1页
1/10
2025年施工操作平台施工方案_第2页
2/10
2025年施工操作平台施工方案_第3页
3/10
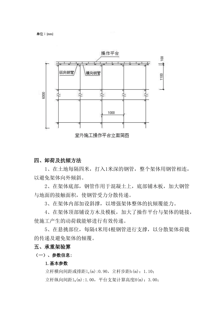
施工操作平台施工方案一、工程概况本工程位于深圳市南山区马家龙大新路,主楼为24层及14层,地下室三层为连体车库;本工程因没有施工场地,经项目部研讨决定搭设一座钢筋制作施工操作平台,以满足现场施工使用。施工操作平台脚手架均采用扣件式钢管脚手架,立杆纵距1m,横距0.9m步距1.5m,架高3m,连墙件固定于基坑边水沟侧二、编制根据2.1《建筑施工扣件式钢管脚手架安全技术规范》(JGJ130-)2.2《建筑地基基础设计规范》(GB50007-)2.3《建筑构造荷载规范》(GB50009-)2.4《建筑施工安全手册》三、重要构件及图形3.1重要构成构件及材料:立杆、纵向水平杆、横向水平杆、扣件、剪刀撑、横向支撑、拉结件。φ4.8cm钢管,木板。3.2架体立面及剖面图四、卸荷及抗倾方法1、在土地每隔四米,打入1米深的钢管,整个架体用钢管相连,以避免架体向外倾斜。2、在架体底部,钢管作用于混凝土上,底部铺木板,加大钢管与地面的接触面积,使钢管受力分散传递。3、在架体内部加设斜撑,以增强架体整体的抗倾覆能力。4、在架体顶部铺设方木及模板,加大了操作平台与架体的链接,使施工产生的动荷载能够进行有效传递。5、在悬挑部位,每隔4米用4根钢管进行支撑,以分散架体荷载的传递及避免架体的倾覆。五、承重架验算(一)、参数信息:1.基本参数立杆横向间距或排距la(m):0.90,立杆步距h(m):1.10;立杆纵向间距lb(m):1.00,平台支架计算高度H(m):3.00;立杆上端伸出至模板支撑点的长度a(m):0.10,平台底钢管间距离(mm):500.00;钢管类型(mm):Φ48×3.5,扣件连接方式:双扣件,取扣件抗滑承载力系数:0.80;2.荷载参数脚手板自重(kN/m2):0.300;栏杆自重(kN/m):0.150;材料堆放最大荷载(kN/m2):5.000;施工均布荷载(kN/m2):4.000;3.地基参数地基土类型:;地基承载力原则值(kPa):220.00;立杆基础底面面积(m2):0.20;地基承载力调节系数:1.00。4.风荷载参数本工程地处陕西宝鸡市,基本风压0.35kN/m2;荷载高度变化系数μz为0.74,风荷载体型系数μs为0.286;施工操作平台计算中考虑风荷载作用。(二)、纵向支撑钢管计算:纵向钢管按照均布荷载下持续梁计算,截面几何参数为截面抵抗矩W=5.08cm3;截面惯性矩I=12.19cm4;纵向钢管计算简图1.荷载的计算:(1)脚手板与栏杆自重(kN/m):q11=0.15+0.3×0.5=0.3kN/m;(2)堆放材料的自重线荷载(kN/m):q12=5×0.5=2.5kN/m;(3)活荷载为施工荷载原则值(kN/m):p1=4×0.5=2kN/m2.强度验算:根据《规范》5.2.4规定,纵向支撑钢管按三跨持续梁计算。最大弯矩考虑为静荷载与活荷载的计算值最不利分派的弯矩和;最大弯矩计算公式以下:最大支座力计算公式以下:均布荷载:q1=1.2×q11+1.2×q12=1.2×0.3+1.2×2.5=3.36kN/m;均布活载:q2=1.4×2=2.8kN/m;最大弯距Mmax=0.1×3.36×12+0.117×2.8×12=0.664kN.m;最大支座力N=1.1×3.36×1+1.2×2.8×1=7.056kN;最大应力σ=Mmax/W=0.664×106/(5080)=130.63N/mm2;纵向钢管的抗压强度设计值[f]=205N/mm2;纵向钢管的计算应力130.63N/mm2不大于纵向钢管的抗压设计强度205N/mm2,满足规定!3.挠度验算:最大挠度考虑为三跨持续梁均布荷载作用下的挠度;计算公式以下:均布恒载:q=q11+q12=2.8kN/m;均布活载:p=2kN/m;ν=(0.677×2.8+0.990×2)×10004/(100×2.06×105×121900)=1.543mm;纵向钢管的最大挠度为1.543mm不大于纵向钢管的最大允许挠度900/150与10mm,满足规定!(三)、横向支撑钢管计算:支撑钢管按照集中荷载作用下的三跨持续梁计算;集中荷载P取板底纵向支撑钢管传递力,P=7.056kN;支撑钢管计算简图支撑钢管计算弯矩图(kN.m)支撑钢管计算变形图(mm)支撑钢管计算剪力图(kN)最大弯矩Mmax=1.235kN.m;最大变形Vmax=3.249mm;最大支座力Qmax=15.171kN;最大应力σ=243.099N/mm2;横向钢管的计算应力202.099N/mm2不大于横向钢管的抗压强度设计值205N/mm2,满足规定!支撑钢管的最大挠度为3.249mm不大于支撑钢管的最大允许挠度1000/150与10mm,满足规定!(四)、扣件抗滑移的计算:按照《建筑施工扣件式钢管脚手架安全技术规范培训讲座》刘群主编,P96页,双扣件承载力设计值取16.00kN,按照扣件抗滑承载力...

1、当您付费下载文档后,您只拥有了使用权限,并不意味着购买了版权,文档只能用于自身使用,不得用于其他商业用途(如 [转卖]进行直接盈利或[编辑后售卖]进行间接盈利)。
2、本站所有内容均由合作方或网友上传,本站不对文档的完整性、权威性及其观点立场正确性做任何保证或承诺!文档内容仅供研究参考,付费前请自行鉴别。
3、如文档内容存在违规,或者侵犯商业秘密、侵犯著作权等,请点击“违规举报”。

碎片内容

2025年施工操作平台施工方案

您可能关注的文档

确认删除?
VIP
微信客服
  • 扫码咨询
会员Q群
  • 会员专属群点击这里加入QQ群
客服邮箱
回到顶部