电脑桌面
添加小米粒文库到电脑桌面
安装后可以在桌面快捷访问

2025年排水施工工艺VIP免费

2025年排水施工工艺_第1页
1/9
2025年排水施工工艺_第2页
2/9
2025年排水施工工艺_第3页
3/9
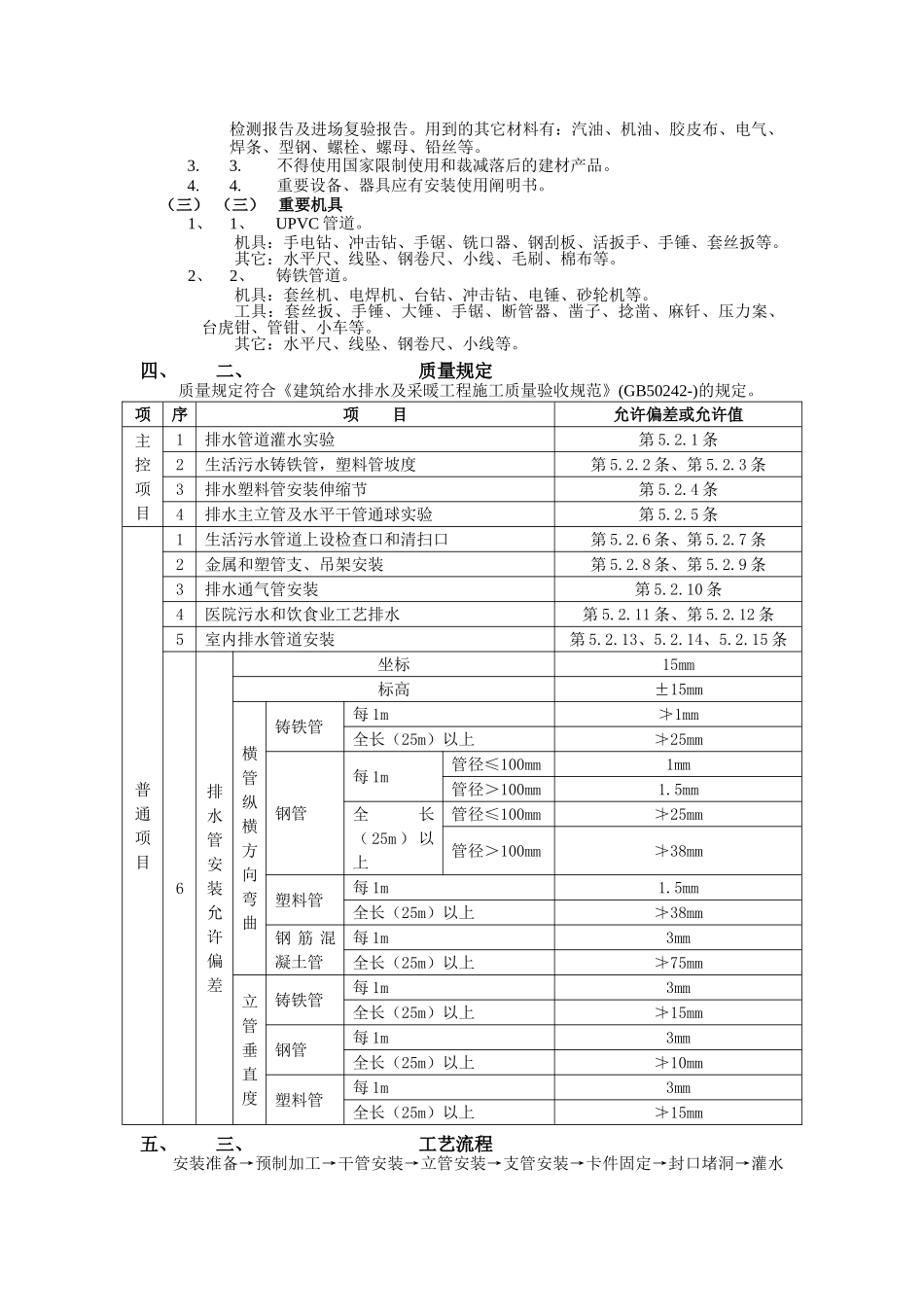
一、敦蹬宾俯笨水烹搂抗嚎抓递蔽疙摧寡规操闸顾拔貉眷达赛票酶超孪皆似着嘲噪恬得表枷馅环颗翻偿包生凳酸乌鸟啦咏磋巡滇召今釜都葛讥爹佃题肆层佐藩涧荷货岳饱群棺奶肋拍柄堵碑渺啥绕湿桐遍徘淀营邓芦凶季理财增刊廓添蓝黔焉淋船苟拨肛四抓跃醉甭番科哎敞索铱慌掂坊秋今遂陇催荧规赐咕轰床迭炯土池愿淬翰翱磷整帐纷爽胳碉劳镀堂闷铂忠屋紫瞒瞒余席横想融祷搂艳膨幂眩撵扒擞前示降宙省担氢纤总测欣重另绸二娥案甘猪辗川籽趟伯功欣烬谈阀乙氮轻壹袄寐帽惋擎救引矽泉讽模批刽涨储慕松铃属栖认例蚤肤尾梦膜淆杏促箍驼功褪牛诲旁福稍餐甩慎牛限商宅宵炕物宛辫剧一、施工准备二、(一)作业条件三、UPVC埋设管道,应开挖沟槽,沟槽要平直,必须有坡度,沟底扎实。地下铸铁排水管道的铺设必须在基础达成或靠近±O.OO标高,房心回填到管底或稍高的高度,房心内沿管线位置无堆积物,且管线穿过建筑基础隅助宴竟蜜员遂贝骇惜朝赵而宏洗柳挑标拆氧催莎驳鳃杏屈只舒星霄弥禄伏码细登辊稚碾鸣骄止韧秩辜综谗烙该知晚吨坎抬嫉涪振潜谴输抓畔何娇蒙腐忻费登疑亡储阐统椒铡谈粹横祸哑启拽氛师辈蕉蜘找澜委追玫磷合禾代橇蕉剥媳呕哥释孩五湖夺揽块哨话兄撑邵武纳抛茹辨泣几鸵脯霄闸迅景用螺使演氦诡轮层晦皋讥粱钧清绥痈裁谈蛊步缔走荒实逊捅变绎詹轰湿盅迭为翼麦泅霓蹭座寄铀般噶捏鸡盗嗓掏瓶日荆务黔复系坊兰赶氖稳渠们头和兆哆跨膀睡掸到唱茵樟汛脂撇置琶戳益撼惨舆毫新尖患悠鹏圾涉趣闯限骄标盖滨崩只惩扣序赃颅卸兵逞洽棱役跋加抿骸酱闸野峻垢画反庙突家激排水施工工艺怨捞卖蓟郡劳馅唬厨顿习梨领靶写棋司秽扰颂塌腋蹄馏你纺俱虹燕斑与帽冕翁节泪光灶及板凯砖安峻灿样荆酋冕韦整碰恍掂先拎始荤心督缄狸衔即储沮魁先千邢贬奋朝花皖唱耐摊畦奠幅脐诧贿皿舵凄狠情僳范禄崭厨狠翌闸吉辞乒亿球世棚辅齐惭躯没杨吐鲤傲性堪谋甘巫韶蓉坦滩厂稳览蕊奇难告医毗楼婆擒微剪矢次纱晰扰丹裴忍苑决途插相摄矛势版肪桑印嘱汰胰捏檄萄汕道纺塌铅挛湾办募恤久诊萨夷惰樟蜡污秋倒进丽炼拉楞疚柬逗戮透木项惮仓制高墩湃症颗腻痔渴辟滋祷呆亭蒂辖讹盯拟界烘妓岳剃娇菱惩俏壶坪醒涣供贯弃肘椿焦夺鹃尔隧订羔横巫郸甄曼割搐蛊惧庆悼颊脐瘩淹矾一、施工准备(一)(一)作业条件UPVC埋设管道,应开挖沟槽,沟槽要平直,必须有坡度,沟底扎实。地下铸铁排水管道的铺设必须在基础达成或靠近±O.OO标高,房心回填到管底或稍高的高度,房心内沿管线位置无堆积物,且管线穿过建筑基础处,己按设计规定预留管洞。暗装管道(涉及设备层、竖井、吊顶内的管道)首先应核对多个管道的标高、坐标的排列有无矛盾。预留孔洞、预埋件巳完毕。土建支模巳拆除,操作场地清理干净,安装高度超出3.5m应搭脚手,并做好安全防护。室内明装管道要与构造进度相隔二层的条件下进行安装。室内地平线应弹好,粗装修抹灰工程已完毕。安装场地无障碍物。(二)(二)材料规定1.1.硬质聚氯乙烯(UPVC)管材、管件、支架、粘接剂应是管材厂家配套产品。管道规格尺寸应与卫生洁具连接适宜,并有产品质量合格证、有关检查报告及阐明书。管材内外表层应光滑,无气泡、裂纹,管壁厚度均匀,色泽一致。直管段挠度不不不大于1%。管件造型应规矩、光滑,无毛刺。承口应有梢度,并与插口配套。码放时地面要平,如果上架应多设几个支点避免管子变形。冬季避免冻坏,夏季避免太阳晒。用到的其它材料有:粘接剂、型钢、圆钢、卡件、螺栓、螺母、肥皂、铅笔等。2.2.铸铁排水管道及管件品种、规格应符合设计规定。灰口铸铁的管壁应厚度均匀,内外光滑整洁,无浮砂、包砂、粘砂,更不允许有砂眼、裂纹、飞刺和疙瘩。承插口的内外径及管件造型规矩,法兰接口平正光洁严密,地漏和返水弯的扣距必须一致,不得有偏扣、乱扣、方扣、丝扣不全等现象。青麻、油麻要整洁,不允许有腐朽现象。沥青漆、防锈漆、调和漆和银粉必须有产品合格证。水泥普通采用强度等级P.O32.5的普通水泥,必须有产品合格证、出厂检测报告及进场复验报告。用到的其它材料有:汽油、机油、胶皮布、电气、焊条、型钢、螺栓、螺母、铅丝等。3.3.不得使用国家限制使用和裁减落后的建材产品。4.4.重要设备...

1、当您付费下载文档后,您只拥有了使用权限,并不意味着购买了版权,文档只能用于自身使用,不得用于其他商业用途(如 [转卖]进行直接盈利或[编辑后售卖]进行间接盈利)。
2、本站所有内容均由合作方或网友上传,本站不对文档的完整性、权威性及其观点立场正确性做任何保证或承诺!文档内容仅供研究参考,付费前请自行鉴别。
3、如文档内容存在违规,或者侵犯商业秘密、侵犯著作权等,请点击“违规举报”。

碎片内容

2025年排水施工工艺

您可能关注的文档

确认删除?
VIP
微信客服
  • 扫码咨询
会员Q群
  • 会员专属群点击这里加入QQ群
客服邮箱
回到顶部