电脑桌面
添加小米粒文库到电脑桌面
安装后可以在桌面快捷访问

2025年渔光互补桩基施工方案VIP专享VIP免费

2025年渔光互补桩基施工方案_第1页
1/6
2025年渔光互补桩基施工方案_第2页
2/6
2025年渔光互补桩基施工方案_第3页
3/6
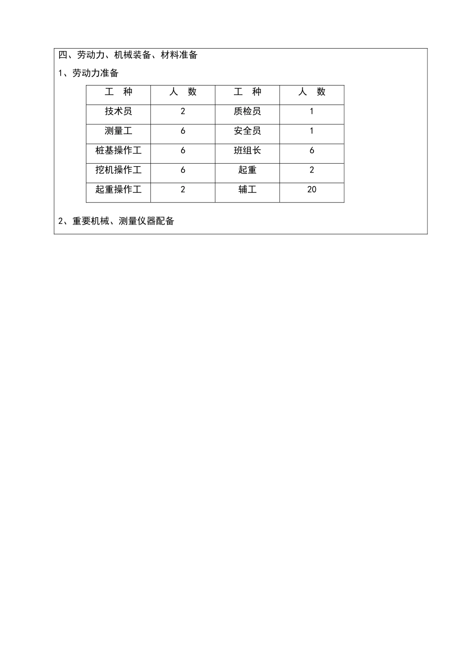
工程名称:华电兴化太阳能发电有限公司(沙沟)80MW光伏发电项目机组容量:80MWp编号:T02作业指导书作业项目名称桩基工程施工方案出版日期3月28日审核批准编写会审编写单位中国能建江苏电建三公司沙沟光伏项目部中国能源建设集团江苏省电力建设第三工程公司一、工程概况本工程场址位于兴化市北侧约25km处,场址边界东西长度约,南北长度约,场址区域现状为鱼塘,对外交通便利。场址中心位置的地理坐标约为北纬33°8'",东经119°43'"。太阳能电池采用多晶硅电池固定方阵,装机容量为。根据太阳电池组件支架的形式以及受力特点,再结合现场环境、地质条件等因素本工程采用预应力PHC管桩基础。考虑到地基持力层深度影响以及受力状况,桩径采用300mm,平均桩长约米;局部最长的桩长为米,选用④层粉砂夹粉土作为基础持力层,桩端进入持力层深度约3米。箱变及逆变器安装平台采用钢筋混凝土现浇构造,平台板标高比相接道路高出300mm。箱变及逆变器安装平台基础采用PHC桩基础,基础以第4层或5层粉质粘土为持力层,结合地勘报告描述,桩长。二、编制根据1、施工合同2、华电兴化太阳能发电有限公司(沙沟)80MWp光伏发电项目施工组织设计3、施工图4、工程测量规范5、建筑桩基技术规范6、电力建设工程施工质量验收及评定原则第1部分7、公司有关技术管理程序三、重要工程量名称规格数量PHC管桩φ300×550032100PHC管桩φ300×60001432PHC管桩φ300×65001508PHC管桩φ300×700024PHC管桩φ300×75002176PHC管桩φ400×8000294四、劳动力、机械装备、材料准备1、劳动力准备工种人数工种人数技术员2质检员1测量工6安全员1桩基操作工6班组长6挖机操作工6起重2起重操作工2辅工202、重要机械、测量仪器配备工种人数工种人数汽车吊2GPS定位仪1挖掘机6全站仪3打桩机6水准仪3拖拉机3钢卷尺3(50米)运输汽车13、材料准备全站所需管桩的供货合同已全部订立,首批管桩500根已运至现场,后期的管桩供应为300~500根/天,能够满足现场需要。五、作业条件1、高程控制点已测放完毕,并经验收合格。2、站内道路已满足首批打桩条件。3、首批管桩已到现场。4、劳动力、施工机械及工器具已全部组织进场,施工人员均已培训合格,机具设备试运转正常。六、作业流程定位放线运桩打桩验收测量调直七、施工技术方法1、抄平放线及桩位放样根据规划部门提供建筑物定位点,测放建筑物各轴线点,同时在不受压桩影响地段测量设立2~4个安全永久性控制点,用于施工过程中检查校正各轴线点或复核桩位。根据轴线定位点测放每个桩位,在施工过程中经常运用不受压桩影响地段布设安全永久性控制点,检查校正轴线定位点或复核桩位,以确保桩测精确,桩位放样误差规定:单桩≤1cm,群桩≤2cm。2、运桩管桩运至现场后,选择适宜的地点就近卸车,吊车装卸管桩采用两头勾头法进行。运用大轮胎拖拉机向打桩区域拖运,如塘底较烂拖拉机不能拖运时,则用挖掘机作业指导书交底统计表J/SG008年月日工程名称华电兴化太阳能发电有限公司(沙沟)80MW光伏发电项目作业指导书名称桩基工程实施方案编制人张维雄交底日期3月29日交底地点施工现场参加人员:赵洋延、沈超、张宣宁、王恒山、丁正江、韦风林、骆海军交底重要内容:根据规划部门提供建筑物定位点,测放建筑物各轴线点,同时在不受压桩影响地段测量设立2-4个安全永久性控制点,用于施工过程中检查校正各轴线点或复核桩位,以确保桩测精确。桩位放样误差规定:单桩≤1cm,群桩≤2cm。管桩运至现场后,选择适宜的地点就近卸车,吊车装卸管桩采用两头勾头法进行。运用大轮胎拖拉机向打桩区域拖运,如塘底较烂,拖拉机不能拖运时,则用挖掘机向打桩区域运输。桩起吊提高到垂直状态后,将桩口套入压梁下部固有送桩器,然后将桩精确的放在桩位上,缓缓施压将桩插入土中左右位置,停止施压检查调直桩身垂直度。交底人签字施工负责人签字专职工程师签字专业负责人签字

1、当您付费下载文档后,您只拥有了使用权限,并不意味着购买了版权,文档只能用于自身使用,不得用于其他商业用途(如 [转卖]进行直接盈利或[编辑后售卖]进行间接盈利)。
2、本站所有内容均由合作方或网友上传,本站不对文档的完整性、权威性及其观点立场正确性做任何保证或承诺!文档内容仅供研究参考,付费前请自行鉴别。
3、如文档内容存在违规,或者侵犯商业秘密、侵犯著作权等,请点击“违规举报”。

碎片内容

2025年渔光互补桩基施工方案

您可能关注的文档

确认删除?
VIP
微信客服
  • 扫码咨询
会员Q群
  • 会员专属群点击这里加入QQ群
客服邮箱
回到顶部