电脑桌面
添加小米粒文库到电脑桌面
安装后可以在桌面快捷访问

2025年预应力钢绞线实际伸长量的计算和量测VIP专享VIP免费

2025年预应力钢绞线实际伸长量的计算和量测_第1页
1/8
2025年预应力钢绞线实际伸长量的计算和量测_第2页
2/8
2025年预应力钢绞线实际伸长量的计算和量测_第3页
3/8
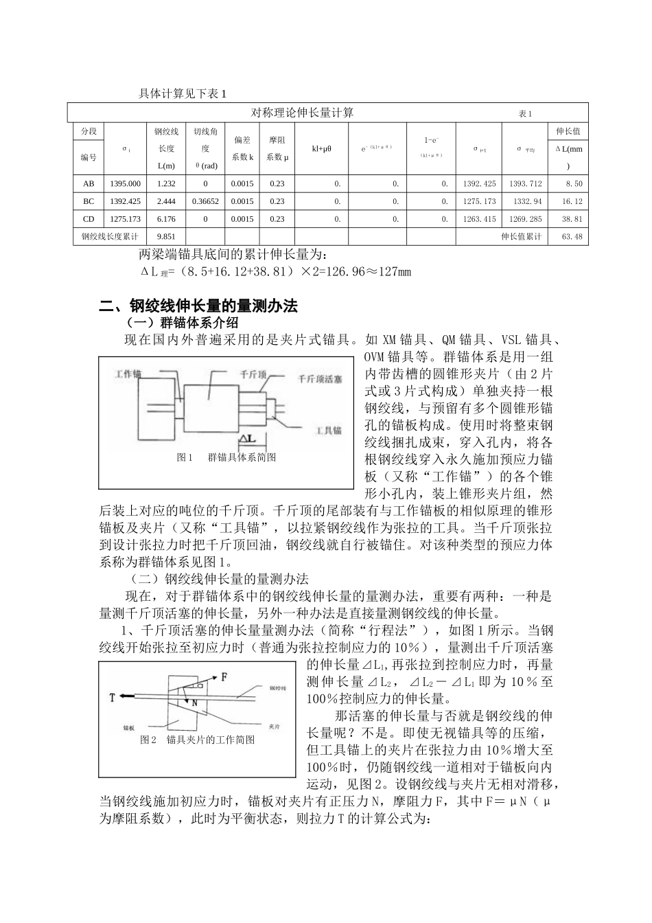
预应力钢绞线实际伸长量的计算与量测预应力混凝土的应用研究与发展,已有一百数年的历史,做为一种新型的复合建筑材料,以其优良的性能,现已经广泛应用于各个领域。在预应力的施工时,普通以张拉应力进行控制,以预应力筋的伸长量进行校核,俗称“双控”。而伸长量的控制对预应力的施加起着重要的作用,伸长量的量测与计算的前提,也直接影响到预应力施加与构造的受力性能。现在,介绍预应力施工的书比较多,但对伸长量的测量与计算,没有明确统一的办法。现以现在国内外普遍采用的夹片式锚具为例,结合有关的理论资料与实际操作中的某些注意事项,对如何计算理论伸长量与现场测量控制作简朴的阐明,以期捋清有关问题。一、设计伸长量的复核设计文献提供的设计伸长量是设计单位按通用资料选用的有关参数进行计算得来的。普通与实际材料的有关参数(如预应力筋的公称截面面积、弹性模量、值等)有出入,在复核设计伸长量时应采用实测参数进行修正,以获得实际理论伸长量指导施工。(一)理论伸长量计算理论伸长量即指两工作锚底间的预应力筋的理论伸长量,以ΔL理表达。1、理论公式:(1)根据《公路桥涵施工技术规范》(JTJ041—),钢绞线理论伸长量计算公式以下:⑴⑵式中:PP——预应力筋的平均张拉力(N),无管道接触的直线筋取张拉端的拉力,预应力管道内的直、曲筋计算办法见⑵式;——预应力筋的长度;AP——预应力筋的截面面积(mm2);普通按实测实验值取值。EP——预应力筋的弹性模量(N/mm2);普通按实测实验值取值。P——预应力筋张拉端的张拉力(N);——从张拉端至计算截面的孔道长度(m);——从张拉端至计算截面的孔道部分切线的夹角之和(rad);——孔道每米局部偏差对摩擦的影响系数;——预应力筋与孔道壁的摩擦系数。(2)计算理论伸长值,要先拟定预应力筋的工作长度和线型段落的划分。后张法钢绞线型现有直线又有曲线,由于不同线型区间的平均应力会有很大差别,因此需要分段计算伸长值,然后累加。于是上式中:⑶Pp值不是定值,而是克服了从张拉端至第i—1段的摩阻力后的剩余有效拉力值,因此表达成“Ppi”更为适宜;(3)计算时也可采用应力计算办法,各点应力公式以下:⑷各点平均应力公式为:⑸各点伸长值计算公式为:⑹有时为计算方便,理论伸长量也有取包含工作长度伸长量在内的总伸长量。(设ΔL测-现场测量值,ΔL实-混凝土内的钢绞线计算伸长值;ΔL工作长度-工作长度的伸长量,该值理论伸长量与实测值基本吻合;理论伸长量不含工作长度伸长量时,计算偏差率为:A1=(ΔL实-ΔL理)/ΔL理×100%理论伸长量含工作长度伸长量时,计算偏差率为:A2=[(ΔL实+ΔL工作长度)-(ΔL理+ΔL工作长度)]/(ΔL理+ΔL工作长度)×100%=(ΔL实-ΔL理)/(ΔL理+ΔL工作长度)×100%A2

1、当您付费下载文档后,您只拥有了使用权限,并不意味着购买了版权,文档只能用于自身使用,不得用于其他商业用途(如 [转卖]进行直接盈利或[编辑后售卖]进行间接盈利)。
2、本站所有内容均由合作方或网友上传,本站不对文档的完整性、权威性及其观点立场正确性做任何保证或承诺!文档内容仅供研究参考,付费前请自行鉴别。
3、如文档内容存在违规,或者侵犯商业秘密、侵犯著作权等,请点击“违规举报”。

碎片内容

2025年预应力钢绞线实际伸长量的计算和量测

您可能关注的文档

确认删除?
微信客服
  • 扫码咨询
会员Q群
  • 会员专属群点击这里加入QQ群