电脑桌面
添加小米粒文库到电脑桌面
安装后可以在桌面快捷访问

伺服电机常用电气测试方法VIP免费

伺服电机常用电气测试方法_第1页
1/5
伺服电机常用电气测试方法_第2页
2/5
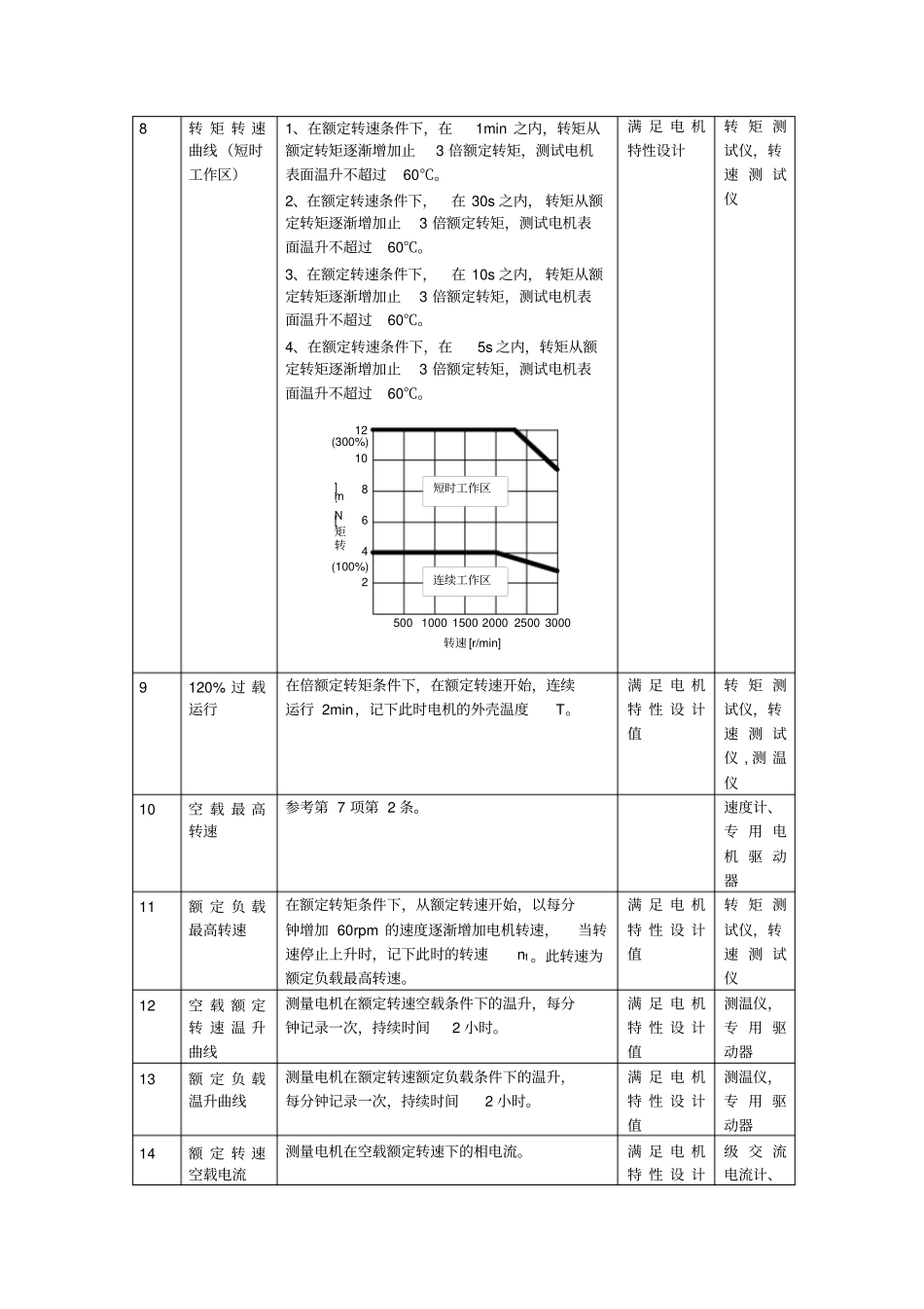
伺服电机常用电气测试方法_第3页
3/5
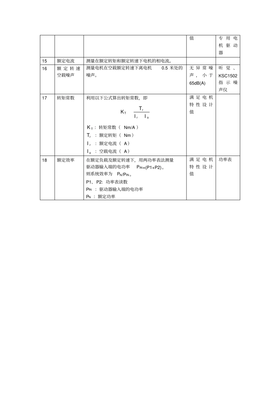
电机常规电气参数测试方法序号检查项目检查方法判定基准设备1相电阻测量U-V,V-W,W-U的相间电阻,并将测量值转换为25℃的相电阻值,即TRRT5.234255.234R:25℃时的换算电阻RT:电阻的测量值T:测量电阻时的温度平均相电阻为(RUV+RVW+RWU)/6满足电机特性设计值惠斯登电桥2相电感LCR仪表频率为1kHz,输入电压为1V。测量U-V,V-W,W-U的相间电感,然后取平均值,得到相电感L=(LUV+LVW+LWU)/6。连续测3次,得到3个平均值L1,L2,L3,于是测得相电感最终结果为L=(L1+L2+L3)/3。满足电机特性设计值LCR仪表3直轴电感交轴电感LCR仪表频率为1kHz,输入电压为1V。测量任意两相的相间电感,用手缓慢转动电机转轴,记下最大值Lmax和最小值Lmin。Ld=Lmin/2,Lq=Lmax/2Ld:直轴电感Lq:交轴电感满足电机特性设计值LCR仪表4齿槽转矩被测电机不通电,手动拉动数字测力计,拉到杠杆滑动前瞬间的力的显示值maxF,乘以力臂长L,就是齿槽转矩幅值(单峰幅值)。定额转矩值的3%以内专用测量装置、数字测力计5反电势波形用一台伺服电机通过连轴器拖动被测电机,转速保持在1000rpm,测量并记录被测电机的相间电压波形。6反电势常数用电机驱动器让电机旋转(这时速度设定为1000r/min),测量电机线电压有效值E,公式为EKEKE:反电动势常数V/krpm(伏/千转分钟)E:电机的线电压(V)Sine波形、满足电机特性设计值肉眼、示波器、交流电压计、电机驱动器、速度计7转矩转速曲线(连续工作区)1、在额定转矩条件下,从额定转速开始,测得转速n1,使得电机在此转速下运行2小时的温升为60K。此转速为电机在额定负载时,能连续工作的最高转速。2、在空载条件下,从额定转速开始,以每分钟增加60rpm的速度逐渐增加电机转速,并同时观察实际测量转速,当实际转速不随设定转速增加时,记下此时的转速n2。此转速亦为空载最高转速。满足电机特性设计转矩测试仪,转速测试仪8转矩转速曲线(短时工作区)1、在额定转速条件下,在1min之内,转矩从额定转矩逐渐增加止3倍额定转矩,测试电机表面温升不超过60℃。2、在额定转速条件下,在30s之内,转矩从额定转矩逐渐增加止3倍额定转矩,测试电机表面温升不超过60℃。3、在额定转速条件下,在10s之内,转矩从额定转矩逐渐增加止3倍额定转矩,测试电机表面温升不超过60℃。4、在额定转速条件下,在5s之内,转矩从额定转矩逐渐增加止3倍额定转矩,测试电机表面温升不超过60℃。转矩[N·m]50010001500200025003000转速[r/min]24681012连续工作区短时工作区(100%)(300%)满足电机特性设计转矩测试仪,转速测试仪9120%过载运行在倍额定转矩条件下,在额定转速开始,连续运行2min,记下此时电机的外壳温度T。满足电机特性设计值转矩测试仪,转速测试仪,测温仪10空载最高转速参考第7项第2条。速度计、专用电机驱动器11额定负载最高转速在额定转矩条件下,从额定转速开始,以每分钟增加60rpm的速度逐渐增加电机转速,当转速停止上升时,记下此时的转速n1。此转速为额定负载最高转速。满足电机特性设计值转矩测试仪,转速测试仪12空载额定转速温升曲线测量电机在额定转速空载条件下的温升,每分钟记录一次,持续时间2小时。满足电机特性设计值测温仪,专用驱动器13额定负载温升曲线测量电机在额定转速额定负载条件下的温升,每分钟记录一次,持续时间2小时。满足电机特性设计值测温仪,专用驱动器14额定转速空载电流测量电机在空载额定转速下的相电流。满足电机特性设计级交流电流计、值专用电机驱动器15额定电流测量在额定转矩和额定转速下电机的相电流。16额定转速空载噪声测量电机在空载额定转速下离电机0.5米处的噪声。无异常噪声,小于65dB(A)听觉、KSC1502指示噪声仪17转矩常数利用以下公式算出转矩常数,即orrTIITKTK:转矩常数(Nm/A)rT:额定转矩(Nm)rI:额定电流(A)oI:空载电流(A)满足电机特性设计值18额定效率在额定负载及额定转速下,用两功率表法测量驱动器输入端的电功率PIN=(P1+P2)。则系统效率为PN/PIN。P1、P2:功率表读数PIN:驱动器输入端的电功率PN:额定功率满足电机特性设计值功率表惠斯登电桥图1测量线间电阻LCR测试仪图2测量线间电感手动数字测力计L被测电动机轴F图3杠杆测量法VVV图4测试反电动势WWRSTRST图5测试额定效率噪声计500mm专用驱动器图6噪声测试

1、当您付费下载文档后,您只拥有了使用权限,并不意味着购买了版权,文档只能用于自身使用,不得用于其他商业用途(如 [转卖]进行直接盈利或[编辑后售卖]进行间接盈利)。
2、本站所有内容均由合作方或网友上传,本站不对文档的完整性、权威性及其观点立场正确性做任何保证或承诺!文档内容仅供研究参考,付费前请自行鉴别。
3、如文档内容存在违规,或者侵犯商业秘密、侵犯著作权等,请点击“违规举报”。

碎片内容

伺服电机常用电气测试方法

您可能关注的文档

文库响当当+ 关注
实名认证
内容提供者

该用户很懒,什么也没介绍

确认删除?
VIP
微信客服
  • 扫码咨询
会员Q群
  • 会员专属群点击这里加入QQ群
客服邮箱
回到顶部