电脑桌面
添加小米粒文库到电脑桌面
安装后可以在桌面快捷访问

住宅建筑做法3简介VIP免费

住宅建筑做法3简介_第1页
1/10
住宅建筑做法3简介_第2页
2/10
住宅建筑做法3简介_第3页
3/10
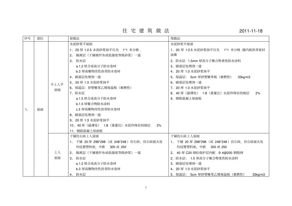
1住宅建筑做法2011-11-18序号部位原做法现做法1、屋面不上人平屋面水泥砂浆平屋面1、25厚1:2.5水泥砂浆抹平压光1*1米分格,2、隔离层(干铺玻纤布或低强度等级砂浆)一道3、防水层a.1.2厚合成高分子防水卷材b.3厚高聚物改性沥青防水卷材4、刷基层处理剂一道5、20厚1:3水泥砂浆抹平6、保温层:挤塑聚苯乙烯保温板(难燃性)7、防水层a.1.5厚合成高分子防水卷材b.1.5厚聚合物防水涂料c.3厚高聚物改性沥青防水卷材8、刷基层处理剂一道9、20厚1:3水泥砂浆抹平10、40厚(最薄处)1:8(重量比)水泥珍珠岩找坡层2%11、钢筋混凝土屋面板水泥砂浆平屋面1、20厚1:2.5水泥砂浆抹平压光1*1米分格,缝内嵌沥青密封油膏2、防水层1.5mm厚高分子聚合物柔性防水涂料3、刷基层处理剂一道4、20厚1:3水泥砂浆抹平5、保温层:5cm厚挤塑聚苯板(难燃性)33kg/m36、刷基层处理剂一道7、20厚1:3水泥砂浆抹平8、40厚(最薄处)1:8(重量比)水泥珍珠岩找坡层2%9、钢筋混凝土屋面板上人屋面干铺仿石砖上人屋面1、干铺20厚298*298(或248*248)仿石砖,仿石砖接头处均设置塑料座,中距300或2502、隔离层(干铺玻纤布或低强度等级砂浆)一道3、防水层a.1.2厚合成高分子防水卷材b.3厚高聚物改性沥青防水卷材4、防水层干铺仿石砖上人屋面1、干铺20厚298*298(或248*248)仿石砖,仿石砖接头处均设置塑料座,中距300或2502、40厚C20细砼保护层内配Φ4@200钢筋网2、防水层:1.5厚高分子聚合物柔性防水涂料3、刷基层处理剂一道4、20厚1:3水泥砂浆抹平5、保温层:5cm厚挤塑聚苯乙烯保温板(难燃性)33kg/m32a.1.5厚合成高分子防水卷材b.3厚高聚物改性沥青防水卷材5、刷基层处理剂一道6、20厚1:3水泥砂浆抹平7、保温层:挤塑聚苯乙烯保温板(难燃性)8、20厚1:3水泥砂浆找平9、40厚(最薄处)1:8(重量比)水泥珍珠岩找坡层2%10、钢筋混凝土屋面板6、20厚1:3水泥砂浆找平7、40厚(最薄处)1:8(重量比)水泥珍珠岩找坡层2%8、钢筋混凝土屋面板准备:屋面的施工顺序是先施工平屋面,平屋面防水层和坡屋面的防水层搭接。坡屋面平瓦坡屋面1、平瓦用铜丝绑扎固定于挂瓦条2、35厚C20细石砼找平层,内配Φ4双向间距150钢筋网与预埋Φ10钢筋绑扎。3、防水层:3厚高聚物改性沥青防水卷材4、刷基层处理剂一道5、20厚1:3水泥砂浆抹平6、聚合物砂浆粘贴保温层(用挤塑聚苯乙烯保温板难燃性)7、20厚1:3水泥砂浆找平8、素水泥浆一道9、钢筋混凝土屋面板,板内在檐口及屋脊部位须预埋Φ10钢筋一排间距1500平瓦坡屋面1、1:3水泥砂浆贴瓦2、20厚1:3水泥砂浆找平层3、聚合物砂浆粘贴保温层(用6cm聚苯乙烯保温板难燃性)18kg/m34、防水层:1.5厚高分子聚合物柔性防水涂料5、刷基层处理剂一道6、20厚1:3水泥砂浆找平7、素水泥浆一道8、钢筋混凝土屋面板,板内在檐口及屋脊部位须预埋Φ10钢筋一排间距1500种植屋面1、30厚1:2.5水泥砂浆保护层表面抹光2、400g/m2丙纶两层(自建筑完成面上返300)3、2cm厚1:3水泥砂浆找平2外墙住宅首层到室外地坪贴砌聚苯板复合保温面砖外墙1、面砖:聚合物砂浆粘贴2、10厚抗裂砂浆复合热镀锌电焊网,塑料锚栓双向中距500锚固(加气砼砌块墙体采用尼龙锚栓)贴砌聚苯板复合保温面砖外墙(自外至内)1、面砖:聚合物砂浆粘贴面砖或仿真石漆2、10厚抗裂砂浆复合热镀锌电焊网,塑料锚栓双向中距500锚固(加气砼砌块墙体采用尼龙锚栓)33、10厚粘结型胶粉聚苯颗粒找平层4、*厚横向凹槽聚苯板或挤塑板,15厚粘结型胶粉聚苯颗粒粘贴5、刷界面处理剂一道6、基层墙体:混凝土墙,加气混凝土砌块墙3、6cm聚苯板(B1)18kg/m34、20厚1:2.5水泥砂浆找平5、刷界面处理剂一道6、基层墙体:混凝土墙,加气混凝土砌块墙住宅首层以上墙面贴砌聚苯板复合保温面砖外墙1、外墙弹性涂料2、刷弹性底涂,刮柔性腻子3、3—5厚抗裂砂浆复合耐碱玻纤网格布4、10厚粘结型胶粉聚苯颗粒找平层5、贴砌*厚横向梯形槽聚苯板保温层6、15厚粘结型胶粉聚苯颗粒7、刷界面砂浆一道8、基层墙体:混凝土墙,加气混凝土砌块墙贴砌聚苯板复合保温面砖外墙1、外墙弹性涂料2、刷弹性底涂,刮柔性腻子3、3—5厚抗裂砂浆复合耐碱玻纤网格布4、6cm聚苯板(B1...

1、当您付费下载文档后,您只拥有了使用权限,并不意味着购买了版权,文档只能用于自身使用,不得用于其他商业用途(如 [转卖]进行直接盈利或[编辑后售卖]进行间接盈利)。
2、本站所有内容均由合作方或网友上传,本站不对文档的完整性、权威性及其观点立场正确性做任何保证或承诺!文档内容仅供研究参考,付费前请自行鉴别。
3、如文档内容存在违规,或者侵犯商业秘密、侵犯著作权等,请点击“违规举报”。

碎片内容

住宅建筑做法3简介

您可能关注的文档

确认删除?
VIP
微信客服
  • 扫码咨询
会员Q群
  • 会员专属群点击这里加入QQ群
客服邮箱
回到顶部