电脑桌面
添加小米粒文库到电脑桌面
安装后可以在桌面快捷访问

住宅建筑规范最新版VIP专享VIP免费

住宅建筑规范最新版_第1页
1/14
住宅建筑规范最新版_第2页
2/14
住宅建筑规范最新版_第3页
3/14
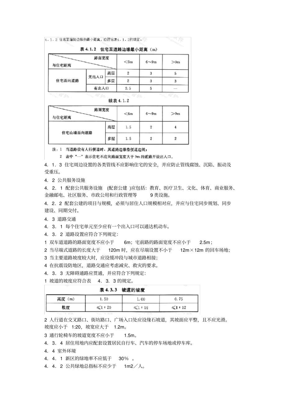
住宅建筑规范1总则1.0.1为贯彻执行国家技术经济政策,推进可持续发展,规范住宅的基本功能和性能要求,依据有关法律、法规,制定本规范。1.0.2本规范适用于城镇住宅的建设、使用和维护。1.0.3住宅建设应因地制宜、节约资源、保护环境,做到适用、经济、美观,符合节能、节地、节水、节材的要求。1.0.4本规范的规定为对住宅的基本要求。当与法律、行政法规的规定抵触时,应按法律、行政法规的规定执行。1.0.5住宅的建设、使用和维护,尚应符合经国家批准或备案的有关标准的规定。2术语2.0.1住宅建筑residentialbuilding供家庭居住使用的建筑(含与其他功能空间处于同一建筑中的住宅部分),简称住宅。2.0.2老年人住宅housefortheaged供以老年人为核心的家庭居住使用的专用住宅。老年人住宅以套为单位,普通住宅楼栋中可设置若干套老年人住宅。2.0.3住宅单元residentialbuildingunit由多套住宅组成的建筑部分,该部分内的住户可通过共用楼梯和安全出口进行疏散。2.0.4套dwellingspace由使用面积、居住空间组成的基本住宅单位。2.0.5无障碍通路barrier-freepassage住宅外部的道路、绿地与公共服务设施等用地内的适合老年人、体弱者、残疾人、轮椅及童车等通行的交通设施。2.0.6绿地greenspace居住用地内公共绿地、宅旁绿地、公共服务设施所属绿地和道路绿地(即道路红线内的绿地)等各种形式绿地的总称,包括满足当地植树绿化覆土要求、方便居民出入的地下或半地下建筑的屋顶绿地,不包括其他屋顶、晒台的绿地及垂直绿化。2.0.7公共绿地publicgreenspace满足规定的日照要求、适合于安排游憩活动设施的、供居民共享的集中绿地。2.0.8绿地率greeningrate居住用地内各类绿地面积的总和与用地面积的比率(%)。2.0.9入口平台entranceplatform在台阶或坡道与建筑人口之间的水平地面。2.0.10无障碍住房barrier-freeresidence在住宅建筑中,设有乘轮椅者可进入和使用的住宅套房。2.0.11轮椅坡道rampforwheelchair坡度、宽度及地面、扶手、高度等方面符合乘轮椅者通行要求的坡道。2.0.12地下室basement房间地面低于室外地平面的高度超过该房间净高的1/2者。2.0.13半地下室semi-basement房间地面低于室外地平面的高度超过该房间净高的1/3,且不超过1/2者。2.0.14设计使用年限designworkinglife设计规定的结构或结构构件不需进行大修即可按其预定目的使用的时期。2.0.15作用action引起结构或结构构件产生内力和变形效应的原因。2.0.16非结构构件non-structuralelement连接于建筑结构的建筑构件、机电部件及其系统。3基本规定3.1住宅基本要求3.1.1住宅建设应符合城市规划要求,保障居民的基本生活条件和环境,经济、合理、有效地使用土地和空间。3.1.2住宅选址时应考虑噪声、有害物质、电磁辐射和工程地质灾害、水文地质灾害等的不利影响。3.1.3住宅应具有与其居住人口规模相适应的公共服务设施、道路和公共绿地。3.1.4住宅应按套型设计,套内空间和设施应能满足安全、舒适、卫生等生活起居的基本要求。3.1.5住宅结构在规定的设计使用年限内必须具有足够的可靠性。3.1.6住宅应具有防火安全性能。3.1.7住宅应具备在紧急事态时人员从建筑中安全撤出的功能。3.1.8住宅应满足人体健康所需的通风、日照、自然采光和隔声要求。3.1.9住宅建设的选材应避免造成环境污染。3.1.10住宅必须进行节能设计,且住宅及其室内设备应能有效利用能源和水资源。3.1.11住宅建设应符合无障碍设计原则。3.1.12住宅应采取防止外窗玻璃、外墙装饰及其他附属设施等坠落或坠落伤人的措施。3.2许可原则3.2.1住宅建设必须采用质量合格并符合要求的材料与设备。3.2.2当住宅建设采用不符合工程建设强制性标准的新技术、新工艺、新材料时,必须经相关程序核准。3.2.3未经技术鉴定和设计认可,不得拆改结构构件和进行加层改造。3.3既有住宅3.3.1既有住宅达到设计使用年限或遭遇重大灾害后,需要继续使用时,应委托具有相应资质的机构鉴定,并根据鉴定结论进行处理。3.3.2既有住宅进行改造、改建时,应综合考虑节能、防火、抗震的要求。4外部环境4.1...

1、当您付费下载文档后,您只拥有了使用权限,并不意味着购买了版权,文档只能用于自身使用,不得用于其他商业用途(如 [转卖]进行直接盈利或[编辑后售卖]进行间接盈利)。
2、本站所有内容均由合作方或网友上传,本站不对文档的完整性、权威性及其观点立场正确性做任何保证或承诺!文档内容仅供研究参考,付费前请自行鉴别。
3、如文档内容存在违规,或者侵犯商业秘密、侵犯著作权等,请点击“违规举报”。

碎片内容

住宅建筑规范最新版

确认删除?
VIP
微信客服
  • 扫码咨询
会员Q群
  • 会员专属群点击这里加入QQ群
客服邮箱
回到顶部