电脑桌面
添加小米粒文库到电脑桌面
安装后可以在桌面快捷访问

信息工程采购合同适用于软件开发与硬件数据库集成工程VIP免费

信息工程采购合同适用于软件开发与硬件数据库集成工程_第1页
1/11
信息工程采购合同适用于软件开发与硬件数据库集成工程_第2页
2/11
信息工程采购合同适用于软件开发与硬件数据库集成工程_第3页
3/11
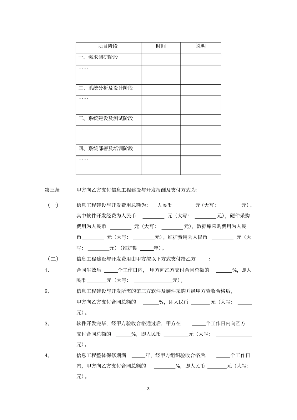
1穗政合同示范文本014号信息工程采购合同(适用于软件开发与硬件数据库集成工程)(参考文本)合同编号:______________项目名称:__________________________项目地点:__________________________委托方:__________________________受托方:__________________________签订时间:年月日签订地点:2甲方(委托方):________________________________乙方(受托方):________________________________本合同甲方委托乙方就信息工程项目进行专项技术建设与开发(以下简称“信息工程建设与开发”),并支付相应的报酬。双方经过平等协商,在真实、充分地表达各自意愿的基础上,根据《中华人民共和国合同法》的规定以及采购文件确定的事项,达成如下协议,并由双方共同恪守。第一条甲方委托乙方进行信息工程建设与开发的内容如下:(一)信息工程建设与开发的目标:。(二)信息工程建设与开发的内容:软件开发部分:硬件部分:数据库部分:第二条乙方应按下列要求完成信息工程建设与开发工作:(一)地点:;(二)期限:自合同生效之日起至免费维护期结束止;(三)质量要求:;(四)质量期限要求:项目终验通过后提供年的免费技术支持服务。(五)项目进度计划:见下表(也可列表作为附件)3第三条甲方向乙方支付信息工程建设与开发报酬及支付方式为:(一)信息工程建设与开发费用总额为:人民币元(大写:元)。其中软件开发经费为人民币元(大写:元),硬件采购费用为人民币元(大写:元),数据库采购费用为人民币元(大写:元),维护费用为人民币元(大写:元)(维护期年)。(二)信息工程建设与开发费用由甲方按以下方式支付给乙方:1、合同生效后个工作日内,甲方向乙方支付合同总额的%,即人民币元(大写:元)。2、信息工程建设与开发所需的第三方软件及硬件采购并经甲方验收合格后,甲方向乙方支付合同总额的%,即人民币元(大写:元)。3、软件开发完毕,经甲方验收合格通过后,甲方在个工作日内向乙方支付合同总额的%,即人民币元(大写:元)。4、信息工程整体保修期满年,经甲方组织验收合格后,个工作日内,甲方向乙方支付合同总额的%,即人民币元(大写:元)。项目阶段时间说明一、需求调研阶段⋯⋯二、系统分析及设计阶段⋯⋯三、系统建设及测试阶段⋯⋯四、系统部署及培训阶段⋯⋯45、甲方向财政主管部门提出付款申请之日即为甲方已履行付款义务之日。(三)乙方应当在甲方付款前天内向甲方提供等值有效发票,否则甲方可延期付款,且不承担违约责任。(四)乙方开户银行名称、户名和帐号为:开户银行:____户名:账号:第四条保密义务(一)任一方对合同对方所提供的所有资料以及在本合同签订、履行过程中所接触到的对方及其关联主体的国家秘密、政府机关工作秘密、商业秘密、技术资料、客户信息等资料和信息(统称“保密资料”),负有保密义务。未经合同对方书面许可,任一方不得向任何第三方披露,不得将保密资料的部分或全部用于本合同约定事项以外的其他用途。任一方有义务对保密资料采取不低于对其本身的保密信息所采取的保护手段予以保护。任一方可仅为本合同之目的向其确有知悉必要的代表、职员披露保密资料,但同时须指示并保证其代表、职员遵守本条规定的保密及不披露义务,并对获悉有关保密资料的代表、职员的行为承担连带责任。(二)任一方仅在为履行本合同之目的时方可对保密资料进行复制。任一方不得以任何方式(如软硬盘、图纸、彩样、照片、菲林、光盘等)留存保密资料(包括但不限于素材、半成品、成品)。乙方应当在完成委托事项或本合同终止或解除时将保密资料原件全部返还甲方,并销毁所有复制件。任一方均应当妥善保管保密资料,并对保密资料保存或被持有于该方期间发生的被盗、泄露或其他有损保密资料保密性的事件承担全部责任,因此造成合同对方损失的,该责任方应负责赔偿。(三)当出现下述情况时,本条对保密资料的限制不适用。当保密资料:1、已经公布于众的信息或资料,但不包括任一方或其代表、职员等未经合法授权所公布或披露的;2、由本协议之一方提供予另一方之前已由另一方通过合法且非保密渠道获得的信息和资料。3、由本协议之...

1、当您付费下载文档后,您只拥有了使用权限,并不意味着购买了版权,文档只能用于自身使用,不得用于其他商业用途(如 [转卖]进行直接盈利或[编辑后售卖]进行间接盈利)。
2、本站所有内容均由合作方或网友上传,本站不对文档的完整性、权威性及其观点立场正确性做任何保证或承诺!文档内容仅供研究参考,付费前请自行鉴别。
3、如文档内容存在违规,或者侵犯商业秘密、侵犯著作权等,请点击“违规举报”。

碎片内容

信息工程采购合同适用于软件开发与硬件数据库集成工程

您可能关注的文档

确认删除?
VIP
微信客服
  • 扫码咨询
会员Q群
  • 会员专属群点击这里加入QQ群
客服邮箱
回到顶部