电脑桌面
添加小米粒文库到电脑桌面
安装后可以在桌面快捷访问

全国一级建造师建筑工程管理与实务1VIP免费

全国一级建造师建筑工程管理与实务1_第1页
1/13
全国一级建造师建筑工程管理与实务1_第2页
2/13
全国一级建造师建筑工程管理与实务1_第3页
3/13
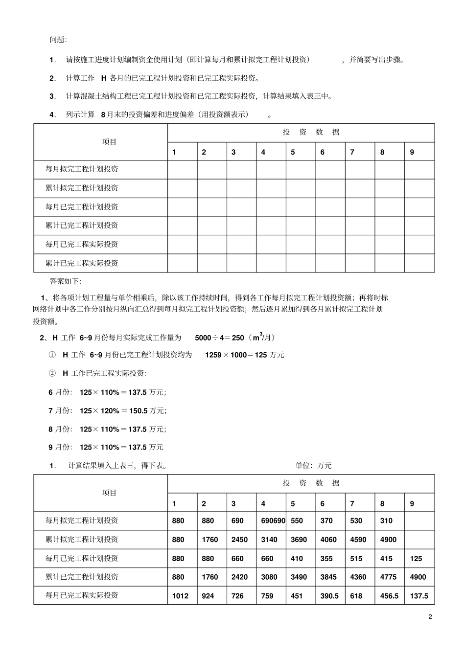
1全国一级建造师执业资格考试《建筑工程与实务》一.某工程项目施工合同于2005年12月签订,约定的合同工期为20个月,2006年1月开始正式施工,施工单位按合同工期要求编制了混凝土结构工程施工进度网络计划(如图一)所示,并经专业监理工程师审核批准。该项目的各项工程均按最早开始时间安排,且各工作每月所完成的工程量相等。各工作的计划工程量和实际工程量如表一所示。工作D、E、F的实际工作持续时间与计划工作持续时间相同。表一工作ABCDEFGH计划工作量(m3)860090005400100005200620010003600实际工作量(m3)86009000540092005000580010005000合同约定,混凝土结构综合单价为1000元/m3,按月结算。结算价按项目所在地混凝土结构工程价格指数进行调整,项目实施期间各月的混凝土结构工程价格指数如表二所示。施工期间,由于建设单位原因使工作H的开始时间比计划的开始时间推迟1个月,并由于工作H工程量的增加使该工作的工作持续时间延长1各月。时间200512月20061月20062月20063月20064月20065月20066月20067月20068月20099月混凝土结构工程价格指数(%)1001151051101151101001201101102问题:1.请按施工进度计划编制资金使用计划(即计算每月和累计拟完工程计划投资),并简要写出步骤。2.计算工作H各月的已完工程计划投资和已完工程实际投资。3.计算混凝土结构工程已完工程计划投资和已完工程实际投资,计算结果填入表三中。4.列示计算8月末的投资偏差和进度偏差(用投资额表示)。项目投资数据123456789每月拟完工程计划投资累计拟完工程计划投资每月已完工程计划投资累计已完工程计划投资每月已完工程实际投资累计已完工程实际投资答案如下:1、将各项计划工程量与单价相乘后,除以该工作持续时间,得到各工作每月拟完工程计划投资额;再将时标网络计划中各工作分别按月纵向汇总得到每月拟完工程计划投资额;然后逐月累加得到各月累计拟完工程计划投资额。2、H工作6~9月份每月实际完成工作量为5000÷4=250(m3/月)①H工作6~9月份已完工程计划投资均为1259×1000=125万元②H工作已完工程实际投资:6月份:125×110%=137.5万元;7月份:125×120%=150.5万元;8月份:125×110%=137.5万元;9月份:125×110%=137.5万元1.计算结果填入上表三,得下表。单位:万元项目投资数据123456789每月拟完工程计划投资880880690690690550370530310累计拟完工程计划投资8801760245031403690406045904900每月已完工程计划投资880880660660410355515415125累计已完工程计划投资88017602420308034903845436047754900每月已完工程实际投资1012924726759451390.5618456.5137.53累计已完工程实际投资101219362662342138724262.54880.553375474.54.投资偏差=已完工程实际投资-已完工程计划投资=5337-4775=562万元,超支562万元。进度偏差=拟完工程实际投资-已完工程计划投资=4900-4775=125万元,拖延125万元。二.某施工项目进行到17周时,对前16周的工作进行了统计检查,有关情况见下表:工作代号计划完成工作预算费用(万元)已完成工作量(%)实际发生费用(万元)A300100310B280100290C260100250D560100560E72050320F450100430G60040270H36000I35080300J290100260K15000L180100180问题(1)简述挣值法中三个参数(费用值)的代号及意义(2)求出前16周的挣得值及16周末的挣得值(3)求出16周的CV与SV(4)求出16周的CPI,SPI并分析成本和进度情况答:(1)三个参(费用值)为:①BCWP:已完工程预算费用,指在某一时间已经完成的工作,以批准认可的预算为标准所需要的资金总额②BCWS:计划完成工作预算费用,即根据进度计划,在某一时刻应当完成的工作,以预算的标准所需要的资金总额③ACWP:已完成工作的实际费用,即到某一时刻为止已完成的工作,所实际花费的总金额(2)计算结果如下表工作代号计划完成工作预算费用(万元)已完成工作量(%)实际发生费用(万元)挣得值A3001003103004B280100290280C260100250260D560100560560E72050320360F450100430450G60040270240H360000I35080300280J290100260290K150000L180100180180合计450031703200(3)16周末的ACWP为317...

1、当您付费下载文档后,您只拥有了使用权限,并不意味着购买了版权,文档只能用于自身使用,不得用于其他商业用途(如 [转卖]进行直接盈利或[编辑后售卖]进行间接盈利)。
2、本站所有内容均由合作方或网友上传,本站不对文档的完整性、权威性及其观点立场正确性做任何保证或承诺!文档内容仅供研究参考,付费前请自行鉴别。
3、如文档内容存在违规,或者侵犯商业秘密、侵犯著作权等,请点击“违规举报”。

碎片内容

全国一级建造师建筑工程管理与实务1

文库当当响+ 关注
实名认证
内容提供者

该用户很懒,什么也没介绍

确认删除?
VIP
微信客服
  • 扫码咨询
会员Q群
  • 会员专属群点击这里加入QQ群
客服邮箱
回到顶部