电脑桌面
添加小米粒文库到电脑桌面
安装后可以在桌面快捷访问

六西西回风巷维修作业规程修改版VIP免费

六西西回风巷维修作业规程修改版_第1页
1/10
六西西回风巷维修作业规程修改版_第2页
2/10
六西西回风巷维修作业规程修改版_第3页
3/10
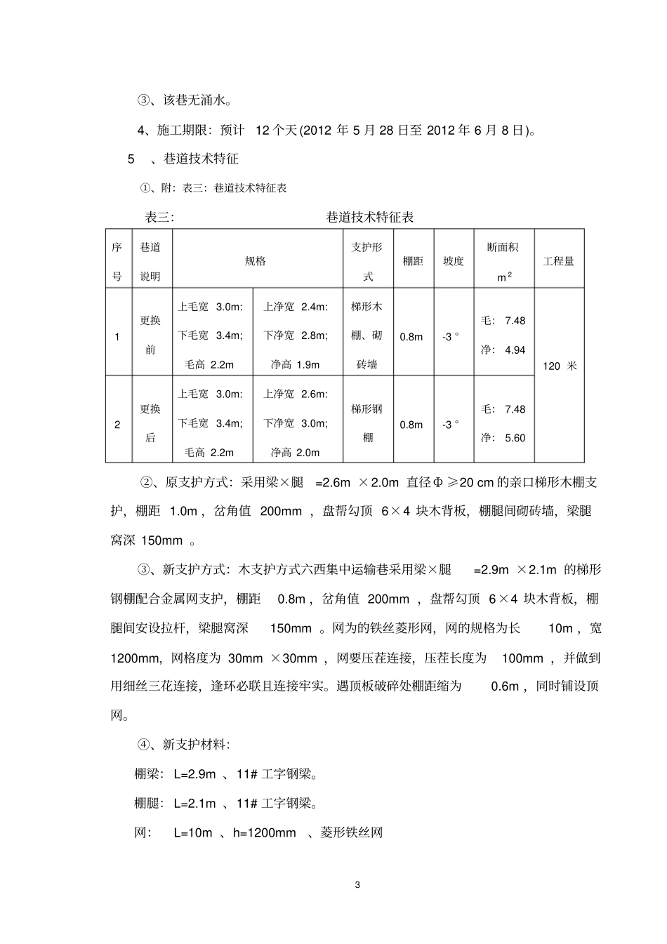
1六西西回风巷维修施工作业规程由于我矿井下六西西回风巷有120m采用木棚支护,不符合当前安全生产要求,为了解决这一问题,我矿计划对六西西回风巷的木棚支护全部更换为11#矿用工字钢制作的工字钢棚支护,棚距中---中为0.8m,采用四六盘帮勾顶,顶板破碎处加设顶网。为了圆满完成上述支护更换维修任务,特制定作业规程如下:一、施工地点情况1、施工地点为六西西回风巷120米木棚支护。六西西回风巷全长为305m,2010年回风巷维修时已对其中185m巷道进行维修,更换为钢梁支护,剩余120米巷道为本为木梁支护,现巷道底板铺设有一趟φ168mm抽放管路,帮上有一趟3寸防尘管路。该两沿3#煤层底板掘进,巷道上方为3#煤,厚度3.8m。2、附:表一:煤层顶底板情况表一:煤层顶底板情况顶底板名岩石名称厚度(m)岩性特征老顶砂岩8.04灰至深灰色,较至密,中砂质直接顶泥岩0.2~0.6灰黑至黑色、易碎伪顶泥岩0.05灰黑色,含炭量较高,易碎易风化直接底泥岩3.54灰色、灰黑色、钙质胶结、局部有硅质结核,质软老底砂岩7.4深灰色,较坚硬3、附:表二:煤层赋存基本情况表2表二:煤层赋存基本情况表二二、巷道布置及技术特征1、位置、用途、与临近巷道关系:①、井下位置与四邻巷道采掘情况:位于井田西北部,西接六西北二回风巷(已掘),东接六西北一专用回风巷(已掘),六西西皮带巷(已掘)以南,3610上分层回风顺槽(已掘)以北。六西西回风巷通过联络风门与六西西皮带巷联通,煤柱宽度为25m;六西西回风巷与3610上分层回采面之间的煤柱宽度为25m。②、巷道用途:六西西回风巷为六西北二采区的主要回风巷道。2、服务年限:15年。3、施工条件:①、六西西回风巷沿3#煤层底板掘进,为已掘巷道。②、该巷位于向斜一翼,总体呈一单斜构造,煤层近水平。巷道煤层走向为东高西低的单斜构造地质,查阅以往资料,在掘进过程中未发现断层、褶曲,火成岩侵入,地质构造比较简单,地层走向西北高东。但由于巷道形成时间较长,支护年久失修,顶、底板节理、裂隙发育,巷道在维修过程中要观察顶板情况,加强支护。煤层名称3#煤煤层类别以亮煤、镜煤为主厚度(m)平均5.99煤尘爆炸性无煤尘爆炸危险性煤层结构简单煤的自燃不易自燃发火煤层倾角3~5°涌水量无品种无烟煤地压无容重1.45t/m3瓦斯巷壁绝对瓦斯涌出量为0.21m3/min3③、该巷无涌水。4、施工期限:预计12个天(2012年5月28日至2012年6月8日)。5、巷道技术特征①、附:表三:巷道技术特征表表三:巷道技术特征表序号巷道说明规格支护形式棚距坡度断面积m2工程量1更换前上毛宽3.0m:下毛宽3.4m;毛高2.2m上净宽2.4m:下净宽2.8m;净高1.9m梯形木棚、砌砖墙0.8m-3°毛:7.48净:4.94120米2更换后上毛宽3.0m:下毛宽3.4m;毛高2.2m上净宽2.6m:下净宽3.0m;净高2.0m梯形钢棚0.8m-3°毛:7.48净:5.60②、原支护方式:采用梁×腿=2.6m×2.0m直径Ф≥20cm的亲口梯形木棚支护,棚距1.0m,岔角值200mm,盘帮勾顶6×4块木背板,棚腿间砌砖墙,梁腿窝深150mm。③、新支护方式:木支护方式六西集中运输巷采用梁×腿=2.9m×2.1m的梯形钢棚配合金属网支护,棚距0.8m,岔角值200mm,盘帮勾顶6×4块木背板,棚腿间安设拉杆,梁腿窝深150mm。网为的铁丝菱形网,网的规格为长10m,宽1200mm,网格度为30mm×30mm,网要压茬连接,压茬长度为100mm,并做到用细丝三花连接,逢环必联且连接牢实。遇顶板破碎处棚距缩为0.6m,同时铺设顶网。④、新支护材料:棚梁:L=2.9m、11#工字钢梁。棚腿:L=2.1m、11#工字钢梁。网:L=10m、h=1200mm、菱形铁丝网4拉杆:L=0.8m、Ф=18mm的园钢。背板:长×宽×厚=1.2m×0.15m×0.05m。木楔:普通木楔。附:插图一、巷道施工断面示意图插图二、巷道维修布置示意图三、施工方法1、施工方式:人工撤棚、人工架棚修,HG10型风镐支挖,人工装煤。2、作业方式:巷道更换支护坚持由外向里、单向进行、先支后回的原则进行,必须逐架施工,逐架支护,支一架梁,撤一架梁。3、施工组织:①、采用三八制进行维修作业。施工负责人:王向东分组负责人:王晋阳王顺红张建林安全负责人:吕晋兵技术负责人:关利岗②、劳动组织:附:表四、劳动组织表表四:劳动组织表...

1、当您付费下载文档后,您只拥有了使用权限,并不意味着购买了版权,文档只能用于自身使用,不得用于其他商业用途(如 [转卖]进行直接盈利或[编辑后售卖]进行间接盈利)。
2、本站所有内容均由合作方或网友上传,本站不对文档的完整性、权威性及其观点立场正确性做任何保证或承诺!文档内容仅供研究参考,付费前请自行鉴别。
3、如文档内容存在违规,或者侵犯商业秘密、侵犯著作权等,请点击“违规举报”。

碎片内容

六西西回风巷维修作业规程修改版

确认删除?
VIP
微信客服
  • 扫码咨询
会员Q群
  • 会员专属群点击这里加入QQ群
客服邮箱
回到顶部