电脑桌面
添加小米粒文库到电脑桌面
安装后可以在桌面快捷访问

机械制图实用速成--无师自通VIP免费

机械制图实用速成--无师自通_第1页
1/32
机械制图实用速成--无师自通_第2页
2/32
机械制图实用速成--无师自通_第3页
3/32
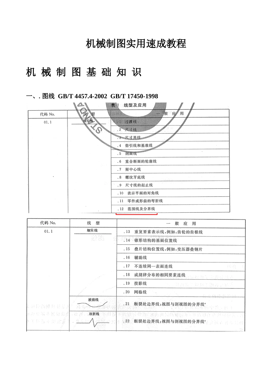
机械制图实用速成教程机械制图基础知识一、.图线GB/T4457.4-2002GB/T17450-1998注:粗虚线和粗点画线的选用(1)两种粗线都用来指示零件上的某一部分有特殊要求。但应用场合不尽相同。粗虚线专门用于指示该表面有表面处理要求。(表面处理包括镀(涂)覆、化学处理和冷作硬化处理。)(2)粗点画线是限定范围的表示线常见于以下场合:a.限定局部热处理的范围(如上图)b.限定不镀(涂)范围(如下左图)c.限定形位公差的被测要素和基准要素的范围(如下右图)二、视图GB/T17451-1998GB/T4458.1-20021.按第一角法配置的六个基本视图2.局部视图1)按基本视图的配置形式配置2)按向视图的配置形式配置不要“向”字三、剖视图及剖面区域的表示法GB/T17452~17453-1998GB/T4458.6-2002图形不对称时,移出断面不得画在中断处四、简化画法GB/T16675.1-19961.管子1)可仅在端部画出部分形状,其余用细点画线画出其中心线2)可用与管子中心线重合的单根粗实线表示。2.五、螺纹及螺纹紧固件表示法GB/T4459.1-1995GB/T197-2003无论是外螺纹或内螺纹,在剖视或剖面图中的剖面线都应画到粗实线。根据GB/T197-2003的规定,将普通螺纹的标记方法介绍如下:六、弹簧表示法GB/T4459.4-2003七、尺寸注法GB/T4458.4-2003GB/T19096-20031.在光滑过渡处标注尺寸时,应用细实线将轮廓线延长,从它们的交点处引出尺寸界线。(如下图)2.标注角度的尺寸界线应沿径向引出(图5),标注弦长的尺寸界线应平行于该弦的垂直平分线(图6),标注弧长的尺寸界线应平行于该弧所对圆心角的角平分线(图7),但当弧度较大时,可沿径向引出(图8)。3.当对称机件的图形只画出一半或略大于一半时,尺寸线应略超过对称中心线或断裂处的边界,此时仅在尺寸线的一端画出箭头。尺寸数字:标注尺寸的符号及缩写词(如上图)标注尺寸的符号及缩写词(如下表)八、尺寸的简化注法GB/T16675.2-1996九、极限与配合的标注方法GB/T4458.5-2003十、形状和位置公差的图样表示法GB/T1182-19961.形位公差分类及特征项目符号其端点应画一个黑点*形位公差带的定义(见GB/T1182-1996)*形位公差标注符号的比例和尺寸(见GB/T1182-1996)十一、形位公差的未注公差GB/T1184-19961.定义见GB/T1184-1996十二、表面粗糙度标注GB/T131-2006目录一、图线二、视图三、剖视图及剖面区域的表示法四、简化画法五、螺纹及螺纹紧固件表示法六、弹簧表示法七、尺寸注法八、尺寸的简化注法九、极限与配合的标注方法十、形状和位置公差的图样表示法十一、形位公差的未注公差十二、字号(见图纸)十二、表面粗糙度标注相应国标可在PDM中看到我的文件/共享区/机械制图国家标准特别说明:4-¢6(×)4×¢6(√)

1、当您付费下载文档后,您只拥有了使用权限,并不意味着购买了版权,文档只能用于自身使用,不得用于其他商业用途(如 [转卖]进行直接盈利或[编辑后售卖]进行间接盈利)。
2、本站所有内容均由合作方或网友上传,本站不对文档的完整性、权威性及其观点立场正确性做任何保证或承诺!文档内容仅供研究参考,付费前请自行鉴别。
3、如文档内容存在违规,或者侵犯商业秘密、侵犯著作权等,请点击“违规举报”。

碎片内容

机械制图实用速成--无师自通

您可能关注的文档

海纳百川+ 关注
实名认证
内容提供者

热爱教学事业,对互联网知识分享很感兴趣

相关文档

确认删除?
VIP
微信客服
  • 扫码咨询
会员Q群
  • 会员专属群点击这里加入QQ群
客服邮箱
回到顶部