电脑桌面
添加小米粒文库到电脑桌面
安装后可以在桌面快捷访问

采用高效填料的新型生物接触氧化法VIP免费

采用高效填料的新型生物接触氧化法_第1页
1/8
采用高效填料的新型生物接触氧化法_第2页
2/8
采用高效填料的新型生物接触氧化法_第3页
3/8
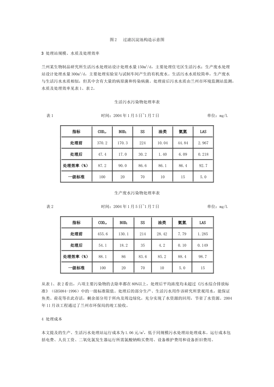
采用高效填料的新型生物接触氧化法1概述目前我国城市污水的处理量仅为排放总量的10%左右[1],大量的污水进入自然水体导致了严重的水环境污染,使已十分严重的水资源短缺状况更加严峻,尤其是含有病原菌、传染病菌的污水进入自然水体,更是给病菌的传播创造了条件。目前采用生物接触氧化法处理生活污水等有机污水的技术已相当成熟,本文介绍的生物接触氧化法系甘肃经纬环境工程技术有限公司多年的研究成果。该生物接触氧化法的实质之一是在池内充填经特殊加工后充满微孔、比表面积极大的JW-Ⅰ填料,已经充氧的污水浸没全部填料,并以一定流速流经填料;在填料上布满生物膜,污水与生物膜广泛接触,在微生物的新陈代谢功能的作用下,污水中有机污染物得到去除,污水得到净化。另一项技术实质是采用与曝气池相同的曝气方法,向微生物提供其所需氧的同时气浮除去水中的油污,并起到搅拌与混合作用。由甘肃经纬公司设计、加工的生物接触氧化设备为GJW-ⅡS型,整套设备包括生物接触氧化池和生物过滤沉淀池两部分,在兰州某生物制品研究所的生产、生活污水处理站都成功的应用了该项高效生物接触氧化处理技术与设备,并取得了良好的处理效果。2生物接触氧化设备2.1生物接触氧化池接触氧化池由池体、填料、支架、曝气装置、布水装置及排泥管道等部件所组成。池体为矩形钢结构,JW-Ⅰ填料均匀分层装填,下部中心进水、PPR穿孔管布气,水、气同向流动。污水处理设备运行15~20d后,填料微孔发生堵塞造成接触氧化池涌水,加大曝气量,定期进行反冲洗。接触氧化池构造示意见图1。图1接触氧化池构造示意图2.2生物过滤沉淀池该过滤沉淀池的结构下部为沉淀区,为减小设备整体占地面积并增加沉淀体积,沉淀区设计为矩形结构,下部设置排泥管,将沉淀区污泥排出。在滤池上部装填一定量粒径较小的JW-Ⅰ滤料,滤料表面生长着高活性的生物膜,使滤池系统具有较好的抗冲击负荷能力,污水流经时,利用滤料的高比表面积带来的高浓度生物膜的氧化降解能力对污水进行快速净化。最上部装填一定量的石英砂,截留污水中的悬浮物,且保证脱落的生物膜不会随水流漂出。运行一定时间后,随着生物膜的新陈代谢,脱落的生物膜及滤料上截留的杂质不断增加,滤料水头损失增大,需对滤池进行反冲洗,以释放截留的悬浮物以及更新生物膜,此为反冲洗过程。生物过滤沉淀池特点为需定量曝气、高过滤速度、截留悬浮物、定期反冲洗。过滤沉淀池构造示意见图2。图2过滤沉淀池构造示意图3处理站规模、水质及处理效率兰州某生物制品研究所生活污水处理站设计处理水量150m3/d,主要处理住宅区生活污水;生产废水处理站设计处理水量300m3/d,主要处理实验室与试制车间产生的有机废水。生活污水水质较简单,生产废水与生活污水水质相似,但其中含有大量的病原菌和传染病菌。处理前后污水水质由兰州市环境监测站监测,水质及处理效率见表1、表2。生活污水污染物处理率表表1时间:2004年1月5日~1月7日单位:mg/L指标CODcrBOD5SS油类氨氮LAS处理前370.2170.322410.0444.842.967处理后47.417.030.21.406.090.218处理效率(%)87.290.086.686.186.492.7一级标准100207010155.0生产废水污染物处理率表表2时间:2004年1月5日~1月7日单位:mg/L指标CODcrBOD5SS油类氨氮LAS处理前455.6130.121428.427.791.285处理后54.118.2354.20.100.149处理效率(%)88.18683.685.288.498.7一级标准1002070105.015从表1、表2看出,六项主要污染物的去除率都在80%以上,处理后平均浓度均未超过《污水综合排放标准》(GB5084-1996)中的一级标准限值。处理后的部分生产、生活污水用作该研究所景观用水,能保证鱼类、荷花等在此存活,剩余部分用于所内及周边绿化,充分实现了水资源的回用,节省了水资源。2004年11月该工程通过了兰州市环保局的竣工验收。4处理成本本文提及的生产、生活污水处理站运行成本为1.06元/m3,低于同规模污水处理站处理成本。运行成本包括电费、人员工资、二氧化氯发生器运行所需氯酸钠购买费用、设备维护费用和设备折旧费用。5工艺流程排放的污水先进入化粪池进行厌氧水解反应,将不溶性有机物降解为溶解性物质,同时在产酸菌的协同下...

1、当您付费下载文档后,您只拥有了使用权限,并不意味着购买了版权,文档只能用于自身使用,不得用于其他商业用途(如 [转卖]进行直接盈利或[编辑后售卖]进行间接盈利)。
2、本站所有内容均由合作方或网友上传,本站不对文档的完整性、权威性及其观点立场正确性做任何保证或承诺!文档内容仅供研究参考,付费前请自行鉴别。
3、如文档内容存在违规,或者侵犯商业秘密、侵犯著作权等,请点击“违规举报”。

碎片内容

采用高效填料的新型生物接触氧化法

确认删除?
VIP
微信客服
  • 扫码咨询
会员Q群
  • 会员专属群点击这里加入QQ群
客服邮箱
回到顶部