电脑桌面
添加小米粒文库到电脑桌面
安装后可以在桌面快捷访问

全国数控大赛数控铣、加工图库VIP免费

全国数控大赛数控铣、加工图库_第1页
1/55
全国数控大赛数控铣、加工图库_第2页
2/55
全国数控大赛数控铣、加工图库_第3页
3/55
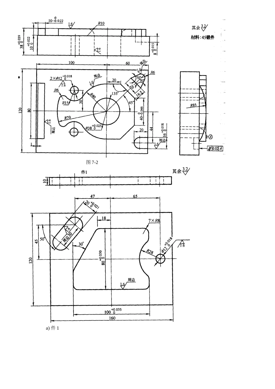
第七章全国数控大赛数控铣、加工中心大赛图库图7-1图7-2a)件1b)件2图7-3a)件1b)件2图7-4图7-5图7-6图7-7图7-8图7-9图7-10a)件1b)件2图7-11图7-12a)件1b)件2图7-13a)件1b)件2图7-14图7-15图7-16图7-17图7-18图7-19图7-20图7-21图7-22图7-23图7-24图7-25图7-26图7-27图7-28图7-29图7-30图7-31图7-32图7-33图7-34图7-35图7-36图7-37图7-38图7-39图7-40图7-41图7-42图7-43图7-44图7-45图7-46图7-47图7-48图7-49图7-50图7-51图7-52图7-53图7-54图7-55图7-56图7-57图7-58图7-59图7-60图7-61图7-61图7-62

1、当您付费下载文档后,您只拥有了使用权限,并不意味着购买了版权,文档只能用于自身使用,不得用于其他商业用途(如 [转卖]进行直接盈利或[编辑后售卖]进行间接盈利)。
2、本站所有内容均由合作方或网友上传,本站不对文档的完整性、权威性及其观点立场正确性做任何保证或承诺!文档内容仅供研究参考,付费前请自行鉴别。
3、如文档内容存在违规,或者侵犯商业秘密、侵犯著作权等,请点击“违规举报”。

碎片内容

全国数控大赛数控铣、加工图库

确认删除?
VIP
微信客服
  • 扫码咨询
会员Q群
  • 会员专属群点击这里加入QQ群
客服邮箱
回到顶部