电脑桌面
添加小米粒文库到电脑桌面
安装后可以在桌面快捷访问

a9施工组织设计文字部分_secret(DOC97页)VIP免费

a9施工组织设计文字部分_secret(DOC97页)_第1页
1/77
a9施工组织设计文字部分_secret(DOC97页)_第2页
2/77
a9施工组织设计文字部分_secret(DOC97页)_第3页
3/77
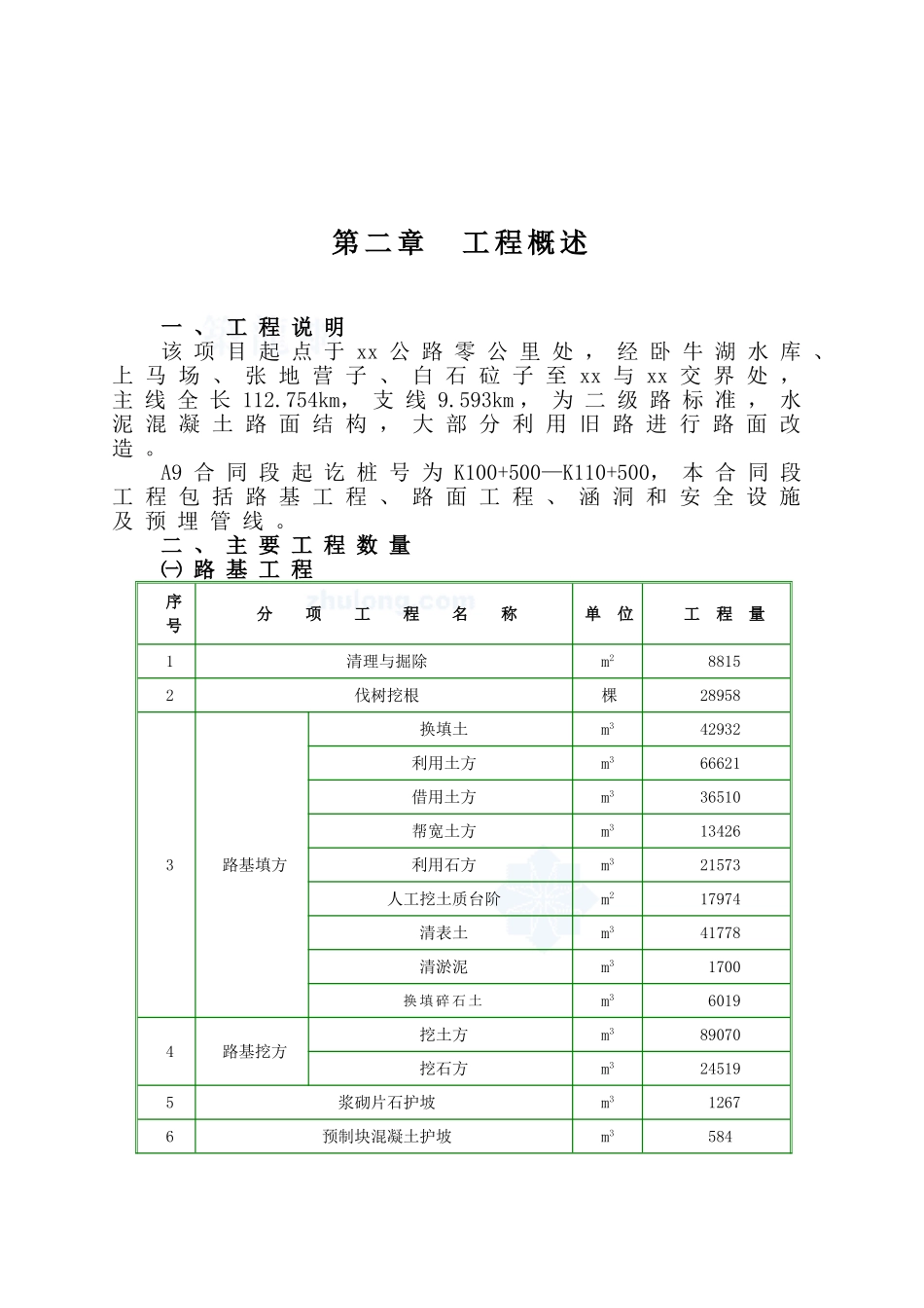
目录第一章编制依据及原则第二章工程概述第三章设备、人员动员周期和设备、人员、材料运到施工现场的方法第四章施工准备及总体布置第五章施工进度计划安排第六章主要工程项目的施工工艺、施工方案第七章各分项工程的施工顺序第八章工程质量管理、创优规划及保证措施第九章保证工程进度的措施第十章重点(关键)和难点工程的施工方案、方法及措施第十一章冬季和雨季施工安排第十二章安全保证体系及保证安全的措施第十三章文明施工及环境保护第十四章其他应说明的事项第一章编制依据及原则一、编制依据㈠xx市xx公路工程建设指挥部提供的xx公路xx至xx段工程项目第A9合同段招标文件、设计图纸、参考资料和补遗书。㈡现行公路设计规范、施工规范、施工技术规程、质量评定标准与验收办法。㈢在2006年10月5日自行对现场周围环境的调查资料。㈣建设同类及类似工程的施工经验、科技成果及用于本合同段施工队伍的施工设备和技术力量情况。㈤xx省人民政府、地方人民政府及其所属有关部门在施工安全、工地治安、人员健康、环境保护及土地租用等方面的具体规定与技术标准。二、编制原则以我公司现有的技术力量和历年来在公路、桥涵和市政建设项目中有关工程施工的经验作为基点,以满足招标文件及合同条款的要求为指导思想,以确保本工程的质量、安全、工期、环保目标为出发点,本着优质、高效、经济、合理的原则,按ISO90001标准建立的质量体系要求运作,以总工期12个月,即2006年10月15日正式开工,2007年10月15日竣工作为控制工期目标,根据各分项工程的施工方法和工艺技术方案,统筹考虑施工总体布署。第二章工程概述一、工程说明该项目起点于xx公路零公里处,经卧牛湖水库、上马场、张地营子、白石砬子至xx与xx交界处,主线全长112.754km,支线9.593km,为二级路标准,水泥混凝土路面结构,大部分利用旧路进行路面改造。A9合同段起讫桩号为K100+500—K110+500,本合同段工程包括路基工程、路面工程、涵洞和安全设施及预埋管线。二、主要工程数量㈠路基工程序号分项工程名称单位工程量1清理与掘除m288152伐树挖根棵289583路基填方换填土m342932利用土方m366621借用土方m336510帮宽土方m313426利用石方m321573人工挖土质台阶m217974清表土m341778清淤泥m31700换填碎石土m360194路基挖方挖土方m389070挖石方m3245195浆砌片石护坡m312676预制块混凝土护坡m35847抛片石m329758边沟浆砌矩形m710浆砌梯形m17749浆砌片石排水沟m67210浆砌片石截水沟m147711土质边沟m11214㈡桥涵工程序号名称类型工程量1涵洞1-Ф1.0m钢筋混凝土圆管涵164m1-Ф1.5m钢筋混凝土圆管涵54m1-4m钢筋混凝土盖板涵8.5m2桥梁K101+312小桥14m中桥维修2座㈢路面工程项目名称单位数量碎石垫层厚m213525%水泥砂砾稳定土底基层m2852786%水泥砂砾稳定土基层m285278砂土磨耗层m21352水泥混凝土面板m275410钢筋吨36.305培土路肩m29200㈣安全设施及预埋管线序号项目名称单位数量备注1单柱式交通标志个232双柱式交通标志个23里程碑个104公路界碑个405热熔型涂料路面标线m24167.216柱式轮廓标个90三、主要技术指标序号指标名称单位参数1设计速度km/h60(主线)、30(支线)2路基宽度m12.0(8.5)/7.53行车道宽度m2×3.5/2×34土路肩宽度m2×1.0(0.5)/2×0.55硬路肩宽度m2×1.0(0.25)/2×0.256一般最小平曲线半径m125/657最大纵度%5.9/88设计洪水频率大、中桥1/100、小、桥涵1/509桥涵设计菏栽公路—Ⅱ级四、地质、水文情况1、地形、地貌该项目沿线处于现代xx地貌轮廓,地势西高东低,北高南低,西北向东南逐渐降低地势,境内多低山丘、山势起伏、河流狭窄、坡陡流急、横向切割明显,植被以林地为主。2、水文地质路线通过地区水系为xx水系,地下水补给充分。路线范围内分布着丰富的地表水系,河流主要有xx、xx河、湖通河、羊角河、格拉满河、宽河、栖林河、四通河等流经境内。勘察区内的地下水位埋深较浅。该项目沿线地区的地震烈度为IV度,构造物采用防震构造设防。3、气候情况该项目所处自然区划为I2区,气候类型属寒温带大陆季节气候,冬季在大陆气团控制下,气候寒冷、干燥,夏季受副热带海洋气团的影响,降雨集中,气候温热,湿度大、...

1、当您付费下载文档后,您只拥有了使用权限,并不意味着购买了版权,文档只能用于自身使用,不得用于其他商业用途(如 [转卖]进行直接盈利或[编辑后售卖]进行间接盈利)。
2、本站所有内容均由合作方或网友上传,本站不对文档的完整性、权威性及其观点立场正确性做任何保证或承诺!文档内容仅供研究参考,付费前请自行鉴别。
3、如文档内容存在违规,或者侵犯商业秘密、侵犯著作权等,请点击“违规举报”。

碎片内容

a9施工组织设计文字部分_secret(DOC97页)

确认删除?
VIP
微信客服
  • 扫码咨询
会员Q群
  • 会员专属群点击这里加入QQ群
客服邮箱
回到顶部