电脑桌面
添加小米粒文库到电脑桌面
安装后可以在桌面快捷访问

煤矿生产能力核定资料讲义VIP免费

煤矿生产能力核定资料讲义_第1页
1/8
煤矿生产能力核定资料讲义_第2页
2/8
煤矿生产能力核定资料讲义_第3页
3/8
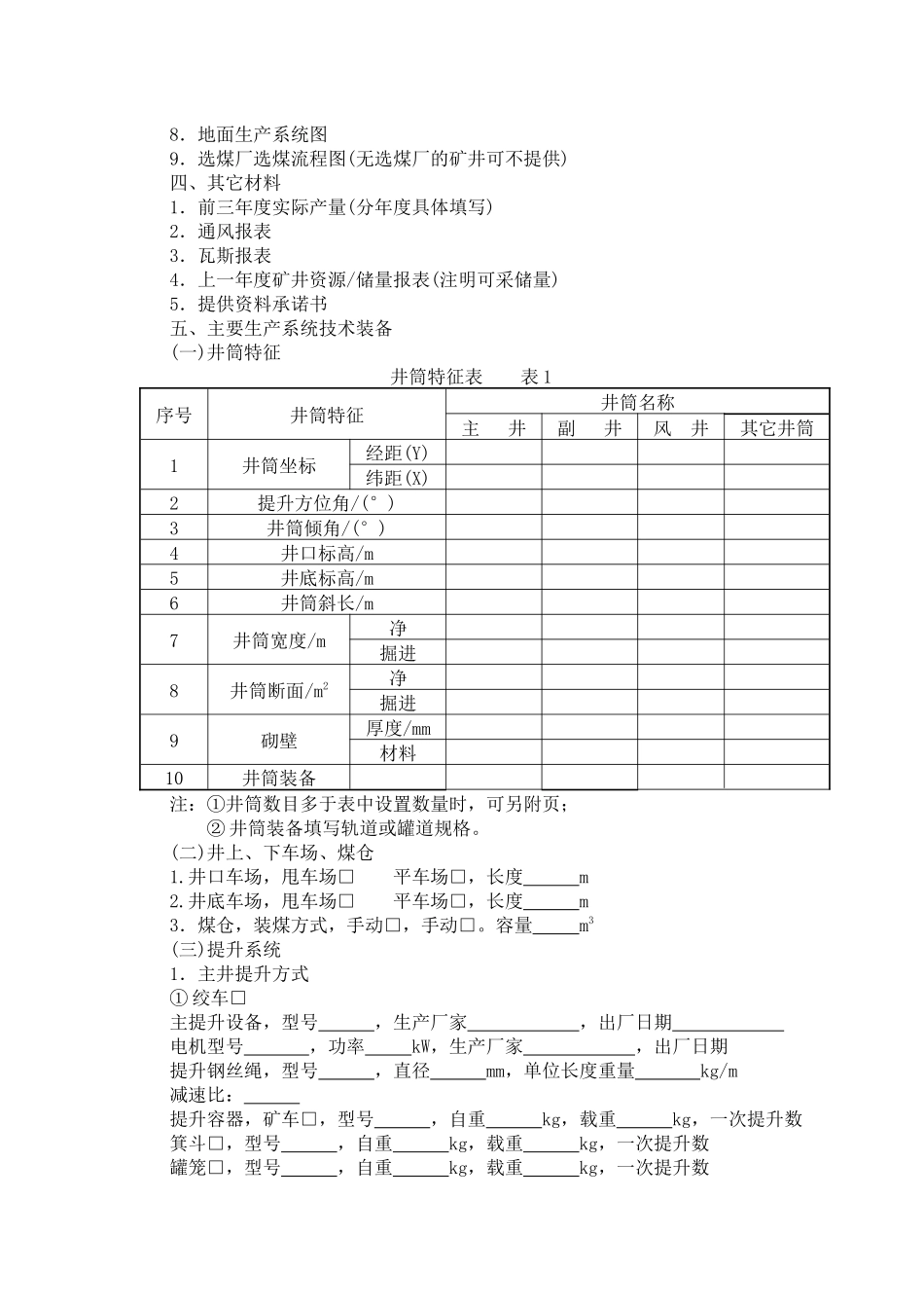
煤矿生产能力核定提取资料单委托方(盖章):承担方(盖章):阳泉市煤炭设计室一、证件类1.采矿许可证2.生产许可证3.安全生产许可证4.工商营业执照5.矿长资格证二、上级批准文件1.年度安全评价结论意见2.瓦斯鉴定等级批复文件3.水患矿井认定文件4.双回供电系统竣工报告5.反风演习报告6.依法认定的地质报告及批准文件7.储量核实评审意见书(注明可采储量)8.矿井安全评价报告9.省煤炭工业局对矿井生产能力认定文件10.采煤方法改革设计批准文件11.采煤方法改革设计安全专篇批准文件三、图纸类1.井上下对照图2.采掘工程平面图(包括后3年的采场接续安排,分颜色在图标明)3.矿井通风系统图4.矿井运输系统图5.矿井排水系统图6.地面供电系统图7.井下供电系统图8.地面生产系统图9.选煤厂选煤流程图(无选煤厂的矿井可不提供)四、其它材料1.前三年度实际产量(分年度具体填写)2.通风报表3.瓦斯报表4.上一年度矿井资源/储量报表(注明可采储量)5.提供资料承诺书五、主要生产系统技术装备(一)井筒特征井筒特征表表1序号井筒特征井筒名称主井副井风井其它井筒1井筒坐标经距(Y)纬距(X)2提升方位角/(°)3井筒倾角/(°)4井口标高/m5井底标高/m6井筒斜长/m7井筒宽度/m净掘进8井筒断面/m2净掘进9砌壁厚度/mm材料10井筒装备注:①井筒数目多于表中设置数量时,可另附页;②井筒装备填写轨道或罐道规格。(二)井上、下车场、煤仓1.井口车场,甩车场□平车场□,长度m2.井底车场,甩车场□平车场□,长度m3.煤仓,装煤方式,手动□,手动□。容量m3(三)提升系统1.主井提升方式①绞车□主提升设备,型号,生产厂家,出厂日期电机型号,功率kW,生产厂家,出厂日期提升钢丝绳,型号,直径mm,单位长度重量kg/m减速比:提升容器,矿车□,型号,自重kg,载重kg,一次提升数箕斗□,型号,自重kg,载重kg,一次提升数罐笼□,型号,自重kg,载重kg,一次提升数实际一次提升时间,秒②胶带机设备型号SP2002-65,配套电机型号YPTG355M3-4A,功率3×250KW,带速3.15m/s实际提升量,400吨/小时2.副井提升方式主提升设备,型号2JK-2/30生产厂家洛阳矿山机械厂,出厂日期1981年1月。电机型号JR2355M3-6,功率160kW,生产厂家江西电机厂,出厂日期1981年1月。提升钢丝绳,型号6×7+FC右同向,直径φ28mm,单位长度重量2.75kg/m减速比:30提升容器,矿车□,型号1TU型,自重750kg,载重1000kg,一次提升数3车。罐笼□,型号,自重kg,载重kg,一次提升数人车□,首车型号,自重kg,载人数人,一次提升数挂车型号□,自重kg,载人数人,一次提升数3.混合井提升方式主提升设备,型号生产厂家,出厂日期电机型号,功率kW,生产厂家,出厂日期提升钢丝绳,型号,直径mm,单位长度重量kg/m减速比:提升容器,矿车□,型号,自重kg,载重kg,一次提升数罐笼□,型号,自重kg,载重kg,一次提升数人车,首车型号,自重kg,载人数人,一次提升数挂车型号,自重kg,载人数人,一次提升数(四)排水系统1.涌水量正常涌水量40m3/h,最大涌水量80m3/h2.水仓主水仓容积700m3,副水仓容积700m33.排水泵主排水泵型号(+630)DF155-30×7(+480)MD155-30×10,生产厂家(+630)阳泉水泵厂(+480)上海连成(集团)有限公司,出厂日期(+630)2004.7(+480)2005.5,实测流量(+630)153.32m3/h(+480)139.5m3/h电机型号(+630)YB315M2-4(+480)YB400S1-4,功率(+630)160KW(+480)200kW,生产厂家(+630)无锡室南方防爆电机有限公司(+480)佳木斯电机股份有限公司,出厂日期(+630)2001.8(+480)2005.9备用排水泵型号(+630)DF155-30×7(+480)MD155-30×10,生产厂家(+630)阳泉水泵厂(+480)上海连成(集团)有限公司,出厂日期(+630)2004.7(+480)2005.9,实测流量(+630)181.28m3/h(+480)141.0m3/h电机型号(+630)YB315M2-4(+480)YB400S1-4,功率(+630)160KW(+480)200kW,生产厂家(+630)无锡室南方防爆电机有限公司(+480)佳木斯电机股份有限公司,出厂日期(+630)2001.8(+480)2005.9备用排水泵型号(+630)DF155-30×7(+480)DF155-30×10,生产厂家阳泉水泵厂,出厂日...

1、当您付费下载文档后,您只拥有了使用权限,并不意味着购买了版权,文档只能用于自身使用,不得用于其他商业用途(如 [转卖]进行直接盈利或[编辑后售卖]进行间接盈利)。
2、本站所有内容均由合作方或网友上传,本站不对文档的完整性、权威性及其观点立场正确性做任何保证或承诺!文档内容仅供研究参考,付费前请自行鉴别。
3、如文档内容存在违规,或者侵犯商业秘密、侵犯著作权等,请点击“违规举报”。

碎片内容

煤矿生产能力核定资料讲义

您可能关注的文档

确认删除?
VIP
微信客服
  • 扫码咨询
会员Q群
  • 会员专属群点击这里加入QQ群
客服邮箱
回到顶部