电脑桌面
添加小米粒文库到电脑桌面
安装后可以在桌面快捷访问

设计用于链式运输机的圆锥圆柱齿轮减速器说明书VIP免费

设计用于链式运输机的圆锥圆柱齿轮减速器说明书_第1页
1/34
设计用于链式运输机的圆锥圆柱齿轮减速器说明书_第2页
2/34
设计用于链式运输机的圆锥圆柱齿轮减速器说明书_第3页
3/34
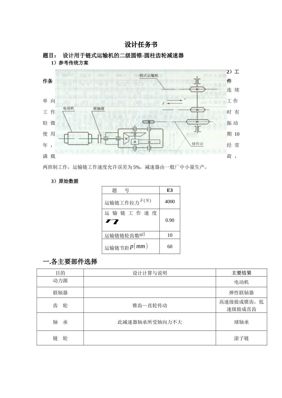
重庆交通大学机械设计课程设计说明书设计题目:设计用于链式运输机的二级圆锥-圆柱齿轮减速器学生姓名:学号:学院:机电学院专业:机械设计自造及其自动化班级:工程机械一班指导教师:胡启国2012年5月22日设计目录1.题目及总体分析…………………………………………………32.各主要部件选择…………………………………………………33.选择电动机………………………………………………………44.分配传动比………………………………………………………45.传动系统的运动和动力参数计算………………………………56.设计高速级齿轮…………………………………………………67.设计低速级齿轮…………………………………………………118.减速器轴及轴承装置、键的设计………………………………151轴(输入轴)及其轴承装置、键的设计………………………152轴(中间轴)及其轴承装置、键的设计………………………173轴(输出轴)及其轴承装置、键的设计………………………209.滚动轴承及键的校和计算寿命…………………………………2410.润滑与密封………………………………………………………2711.箱体结构尺寸……………………………………………………2712.设计总结…………………………………………………………2913.参考文献…………………………………………………………29设计任务书题目:设计用于链式运输机的二级圆锥-圆柱齿轮减速器1)参考传统方案2)工作条件连续单向工作工作时有轻微振动使用期10年,经常满载荷,两班制工作,运输链工作速度允许误差为5%,减速器由一般厂中小量生产。3)原始数据题号E3运输链工作拉力4000运输链工作速度η0.90运输链链轮齿数cosϕ=0.7810运输链节距p(mm)60一.各主要部件选择目的设计计算与说明主要结果动力源电动机联轴器弹性联轴器齿轮锥齿—直轮传动高速级做成锥齿,低速级做成直齿轴承此减速器轴承所受轴向力不大球轴承链轮滚子链二:电动机的选择设计计算与说明主要结果电动机的输出功率的计算工作机所需有效功率为Pw=F×V=4000N×0.9m/s=3.6v锥齿轮的传动(7级精度)效率为η1=0.97圆柱齿轮传动(7级精度)效率为η2=0.98球轴承传动效率(四对)为η3=0.994弹性联轴器传动效率(一个)取η4=0.99运输链轮效率为η5=0.96要求电动机输出的有效功率为:P0=Pwη1×η2×η33×η4×η5=3.6×1030.97×0.98×0.994×0.99×0.96=4.15kw要求电动机输出功率为:Po=4.15kw类型根据有粉尘的要求选用Y(IP44)系列的电动机选用Y(IP44)系列选用查得型号Y132S—4封闭式三相异步电动机参数如下额定功率Pe=5.5KW满载转速n=1440r/min满载时效率η=85.3%功率因数cosϕ=0.78额定转矩T=2.2满载时输出功率为Pr=Pe×η=5500×0.853=4691.5WPr略大于Po,在允许范围内选用Y(IP44)系列Y132M2-6型封闭式三相异步电动机三:分配传动比设计计算与说明主要结果分配传动比传动系统的总传动比为:i=nmnw工作机满载时输入轴的转速nw=60×1000⋅vZ⋅P=60×1000×0.910×60=90r/min电动机的满载转速nm=1440r/min故总传动比i=144090=16i1=0.25i=0.25×16=4i2=ii1=164=4i=16i1=4i2=4四:传动装置的运动和动力参数计算设计计算与说明传动系统的运动和动力参数计算设:从电动机到输送机滚筒轴分别为0轴、1轴、2轴、3轴、4轴;对应于各轴的转速分别为、、、、;对应于0轴的输出功率和其余各轴的输入功率分别为、、、、;对应于0轴的输出转矩和其余名轴的输入转矩分别为、、、、;相邻两轴间的传动比分别为、、、;相邻两轴间的传动效率分别为、、、。根据n2=n1¿i12n3=n2¿i23P1=P0¿η1P2=P1¿η2T0=9550×P0/η0T1=9550×P1/η1……可以算出如下结果:结果轴号发动机两级锥-圆柱减速器工作机0轴1轴2轴3轴4轴转速n(r/min)n0=1440n1=1440n2=720n3=180n4=90转矩T(N·m)T0=27.52T1=27.25T2=52.92T3=207.45T4=397.9功率P(kw)P0=4.15P1=4.11P2=3.99P3=3.91P4=3.75两轴联接联轴器锥齿轮圆柱齿轮链轮传动比ii01=1i12=2i23=4i34=2传动效率ηη12=η12=0.97η23=0.98η34=0.96五:高速级齿轮的设计(锥齿轮的设计)设计计算与说明主要结果选精度等级、材料和齿数1)选用直齿...

1、当您付费下载文档后,您只拥有了使用权限,并不意味着购买了版权,文档只能用于自身使用,不得用于其他商业用途(如 [转卖]进行直接盈利或[编辑后售卖]进行间接盈利)。
2、本站所有内容均由合作方或网友上传,本站不对文档的完整性、权威性及其观点立场正确性做任何保证或承诺!文档内容仅供研究参考,付费前请自行鉴别。
3、如文档内容存在违规,或者侵犯商业秘密、侵犯著作权等,请点击“违规举报”。

碎片内容

设计用于链式运输机的圆锥圆柱齿轮减速器说明书

确认删除?
VIP
微信客服
  • 扫码咨询
会员Q群
  • 会员专属群点击这里加入QQ群
客服邮箱
回到顶部