电脑桌面
添加小米粒文库到电脑桌面
安装后可以在桌面快捷访问

长寿师范学校施工组织设计(DOC59页)VIP免费

长寿师范学校施工组织设计(DOC59页)_第1页
1/47
长寿师范学校施工组织设计(DOC59页)_第2页
2/47
长寿师范学校施工组织设计(DOC59页)_第3页
3/47
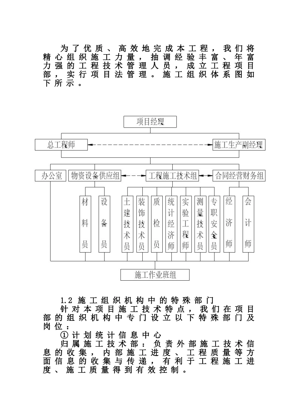
第一章:工程概况1.工程简介重庆市某师范学校教学楼工程位于某师范学校内,紧临球场及原教学楼之间,为六~七层钢筋混凝土框架结构,占地面积7474m2,总建筑面积7720m2。建筑高度25.2m。该大楼的建成,将对改善某师范学校教学环境,提高教学质量起到很大的作用。2.主要施工技术重点、难点:根据我们多年以来积累的高层建筑施工经验,我们将把边柱垂直度和边梁外边线控制、现浇楼梯间垂直度控制、外墙装饰质量作为本工程施工技术重点。3.业主招标要求3.1工期要求:无具体开工日期,竣工日期为2001年6月15日3.2质量要求:优良第二章:施工部署1.施工组织体系为了优质、高效地完成本工程,我们将精心组织施工力量,抽调经验丰富、年富力强的工程技术管理人员,成立工程项目部,实行项目法管理。施工组织体系图如下所示。1.2施工组织机构中的特殊部门针对本项目施工技术特点,我们在项目部的组织机构中专门设立以下特殊部门及岗位:①计划统计信息中心归属施工技术部:负责外部施工技术信息的收集,内部施工进度、工程质量等方面信息的收集与传递,有利于工程施工进度、施工质量得到有效控制。②.专职资料管理员由项目部总工程师统一安排,专职资料管理员负责外部资料传递和工程各种技术资料的收集、整理、装订。③.环境、文明保护小组:归属办公室管理,负责施工期间的环境保护,文明施工,以及污水排放、噪音控制。2.施工控制目标2.1质量目标本工程以创某县优质工程为我们的工程质量控制目标。2.2成本控制原则为了保证工程质量,我们将增加一定的经济投入在模板制作和各种保证工程质量的技术措施上。我们在合理地利用业主每一分投资的前提下,运用科学的管理手段,精心组织施工管理,采用先进的施工技术措施,降低工程成本,向先进的科学技术、先进的管理手段要效益,以“优质、高效、节约”为我们的成本控制原则。⒉⒉⒈施工进度控制目标为了确保业主施工总工期目标的顺利实现,我们决定将本工程的施工总工期按233天控制。⒉⒉⒊安全、文明施工控制目标安全控制目标:“零死亡”、“零重伤”、“无重大违章指挥”。文明施工控制目标:不污染环境、不影响交通,施工期间不影响正常的教学秩序,创某县文明施工现场。3施工顺序及施工流水区段划分3.1施工顺序根据招标文书、施工图纸和我公司多年来积累的高层建筑施工组织经验,结合本工程特点,我们将本工程划分为四个施工阶段组织实施。第一施工阶段:土石方及基础部分施工。第二施工阶段:地上主体结构施工,包含框架、预制板吊装,部分安装工程(安装的预埋管随结构施工同步穿插进行)。当砼结构完成两层时,砌体工程进场,随结构砼施工而上升,保证与砼结构施工相隔二层。第三阶段:装修工程:室内砌筑和粗装修、外墙装修的施工。第四阶段:屋面工程施工。第五阶段:尾工清理、调试交付使用,退场。3.2施工流水区段的划分:如图所示,我们把每层划为三个施工段,即a区、b区和c区(业主要求c区暂不施工)。由a向b方向推进施工,结构施工按每层15天进度要求进行控制,以确保总工期的实现。4.优良工程创优规划4.1.工程前期的质量策划若我们中标某师范学校教学楼工程,我们将在开工前向业主提供一份详细的工程质量计划书,其中包括工程创优策划、工程质量保证措施、IS09001标准模式的质量计划、工程售后服务计划等,在质量计划书中我们将就工程竣工交付使用以后我们怎样继续为业主提供“售后服务计划”作详尽的说明。向业主全面展示本企业的质量保证能力,使业主能够详尽了解到我们项目施工管理每个环节的质量保证措施。在工程质量计划书中,我们将向业主明确我们是以全过程的优良工程意识来建设工程,而决非靠最终的修补来获得这个名誉。通过工程前期的质量策划工作,使业主对我们公司承建该工程有充分的信心,同时,在日后的工程建设之中也给予最大的支持和协助。4.2“优良工程”施工创优策划某师范学校教学楼工程开工前,我们将根据投标的承诺,立即做好工程创优策划,并成立工程创优小组,明确具体职责:总策划:项目经理职责:工程创优工作的整体部署及协调组长:项目部总工程师职责:组织工程创优策划,指导创优工作的实施,对工程创优工...

1、当您付费下载文档后,您只拥有了使用权限,并不意味着购买了版权,文档只能用于自身使用,不得用于其他商业用途(如 [转卖]进行直接盈利或[编辑后售卖]进行间接盈利)。
2、本站所有内容均由合作方或网友上传,本站不对文档的完整性、权威性及其观点立场正确性做任何保证或承诺!文档内容仅供研究参考,付费前请自行鉴别。
3、如文档内容存在违规,或者侵犯商业秘密、侵犯著作权等,请点击“违规举报”。

碎片内容

长寿师范学校施工组织设计(DOC59页)

您可能关注的文档

确认删除?
VIP
微信客服
  • 扫码咨询
会员Q群
  • 会员专属群点击这里加入QQ群
客服邮箱
回到顶部