电脑桌面
添加小米粒文库到电脑桌面
安装后可以在桌面快捷访问

钢筋机械连接试验报告VIP专享VIP免费

钢筋机械连接试验报告_第1页
1/26
钢筋机械连接试验报告_第2页
2/26
钢筋机械连接试验报告_第3页
3/26
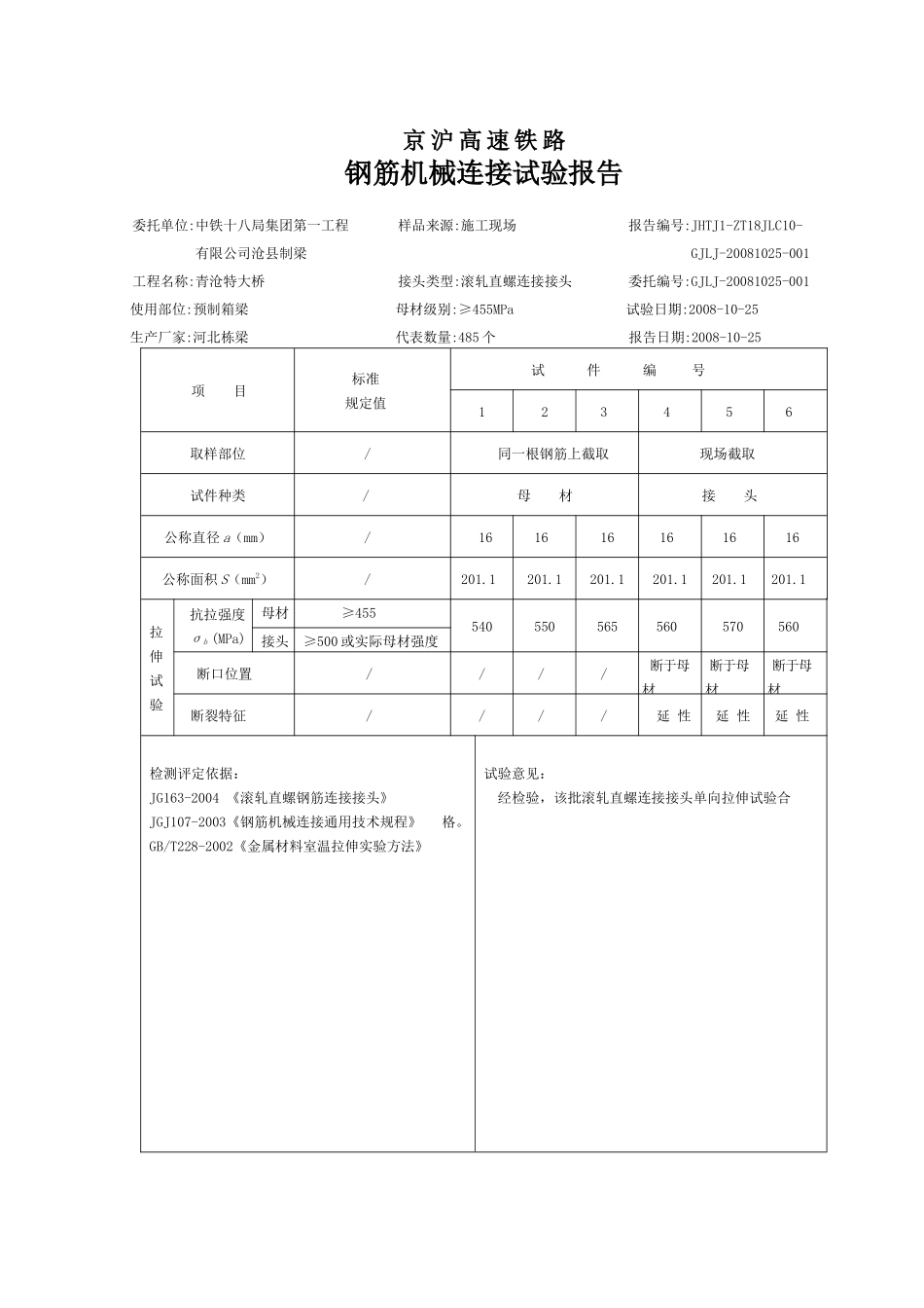
京 沪 高 速 铁 路钢筋机械连接试验报告 委托单位:中铁十八局集团第一工程 样品来源:施工现场 报告编号:JHTJ1-ZT18JLC10-有限公司沧县制梁 GJLJ-20081025-001工程名称:青沧特大桥 接头类型:滚轧直螺连接接头 委托编号:GJLJ-20081025-001使用部位:预制箱梁 母材级别:≥455MPa 试验日期:2008-10-25生产厂家:河北栋梁 代表数量:485 个 报告日期:2008-10-25项 目 标准 规定值试 件 编 号12 3 4 5 6取样部位/同一根钢筋上截取现场截取试件种类/母 材 接 头公称直径 a(mm)/ 16 16 16 16 16 16公称面积 S(mm2)/ 201.1 201.1 201.1 201.1 201.1 201.1拉伸试验抗拉强度σb (MPa)母材 ≥455 540 550 565 560 570 560接头≥500 或实际母材强度断口位置 / / / / 断于母材 断于母材 断于母材断裂特征 / / / / 延 性 延 性 延 性检测评定依据:JG163-2004 《滚轧直螺钢筋连接接头》 JGJ107-2003《钢筋机械连接通用技术规程》GB/T228-2002《金属材料室温拉伸实验方法》试验意见: 经检验,该批滚轧直螺连接接头单向拉伸试验合格。试验: 复核: 技术负责人: 单位(章京 沪 高 速 铁 路钢筋机械连接试验报告 委托单位:中铁十八局集团第一工程 样品来源:施工现场 报告编号:JHTJ1-ZT18JLC10-有限公司沧县制梁 GJLJ-20081025-002工程名称:青沧特大桥 接头类型:滚轧直螺连接接头 委托编号:GJLJ-20081025-002使用部位:预制箱梁 母材级别:≥455MPa 试验日期:2008-10-25生产厂家:河北栋梁 代表数量:480 个 报告日期:2008-10-25项 目 标准 规定值试 件 编 号12 3 4 5 6取样部位/同一根钢筋上截取现场截取试件种类/母 材 接 头公称直径 a(mm)/ 20 20 20 20 20 20公称面积 S(mm2)/ 314.2 314.2 314.2 314.2 314.2 314.2拉伸试验抗拉强度σb (MPa)母材 ≥455 555 560 570 565 575 570接头≥500 或实际母材强度断口位置 / / / / 断于母材 断于母材 断于母材断裂特征 / / / / 延 性 延 性 延 性检测评定依据:JG163-2004 《滚轧直螺钢筋连接接头》 JGJ107-2003《钢筋机械连接通用技术规程》GB/T228-2002《金属材料室温拉伸实验方法》试验意见: 经检验,该批滚轧直螺连接接头单向拉伸试验合格。试验: 复核: 技术负责人: 单位(章)京 沪 高 速 铁 路钢筋机械连接试验报告 委托单位:中铁十八局集团第一...

1、当您付费下载文档后,您只拥有了使用权限,并不意味着购买了版权,文档只能用于自身使用,不得用于其他商业用途(如 [转卖]进行直接盈利或[编辑后售卖]进行间接盈利)。
2、本站所有内容均由合作方或网友上传,本站不对文档的完整性、权威性及其观点立场正确性做任何保证或承诺!文档内容仅供研究参考,付费前请自行鉴别。
3、如文档内容存在违规,或者侵犯商业秘密、侵犯著作权等,请点击“违规举报”。

碎片内容

钢筋机械连接试验报告

墨香书阁+ 关注
实名认证
内容提供者

热爱教学事业,对互联网知识分享很感兴趣

确认删除?
VIP
微信客服
  • 扫码咨询
会员Q群
  • 会员专属群点击这里加入QQ群
客服邮箱
回到顶部