电脑桌面
添加小米粒文库到电脑桌面
安装后可以在桌面快捷访问

铁路混凝土与砌体工程施工质量验收标准VIP免费

铁路混凝土与砌体工程施工质量验收标准_第1页
1/54
铁路混凝土与砌体工程施工质量验收标准_第2页
2/54
铁路混凝土与砌体工程施工质量验收标准_第3页
3/54
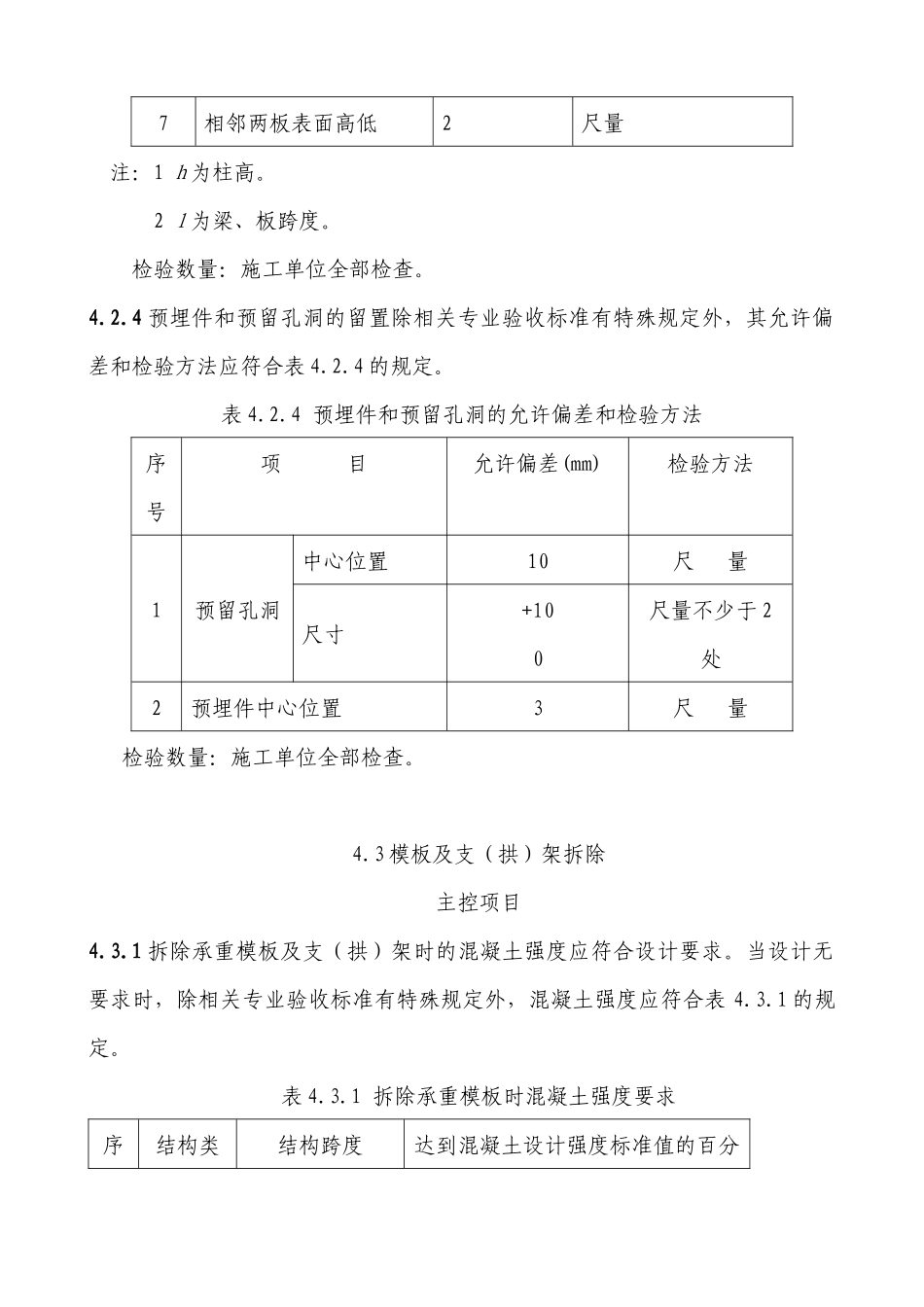
铁路混凝土与砌体工程施工质量验收标准4 模板及支(拱)架分项工程4.1 一般规定4.1.1 模板及支(拱)架应具有足够的强度、刚度和稳定性;能承受所浇混凝土和砌体的重力、侧压力及施工荷载、施工设备和材料等条件进行施工工艺设计,其弹性压缩、预拱度和沉降值应符合设计要求。4.1.2 模板及支(拱)架必须安置于符合设计的可靠基底上,并有足够的支承面积和防、排水或防冻措施。4.1.3 模板及支(拱)架与脚手架之际间不得相互连接。4.1.4 浇筑混凝土或砌体砌筑前,施工单位应对模板及支(拱)架进行交接检验,形成施工记录。4.1.5 施工过程中应对模板及支(拱)架进行观察和维护;发现跑模、变形等异常情况时,应停止施工,采取措施,并形成记录。4.1.6 模板及支(拱)架拆除的顺序及安全措施必须符合施工组织设计的规定。4.2 模板及支(拱)架安装主控项目4.2.1 模板及支(拱)架的材料质量及结构必须符合施工工艺设计要求。检验数量:施工单位、监理单位全部检查。检验方法:观察和尺量。4.2.2 模板安装必须稳固牢靠,接缝严密,不得漏浆。模板与混凝土的接触面必须清理干净并涂刷隔离剂。浇筑混凝土前,模型内的积水和杂物应清理干净。检验数量:施工单位、监理单位全部检查。检验方法:观察。一般项目4.2.3 模板安装允许偏差和检查方法除相关专业验收标准有特殊规定外,应符合表 4.2.3 的规定。表 4.2.3 模板安装允许偏差和检验方法序号项目允许偏差检验方法1轴线位置基 础15尺量每边不少于 2 处梁 、 柱 、 板 、墙、拱52表面平整度52m 靠尺和塞尺不少于3 处3高程基 础±20测 量梁 、 柱 、 板 、墙、拱±54模板的侧向弯曲柱h/1000拉线尺量梁、板、墙l/15005梁、柱、板、墙、拱两模板内侧宽度+10-5尺量不少于 3 处6梁底模拱度+5-2拉线尺量7相邻两板表面高低2尺量 注:1 h 为柱高。 2 l 为梁、板跨度。检验数量:施工单位全部检查。4.2.4 预埋件和预留孔洞的留置除相关专业验收标准有特殊规定外,其允许偏差和检验方法应符合表 4.2.4 的规定。表 4.2.4 预埋件和预留孔洞的允许偏差和检验方法序号项 目允许偏差(mm)检验方法1预留孔洞中心位置10尺 量尺寸+100尺量不少于 2处2预埋件中心位置3尺 量检验数量:施工单位全部检查。 4.3 模板及支(拱)架拆除主控项目4.3.1 拆除承重模板及支(拱)架时的混凝土强度应符合设计要求。当设计无要求时,除相关专业验收标准有特殊规定外,混凝土强...

1、当您付费下载文档后,您只拥有了使用权限,并不意味着购买了版权,文档只能用于自身使用,不得用于其他商业用途(如 [转卖]进行直接盈利或[编辑后售卖]进行间接盈利)。
2、本站所有内容均由合作方或网友上传,本站不对文档的完整性、权威性及其观点立场正确性做任何保证或承诺!文档内容仅供研究参考,付费前请自行鉴别。
3、如文档内容存在违规,或者侵犯商业秘密、侵犯著作权等,请点击“违规举报”。

碎片内容

铁路混凝土与砌体工程施工质量验收标准

墨香书阁+ 关注
实名认证
内容提供者

热爱教学事业,对互联网知识分享很感兴趣

确认删除?
VIP
微信客服
  • 扫码咨询
会员Q群
  • 会员专属群点击这里加入QQ群
客服邮箱
回到顶部