电脑桌面
添加小米粒文库到电脑桌面
安装后可以在桌面快捷访问

旺业广场工程施工组织设计(1)VIP免费

旺业广场工程施工组织设计(1)_第1页
1/214
旺业广场工程施工组织设计(1)_第2页
2/214
旺业广场工程施工组织设计(1)_第3页
3/214
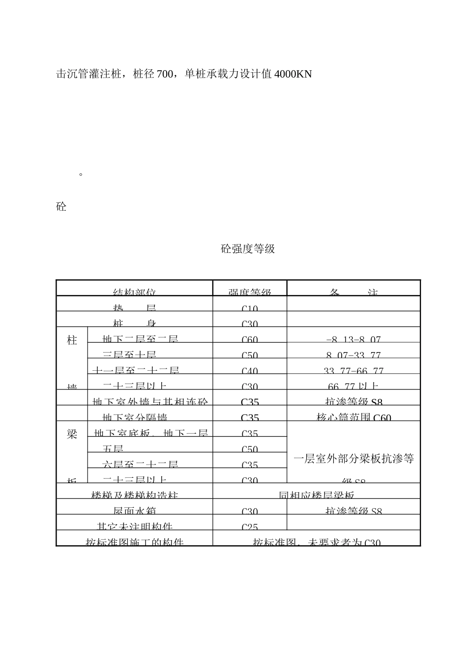
第一章 工程概况第一节 总述工程名称:旺业广场建设单位:旺业房地产(深圳)有限公司设计单位:深圳中航建筑设计公司工程地点:东门路与文锦中路交汇处,儿童公园侧本工程总建筑面积为 60504.84 平方米,地面以下为二层地下室,其中-1 层为设备用房与与地下停车库,-2 层为设备用房与人防地下室(平时兼地下停车库);地面以上为 34 层高层商住楼,其中 1~4 层为大开间商场,5~32 层为住宅,33~34 层为跃层式住宅。建筑物总高度 109.50m。工程设计±0.00 标高相当于绝对标高 14.350m。施工前期的准备工作已经就绪,具备进场施工条件。第二节 建筑地下室二层层高 3.9m,设停车场地下水池、水泵房及机房。地下室一层层高 4.2m,设停车场、变配电室,一层层高 4.2m,二、三层 3.9m,四层5.3m,均为商场;五~三十四层层高 2.75m,均为住宅。 本工程核心筒采用 3 台日立电梯,1、2 层设置 2 台自动扶梯,一部楼梯。外墙面装饰:主体部分面贴釉面砖,分层线为漆喷涂,屋顶层为真石漆,裙楼为仿石面砖,剁斧花岗岩及镜面花岗岩。装饰:住宅楼地面、卫生间防滑地砖,其余水泥砂浆,商场为花岗石地面、卫生间贴磁片到顶,其余墙面、顶棚为乳胶漆。屋面聚酯防水,面贴浅色地砖。装 饰 做 法 表: 作法地面楼面天棚内墙踢脚楼梯间防滑地砖防滑地砖乳胶漆乳胶漆地砖核心筒候地砖地砖乳胶漆乳胶漆地砖电梯机房水磨石乳胶漆乳胶漆水磨石块第三节 结构一、结构形式钢筋砼框架剪力墙结构;二、抗震等级抗震设防烈度为 7 度,结构抗震等级、框架柱、抗震墙,标高 17.27m以下抗震等级为一级,其它墙柱梁抗震等级均为二级。基础采用大直径锤击沉管灌注桩,桩径 700,单桩承载力设计值 4000KN。砼 砼强度等级结构部位强度等级备 注垫 层C10桩 身C30柱墙地下二层至二层C60-8.13-8.07三层至十层C508.07-33.77十一层至二十二层C4033.77-66.77二十三层以上C3066.77 以上地下室外墙与其相连砼C35抗渗等级 S8地下室分隔墙C35核心筒范围 C60梁板地下室底板、地下一层C35一层室外部分梁板抗渗等级 S8五层C50六层至二十二层C35二十三层以上C30楼梯及楼梯构造柱同相应楼层梁板屋面水箱C30抗渗等级 S8其它未注明构件C25按标准图施工的构件按标准图,未要求者为 C30四、钢筋1、钢筋:主要选用一级钢筋(¢,fy=210N/mm2);二级钢筋(¢,fy=310N/mm2);三级钢筋(¢,fy=360N/mm2);Ⅲ级钢筋仅用于框支梁、框支柱,核心筒暗柱。...

1、当您付费下载文档后,您只拥有了使用权限,并不意味着购买了版权,文档只能用于自身使用,不得用于其他商业用途(如 [转卖]进行直接盈利或[编辑后售卖]进行间接盈利)。
2、本站所有内容均由合作方或网友上传,本站不对文档的完整性、权威性及其观点立场正确性做任何保证或承诺!文档内容仅供研究参考,付费前请自行鉴别。
3、如文档内容存在违规,或者侵犯商业秘密、侵犯著作权等,请点击“违规举报”。

碎片内容

旺业广场工程施工组织设计(1)

确认删除?
VIP
微信客服
  • 扫码咨询
会员Q群
  • 会员专属群点击这里加入QQ群
客服邮箱
回到顶部