电脑桌面
添加小米粒文库到电脑桌面
安装后可以在桌面快捷访问

农田水利学喷灌系统规划设计VIP免费

农田水利学喷灌系统规划设计_第1页
1/17
农田水利学喷灌系统规划设计_第2页
2/17
农田水利学喷灌系统规划设计_第3页
3/17
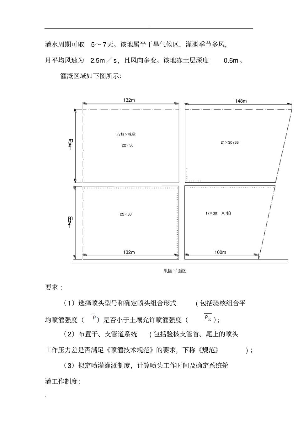
. . 学校:云南农业大学学院:水利水电与建筑学院指导老师:教学班号:一班专业:水利水电工程学号:姓名:. . 农田水利学课程设计课程设计目的通过对管道灌溉系统(包括喷灌,微灌或低压管道输水灌溉系统)的规划设计,了解灌溉系统设计过程及设计方法,巩固农田水利学的所学内容,提高综合应用能力和创造能力。具体要求1、管道灌溉系统的规划布置原则,掌握灌溉系统规划设计的基本要求与设计方法;2、掌握管道灌溉工程规划设计的基本规范;3、学会收集,分析,运用有关资料和数据;4、提高独立工作能力,创造能力及综合运用专业知识解决实际问题的能力。基本资料某实验果园,面积95亩,种植苹果树共2544 株,果树株距4m,行距 6m,正值盛果期。园内有十字交叉道路,路边与第一排树的距离南北向为2m,东西向为 3m。果园由道路分割成为4小区。详见 1:2000 果园规划图。该园地面平坦,土壤为砂壤土,果园南部有一眼机井,最大供水量 60m3/h ,动水位距地面20m。该地电力供应不足,每日开机时间不宜超过14h。为了节约用水,并保证适时适量向果树供水,拟采用固定式喷灌系统。据测定,该地苹果树耗水高峰期平均日耗水强度为6mm/d,. . 灌水周期可取5~ 7天。该地属半干旱气候区,灌溉季节多风,月平均风速为2.5m /s,且风向多变。该地冻土层深度0.6m 。灌溉区域如下图所示:21×30+36行数×株数22×3017×30 ×4822×30132m132m100m148m120m120m果园平面图要求 : (1)选择喷头型号和确定喷头组合形式( 包括验核组合平均喷灌强度()是否小于土壤允许喷灌强度(允 );(2)布置干、支管道系统( 包括验核支管首、尾上的喷头工作压力差是否满足《喷灌技术规范》的要求,下称《规范》) ;(3)拟定喷灌灌溉制度,计算喷头工作时间及确定系统轮灌工作制度;. . (4)确定干、 支管管道直径,计算系统设计流量和总扬程。(5) 水泵和动力选型。1、喷灌选型与总体规划1.1 喷灌工程应根据因地制宜的原则资料收集 : 1 、地形:地面平坦 2、土壤:砂壤土冻土层深0.6m 3、作物:苹果树园林, 正值盛果期4、水源:机井, 果园南部井水,最大供水量为hm /603, 水位距地m20。5、气象:灌溉季节多风,平均风速2.5m/s ,风向多变6、种植面积95 亩,果树2544 株,株距4m,行距6m,园内有十字交叉道路,路边与第一排树的距离南北向为 2m,东西向为3m。社会经济条件:果园为实验果园,面积95 亩,交通方便,电力供应不足 ;...

1、当您付费下载文档后,您只拥有了使用权限,并不意味着购买了版权,文档只能用于自身使用,不得用于其他商业用途(如 [转卖]进行直接盈利或[编辑后售卖]进行间接盈利)。
2、本站所有内容均由合作方或网友上传,本站不对文档的完整性、权威性及其观点立场正确性做任何保证或承诺!文档内容仅供研究参考,付费前请自行鉴别。
3、如文档内容存在违规,或者侵犯商业秘密、侵犯著作权等,请点击“违规举报”。

碎片内容

农田水利学喷灌系统规划设计

确认删除?
VIP
微信客服
  • 扫码咨询
会员Q群
  • 会员专属群点击这里加入QQ群
客服邮箱
回到顶部