电脑桌面
添加小米粒文库到电脑桌面
安装后可以在桌面快捷访问

冷库设计制冷更新VIP免费

冷库设计制冷更新_第1页
1/23
冷库设计制冷更新_第2页
2/23
冷库设计制冷更新_第3页
3/23
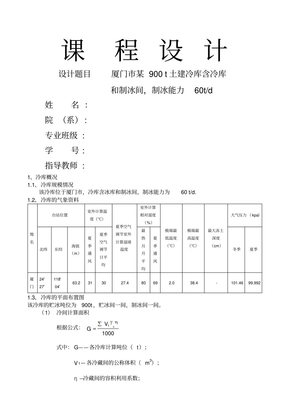
课程 设 计设计题目厦门市某 900 t 土建冷库含冷库和制冰间,制冰能力60t/d 姓名 :院 (系) : 专业班级 : 学号 : 指导教师 : 1、冷库概况1.1、冷库规模情况该冷库位于厦门市,冷库含冰库和制冰间,制冰能力为60 t/d. 1.2、冷库的气象资料地名台站位置室外计算温度(℃)夏季空气调节室外计算湿球温度室外计算相对湿度(%)极端最低温度(℃)极端最高温度(℃)最大冻土深度(cm)大气压力 ( kpa)北纬东经海拔(m)夏季通风夏季空气调节日平均最热月月平均夏季通风冬季夏季厦门24°27′118°04′63.2 31 30 27.4 80 69 2.0 38.4 - 101.46 99.992 1.3、冷库的平面布置图该冷库的贮冰吨位为900t ,贮冰间一间,制冰间一间。(1) 冷间计算面积根据公式:10001SVG式中: G——各冷库计算吨位( t);V 1— 各冷藏间的公称体积( m3);η —冷藏间的容积利用系数;s—食品的计算密度( kg/m3)根据《制冷装置设计》表2-1-4 查得贮冰间机制冰密度2 =7503/kg m 。其中2=0.5(取贮冰间的高度为 4.8m,根据表 2-1-3 利用插值法得出)。依上式得,公称容积:冷库高度的确定:净高为 4.8m,堆码高度为 3.5m。贮冰间有效使用面积为2400/4.8=500 ㎡,净高 4.8m 堆高 3.5m,净长 25m净宽 20m。(2)制冰间a、设计参数使用地:厦门市,夏季平均气温:31℃。制冰用水温度: 20℃。降温终了温度: -5 ℃。盐水温度: -10 ℃。蒸发温度: -15 ℃。产量要求:每池20 吨。冻结时间: Z=Cd2/(-ty)=0.6*192/10=21.66小时Ty: 盐水平均温度。冰块规格: 50kg/ 块。对应冻结时间计算值18.3 小时。载冷剂要求:使用绿化钙盐水作载冷剂,浓度要求18%~20%。b、冰桶规格及冰池设计1、冰桶规格:上口: 360*190,下口: 320*160,高 850。每只桶容积:( 0.36*0.19+0.32*0.16)*0.85/2=0.05立方米,每块冰重 50 KG 用镀锌板制作。上口用L40*3 角钢围边。用 -40 带钢做底圈垫底。示意图如下:2、冰桶数量: Nb= (20000)/50=400 只。3、冰桶排列间距行、列间距皆为 150。4、冰桶排列方案: 25 行, 18 列。实放冰桶 400 个。(3)平面图如下:2、制冷系统设计方案概述2.1、设计原则(1)满足食品冷加工工艺要求;(2)系统要运行可靠,操作管理方便,有安全保障;(3)系统应优先采用新设备、新工艺及新技术;(4)要考虑经济性。2.2、制冷系统流程双级压缩回路:蒸发器出口→回...

1、当您付费下载文档后,您只拥有了使用权限,并不意味着购买了版权,文档只能用于自身使用,不得用于其他商业用途(如 [转卖]进行直接盈利或[编辑后售卖]进行间接盈利)。
2、本站所有内容均由合作方或网友上传,本站不对文档的完整性、权威性及其观点立场正确性做任何保证或承诺!文档内容仅供研究参考,付费前请自行鉴别。
3、如文档内容存在违规,或者侵犯商业秘密、侵犯著作权等,请点击“违规举报”。

碎片内容

冷库设计制冷更新

您可能关注的文档

确认删除?
VIP
微信客服
  • 扫码咨询
会员Q群
  • 会员专属群点击这里加入QQ群
客服邮箱
回到顶部