电脑桌面
添加小米粒文库到电脑桌面
安装后可以在桌面快捷访问

劈裂注浆施工方案VIP免费

劈裂注浆施工方案_第1页
1/7
劈裂注浆施工方案_第2页
2/7
劈裂注浆施工方案_第3页
3/7
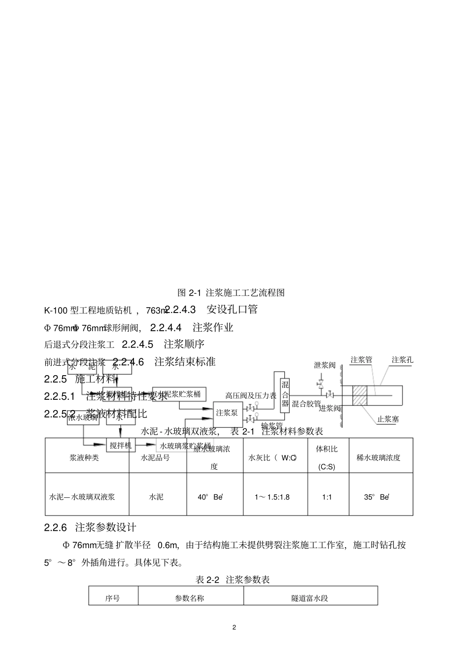
1 隧道劈裂注浆施工方案1.1 工程地质及水文地质情况1.1.1 工程地质情况1.1.2 水文地质情况1.2 管线及渗漏水情况表 1-1 ## 区间地下管线明细表位置管线名称规格型号材质埋深距主体结构间距距竖井通道间距海淀南路上水管D1400mm 铸铁1.76m 3.5m 1.47m 电信管块700×500mm混凝土1.38m 6.3m 3.24m 天然气DN300mm 钢1.63m 5.5m 3.34m 自来水DN300mm 铸铁1.2m 5.9m 3.34m 天然气DN500mm 钢1.63m 7m 3.22m 雨水管DN1000mm 混凝土2.49m 6m 2m 热力管沟DN800mm 混凝土1.27m 10m 5.3m 污水管DN500mm 混凝土3.75m 11.5m 7.7m 给水管DN800mm 铸铁1.25m 10m 6m 电力管沟1800×2300mm混凝土6.9m 9.3m 1.83m 2.1 总体思路 : 根据隧道穿越地层及地下水情况,隧道前期施工过程的治水情况,施工过程中采用前进式劈裂注浆止水帷幕施工方案。 2.2 方案的确立2.3 方案原理施工采用前进式劈裂注浆,它是在钻孔内施加液体压力于弱透水性地层中,当液体压力超过渗透注浆的极限压力时,土体产生水力劈裂,形成裂缝,进浆量突然增大。劈裂面发生在轴力最小主应力面,劈裂注浆在钻孔附近形成网状脉络,通过浆液挤压土体形成浆液骨架作用。在注浆压力作用下,浆液克服地层的初始应力和抗拉强度,引起土体结构的局部扰动,使地层中原有的裂隙和空隙张开,浆液的可注性和扩散距离增大,从而达到加固的目地,由于注浆后浆液固结体在土体中呈脉络状,因此又称为脉状注浆。常适用于粘性土层或深层注浆。通过劈裂注浆使拱部松2.2.3 施工工艺流程图注浆施工工艺流程如图2-1 所示。2.2.4 施工方法2.2.4.1造设止浆墙2.2.4.2钻孔造设止浆墙钻孔2 图 2-1 注浆施工工艺流程图K-100 型工程地质钻机 ,763m2.2.4.3安设孔口管Φ 76mmΦ 76mm球形闸阀, 2.2.4.4注浆作业后退式分段注浆工 2.2.4.5注浆顺序前进式分段注浆 2.2.4.6注浆结束标准2.2.5 施工材料2.2.5.1注浆材料特性要求2.2.5.2浆液材料配比水泥 - 水玻璃双液浆, 表 2-1 注浆材料参数表浆液种类水泥品号原水玻璃浓度水灰比( W:C)体积比(C:S) 稀水玻璃浓度水泥—水玻璃双液浆水泥40° Be′1~ 1.5:1.8 1:1 35° Be′2.2.6 注浆参数设计Ф 76mm无缝 扩散半径 0.6m,由于结构施工未提供劈裂注浆施工工作室,施工时钻孔按5° ~ 8° 外插角进行。具体见下表。表 2-2 注浆参数表序号参数名称隧道富水段水 止浆塞泄浆阀进浆阀混合胶管输浆管注...

1、当您付费下载文档后,您只拥有了使用权限,并不意味着购买了版权,文档只能用于自身使用,不得用于其他商业用途(如 [转卖]进行直接盈利或[编辑后售卖]进行间接盈利)。
2、本站所有内容均由合作方或网友上传,本站不对文档的完整性、权威性及其观点立场正确性做任何保证或承诺!文档内容仅供研究参考,付费前请自行鉴别。
3、如文档内容存在违规,或者侵犯商业秘密、侵犯著作权等,请点击“违规举报”。

碎片内容

劈裂注浆施工方案

文库当当响+ 关注
实名认证
内容提供者

该用户很懒,什么也没介绍

确认删除?
VIP
微信客服
  • 扫码咨询
会员Q群
  • 会员专属群点击这里加入QQ群
客服邮箱
回到顶部