电脑桌面
添加小米粒文库到电脑桌面
安装后可以在桌面快捷访问

加油站安全生产标准化三级达标VIP免费

加油站安全生产标准化三级达标_第1页
1/12
加油站安全生产标准化三级达标_第2页
2/12
加油站安全生产标准化三级达标_第3页
3/12
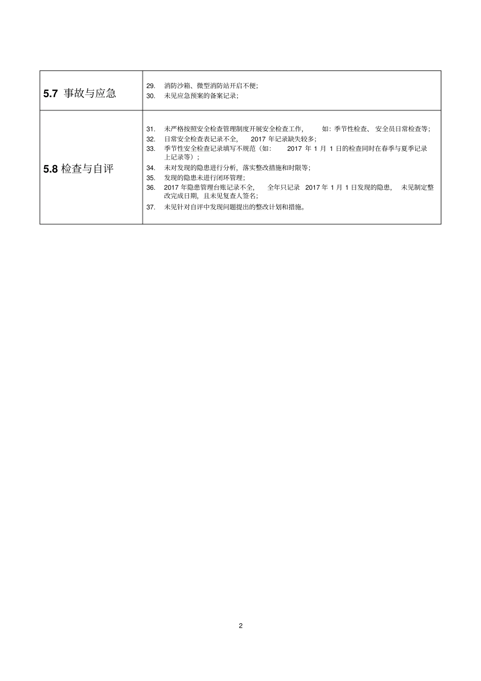
1 加油站安全生产标准化三级达标考评不符合项报告企业名称中国石油天然气股份有限公司福建厦门湖里五通加油站考评时间2017 年 12 月 24 日考评组成员苏勇耐、王晓伟要素查阅文件及查看现场发现的问题5.1 负责人与职责1.有文件化的安全承诺书,但员工不易获取,建议上墙张贴;2.有文件化的安全生产方针和目标,方针和目标基本符合安全生产标准化要求,但员工不易获取,建议上墙张贴;3.油站有建立安全维修费用台帐,未及时更新台帐;5.2 风险管理4.有对油站各岗位及危险作业做出风险辨识和评价,但风险评价记录分析人员未签字;5.未见管理人员、从业人员参与风险评价和风险控制的记录;6.未将风险评价的结果及风险控制措施在有关的工作岗位张贴上墙;5.3 法律法规与管理制度7.检查发现有个别法律法规失效和缺失,如:《化学品生产单位特殊作业安全规范》等未收录;8.应进一步结合油站实际完善相关安全生产管理制度;9.未见新修订的安全生产规章制度的发放记录;5.4 培训教育10.油站有制定年度安全培训计划,有按计划进行培训,但培训记录不完整;11.应进一步完善员工的安全培训教育档案;12.加油站安全提示牌拆下,未及时复位;13.未按班组月度安全活动计划如期开展活动,如:2017 年 12 月份;5.5 站场站房及设备设施14.未见加油站安全现状评价报告;15.未见金属污油布存放桶;16.加油站配置的灭火器直接放置在地上;17.发电机未安装阻火器及排烟管口;18.配电室门口未设置警示标示;19.配电柜内杂物较多;20.配电室的灭火器单支配置且被杂物遮盖;21.配电室内放置杂物;22.防静电检查表未见检查人的签名;23.未见监控设备的点检记录;24.未见 2017 年设备维修计划;25.未见 2017 年安全设施维修计划;5.6 作业安全26.设置的“出口” 、“入口”安全标志不明显;27.配电室门上未见“当心触电”安全警示标识;28.2017 年 10 月、 11 月劳保用品的发放未见领用者签名记录;2 5.7 事故与应急29.消防沙箱、微型消防站开启不便;30.未见应急预案的备案记录;5.8 检查与自评31.未严格按照安全检查管理制度开展安全检查工作,如:季节性检查、 安全员日常检查等;32.日常安全检查表记录不全,2017 年记录缺失较多;33.季节性安全检查记录填写不规范(如:2017 年 1 月 1 日的检查同时在春季与夏季记录上记录等);34.未对发现的隐患进行分析,落实整改措施和时限等;35.发现的隐患未进行闭环管理;36.2017 年隐患管理...

1、当您付费下载文档后,您只拥有了使用权限,并不意味着购买了版权,文档只能用于自身使用,不得用于其他商业用途(如 [转卖]进行直接盈利或[编辑后售卖]进行间接盈利)。
2、本站所有内容均由合作方或网友上传,本站不对文档的完整性、权威性及其观点立场正确性做任何保证或承诺!文档内容仅供研究参考,付费前请自行鉴别。
3、如文档内容存在违规,或者侵犯商业秘密、侵犯著作权等,请点击“违规举报”。

碎片内容

加油站安全生产标准化三级达标

确认删除?
VIP
微信客服
  • 扫码咨询
会员Q群
  • 会员专属群点击这里加入QQ群
客服邮箱
回到顶部